Good evening,
I would suspect the clock spring as the issue. I attached the wiring diagram for you to view.
https://www.2carpros.com/articles/symptoms-of-a-bad-airbag-clock-spring
https://www.2carpros.com/articles/steering-wheel-clock-spring-removal
Ground the wire I circled and see if the horn goes off.
https://www.2carpros.com/articles/how-to-check-wiring
https://www.2carpros.com/articles/how-to-check-an-electrical-relay-and-wiring-control-circuit
Roy
Remove steering wheel assembly
[ steering column: steering wheel: removal ]
Remove lower instrument panel finish panel sub-assembly [ interior panels / trim: lower instrument panel: removal + ]
Remove lower steering column cover [ steering column: steering column assembly: removal + ]
Remove upper steering column cover [ steering column: steering column assembly: removal + ]
Remove spiral cable (w/o vsc)
w/ Horn Button Wire Harness:
Disconnect the connector to remove the horn button wire sub-assembly.
Disconnect the connectors from the spiral cable.
image
NOTICE:
When disconnecting the airbag connector, take care not to damage the airbag wire harness.
Disengage the 3 claws and remove the spiral cable.
REMOVE SPIRAL CABLE WITH STEERING ANGLE SENSOR (w/ VSC)
w/ Horn Button Wire Harness:
Disconnect the connector to remove the horn button wire sub-assembly.
Disconnect the connectors from the spiral cable with steering angle sensor.
image
NOTICE:
When disconnecting the airbag connector, take care not to damage the airbag wire harness.
Disengage the 3 claws and remove the spiral cable with steering angle sensor.
REMOVE SPIRAL CABLE (w/ VSC)
Disengage the 6 claws and 2 pins, and remove the spiral cable from the steering angle sensor.
image
Steering column: steering wheel: removal; 2012 my corolla [12/2011 - ]
Align front wheels facing straight ahead
Remove steering pad
[ supplemental restraint systems: steering pad: removal ]
Remove steering wheel assembly
for Type A:
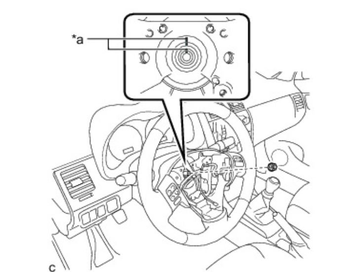
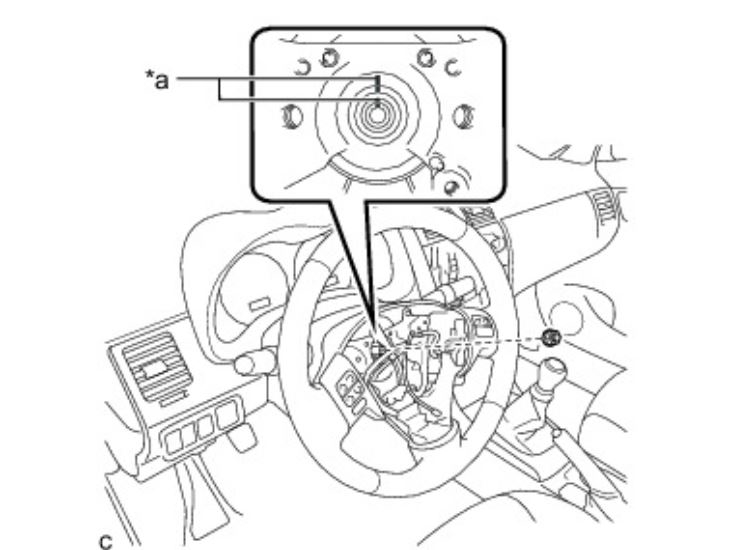
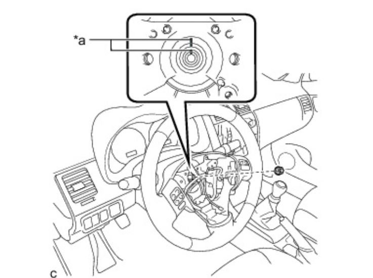
Remove the steering wheel assembly set nut.
image
Text in Illustration
a Matchmark
Put matchmarks on the steering wheel assembly and steering main shaft.
Disconnect the connectors from the spiral cable sub-assembly.
Using SST, remove the steering wheel assembly.
image
Text in Illustration
a Turn b Hold
SST : 09950-50013
09951-05010
09952-05010
09953-05020
09954-05070
NOTICE:
Apply a small amount of grease to the threads and tip of SST (09953-05020) before use.
for Type B:
Remove the steering wheel assembly set nut.
Images (Click to enlarge)
Jan 17, 2021 at 3:18 PM