Horn is not working

2002 GMC ENVOY
215,000 MILES • 5.3L • V8 • 4WD • AUTOMATIC
Avatar
PAUL KREMER
  • MEMBER
  • 47 POSTS
Hi guys, I push button on steering - is not working.
With Scan tool push button Horn On, Off - horn is working.
On picture, red circle - 0 voltage, Steering wheel coil defective?
Picture below.
Nov 5, 2021 at 11:08 AM
Advertisement
Avatar
JACOBANDNICKOLAS
  • CERTIFIED EXPERT
  • 110,175 POSTS
Hi,

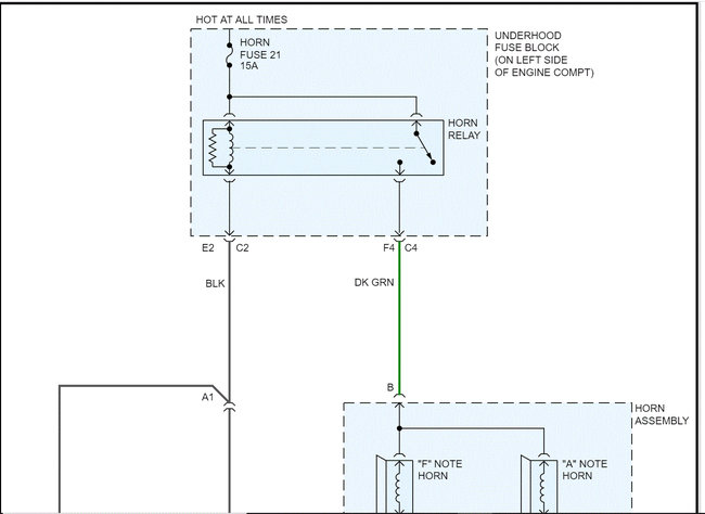
If there is no power to the switch, first make sure the fuse is good. In the rear fuse box, check fuse 47 (ign 0) fuse. That is what powers the switch. See pic 1 below.

In addition to checking the fuse, make sure there is power both to and from it. Here is a link you may find helpful:

https://www.2carpros.com/articles/how-to-check-a-car-fuse

Also, I need to confirm if this is a short or long-wheelbase vehicle. Also, I am not seeing a V8 as an option for this year, make, and model. The only thing showing is a 4.2L six-cylinder.

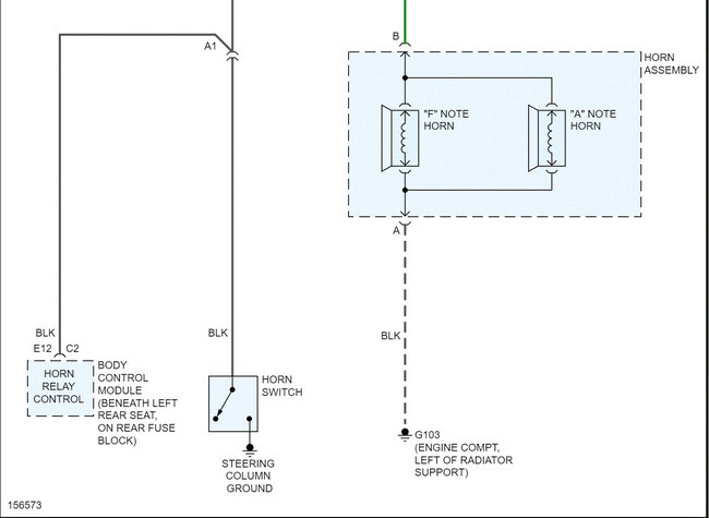
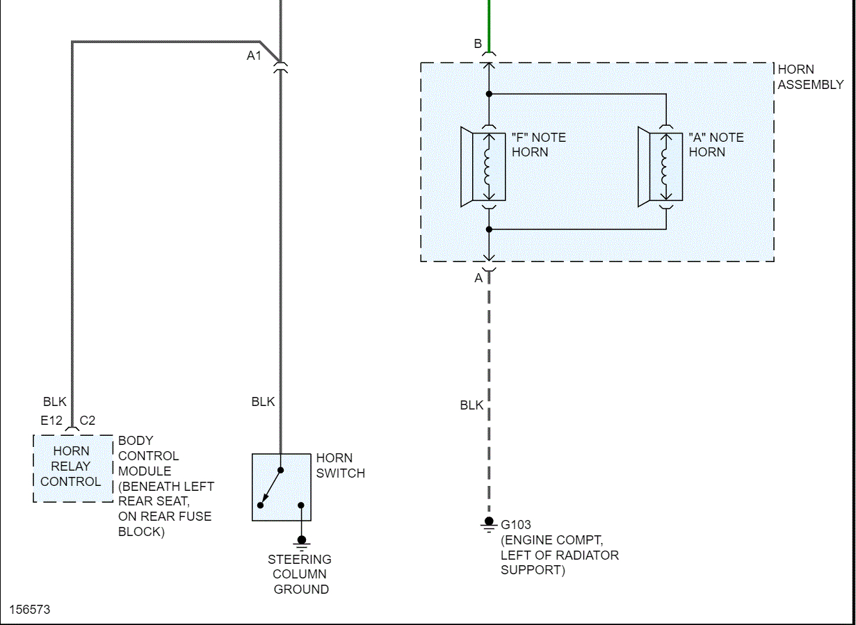
Also, the last two pics below are the wiring schematics for the horn circuit. I thought it may help you as a reference. I cut the schematic in half to make it readable, but I did overlap them so you can follow from one to the next.

You mentioned the clock spring, yes it could be an issue. However, oftentimes that will also cause all steering wheel functions to fail.

Let me know.

Take care,

Joe

See pics below.
Nov 5, 2021 at 8:31 PM
Avatar
PAUL KREMER
  • MEMBER
  • 47 POSTS
My vehicle listed above is an XUV model, full loaded.
I checked fuses in front and in the back, both are good, have power.
In front is relay for Horn but I believe it's good because horn was working with scan tool.
Nov 6, 2021 at 4:44 AM
Advertisement
Avatar
JACOBANDNICKOLAS
  • CERTIFIED EXPERT
  • 110,175 POSTS
Hi, Paul.

What you are saying makes sense. If the relay were bad, it wouldn't have worked.

Do me a favor. i attached diagnostics related to an inoperative horn below. Take a look through them and see if they help. I know you already have performed some of it.

Let me know.

Joe

See pics below.
Nov 6, 2021 at 8:51 PM
Avatar
PAUL KREMER
  • MEMBER
  • 47 POSTS
Horn works again but i did not fixed it. Just checked fuses, all are okay. I believe clock spring on steering wheel has bad connection.
Nov 16, 2021 at 8:36 AM
Avatar
JACOBANDNICKOLAS
  • CERTIFIED EXPERT
  • 110,175 POSTS
Hi,

Thanks for the update. It does sound like the clock spring could be the issue. If you decide to continue working on it, let me know what I can do to help.

Take care,

Joe
Nov 16, 2021 at 6:25 PM