Horn not working?

2012 FORD FUSION
130,000 MILES
Avatar
ANDREWMILLER
  • MEMBER
  • 6 POSTS
Fuse okay. car here relay clicking. No voltage at horn motor. No lock chirp with remote but has lights. A wire diagram will be very helpful. Thanks
Feb 8, 2024 at 3:31 PM
Advertisement
Avatar
JACOBANDNICKOLAS
  • CERTIFIED EXPERT
  • 110,175 POSTS
Hi,

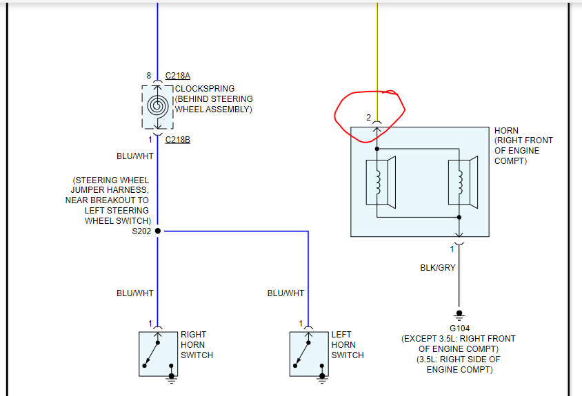
If you hear the relay clicking, then you must have an open between the relay and the horn itself, or fuse 24 has failed. Power to the horn comes directly from the relay.

I attached the wiring schematic below for you. I cut it in half to make it readable, but I did overlap the two so you can follow from one to the next.

Let me know if this helps or if you have other questions.

Take care,

Joe

See pics below.
Feb 8, 2024 at 4:27 PM
Avatar
ANDREWMILLER
  • MEMBER
  • 6 POSTS
I'm not getting voltage at horn motor yellow wire with a direct battery post negative. I'll try further upstream on yellow wire, but I do not have an under-hood relay at fuse block. The clicking is under dash and maybe body control mod?
Feb 8, 2024 at 4:49 PM
Advertisement
Avatar
JACOBANDNICKOLAS
  • CERTIFIED EXPERT
  • 110,175 POSTS
You are correct. The relay is in the vehicle and not under the hood.

Andrew, explain how you ran power directly to the horn. The circuit's ground is provided by a black wire with a gray tracer. Check if there is continuity to ground via that wire.

Next, if you apply 12v power where the yellow/orange wire connects, the horn should work if the ground is good. If it doesn't, the horn is likely the problem.

Let me know.

Joe
Feb 8, 2024 at 6:39 PM
Avatar
ANDREWMILLER
  • MEMBER
  • 6 POSTS
I'll start again tomorrow and let you know. Thanks
Feb 8, 2024 at 6:59 PM
Avatar
JACOBANDNICKOLAS
  • CERTIFIED EXPERT
  • 110,175 POSTS
Sounds like a plan. Let me know if I can help in any way.

Take care,

Joe
Feb 9, 2024 at 12:02 PM
Avatar
ANDREWMILLER
  • MEMBER
  • 6 POSTS
Looks like I now have 12.3-12.7 volts with horn switch closed now but no tone. Any idea what measured horn motor resistance should be. Getting 87 ohms one time to 109 ohms the next.
Feb 9, 2024 at 2:20 PM
Avatar
ANDREWMILLER
  • MEMBER
  • 6 POSTS
The inner fender liner has a tire rub through that apparently filled both horns with water and caused the terminals to corrode. I will replace and retest. Thanks for listening.
Feb 9, 2024 at 3:46 PM
Avatar
JACOBANDNICKOLAS
  • CERTIFIED EXPERT
  • 110,175 POSTS
Hi,

If you are getting power, the horns are likely faulty. Let me know if the new horns work for you.

Take care,

Joe
Feb 9, 2024 at 4:45 PM
Avatar
ANDREWMILLER
  • MEMBER
  • 6 POSTS
Replacement horns fixed the problem.
Thanks
Feb 23, 2024 at 11:38 AM
Avatar
JACOBANDNICKOLAS
  • CERTIFIED EXPERT
  • 110,175 POSTS
Hi,

Thanks for the update and you are very welcome. I'm glad to hear you got it taken care of.

Take care of yourself and feel free to come back anytime in the future. You are always welcome here.

Joe

Feb 23, 2024 at 8:20 PM