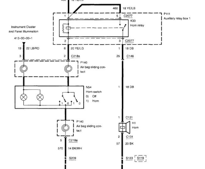
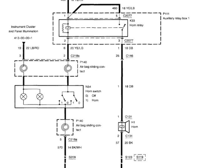
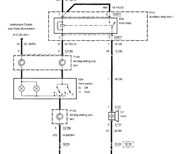
XLT model. I replaced the cruise control switches and harness in the steering wheel. After reassembly the horn continuously stays on. i pulled he airbag and rechecked the contacts but still stays on. Please help. Thank you.
Apr 29, 2018 at 3:48 PM




