Where is the horn relay located?

2011 CHEVROLET IMPALA
95,000 MILES • 2.7L • 6 CYL
Avatar
DAVEFIJ
  • MEMBER
  • 4 POSTS
Horn not working.
Fuse is good.
Trying to locate horn relay.
Check both fuse boxes not noted anyone of them.

Thank you
Aug 23, 2022 at 3:23 PM
Advertisement
Avatar
JACOBANDNICKOLAS
  • CERTIFIED EXPERT
  • 110,175 POSTS
Hi,

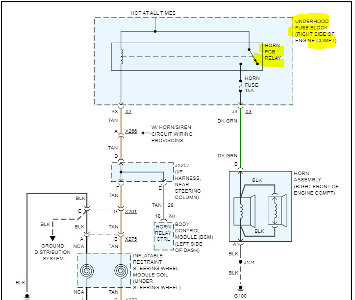
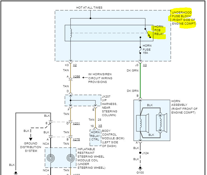
The vehicle does have a horn relay, but it isn't a traditional one. It is an integral relay soldered on a printed circuit board. It isn't replaceable. If it fails, the relay box needs to be replaced.

I attached the horn circuit wiring schematic below so you can see what I'm referring to. PCB stands for the printed circuit board.

The PCB relay box is under the fuse box located under the hood. Now, although it isn't working, there could be other causes. Do you hear a click or anything when you press the horn? I realize you checked fuses, but did you confirm there is power to them? Also, the clock spring needs to be functional for the horn to work. By chance is the airbag light on?

Let me know. Also, you may want to check for power at the fuse.

Here is a link that you may find helpful:

https://www.2carpros.com/articles/how-to-check-a-car-fuse

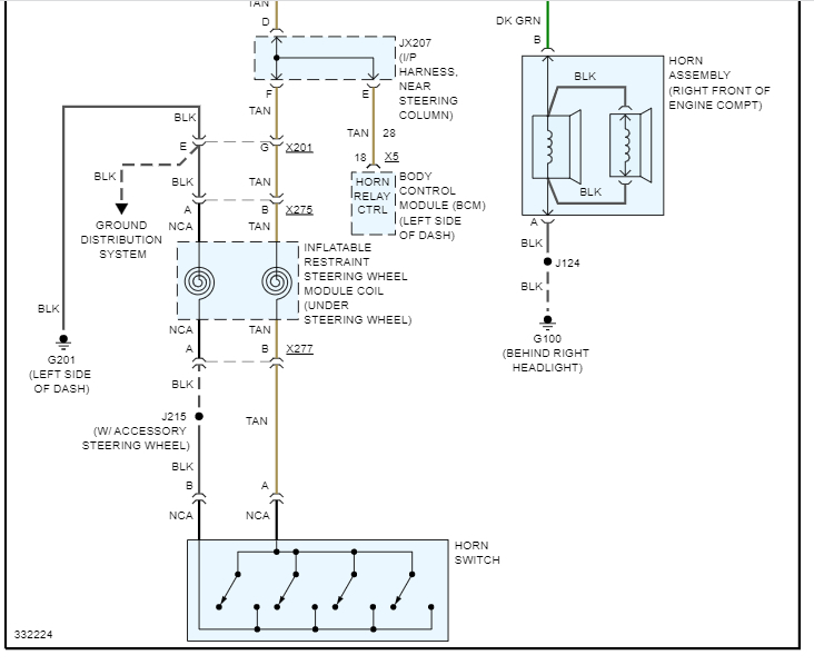
Let me know. Keep in mind, the horns may have lost ground as well. You may want to disconnect them and confirm there is continuity to ground on the black wire. Also, have a helper press the horn while you check for power at the dark green wire.

You may find this link helpful as well:

https://www.2carpros.com/articles/how-to-check-wiring

Let me know what you find.

Take care,

Joe

See pics below.

Aug 23, 2022 at 8:48 PM
Avatar
DAVEFIJ
  • MEMBER
  • 4 POSTS
Thanks Guys.
I did have wife press on horn and I heard clicking near fuse box under-hood
The air bag light is not on, but on 2-3 occasions the passenger side air bag did ring 2-3 times inside the car with no one sitting there.

Thanks
Aug 24, 2022 at 8:20 AM
Advertisement
Avatar
JACOBANDNICKOLAS
  • CERTIFIED EXPERT
  • 110,175 POSTS
Hi,

Okay, if you hear a click, check to see if there is power at the horn itself. You may have a connection issue, faulty ground, or a bad horn.

The horn sits below the right headlamp assembly and requires the removal of the light assembly to be removed.

I attached the directions for replacement below just so you know where it is and how to access it.

Let me know what you find.

Take care,

Joe

See pics below.
Aug 24, 2022 at 6:53 PM
Avatar
DAVEFIJ
  • MEMBER
  • 4 POSTS
Right side meaning
Passenger side correct?
Under the battery area , and on the frame?
Thanks again!!
Aug 25, 2022 at 8:21 AM
Avatar
JACOBANDNICKOLAS
  • CERTIFIED EXPERT
  • 110,175 POSTS
Hi,

Yes, that is correct. When determining left and right, we do it from the driver's side. So, right = passenger side.

Let me know what you find. I'm interested in knowing. Also, in addition to checking for power, also confirm there is continuity to ground.

Take care and let me know if I can help.

Joe
Aug 25, 2022 at 6:05 PM
Avatar
DAVEFIJ
  • MEMBER
  • 4 POSTS
Hi Guys,

Okay, I removed the headlight assembly.
Looked into the area , saw horn, then to my surprise I saw a wire and connector just hanging and not connected to anything.
This, of course, is the connection for the horn.
I reinforced the connection because it was loose, bolted horn to frame and was done
It works!!
I'm not sure why it was not connected but I did have a new oil pan gasket installed and maybe this was the reason because the sub frame had to be loosened.
Thanks for your help!
You saved me time and money!!
Will recommend you to everyone I know!
Aug 26, 2022 at 10:49 AM
Avatar
JACOBANDNICKOLAS
  • CERTIFIED EXPERT
  • 110,175 POSTS
Hi,

I'm glad to know you found the issue. Since you heard the clicking, I had a feeling the horn was bad or there was a disconnected wire. Also, chances are when the oil pan was removed, they pulled it by accident.

Regardless, I'm glad it's fixed. Also, please feel free to come back anytime in the future if you have questions. You are always welcome here.


Take care,

Joe
Aug 26, 2022 at 1:28 PM