horn does not work. Blows fuse in under hood fuse block. How do I check the steering wheel horn switch? I know how to remove the air bag, safely.
Jun 20, 2017 at 12:26 PM
Advertisement
STEVE W.
CERTIFIED EXPERT
15,113 POSTS
Does it still blow the fuse if you disconnect the horns wiring connector? How about if you remove the relay and jumper from either of the power feed terminals to the switch side and hit the horn switch? Does it blow if you jump from the power feed to the horn?
If it blows when you jumper to the horn only you have a bad horn.
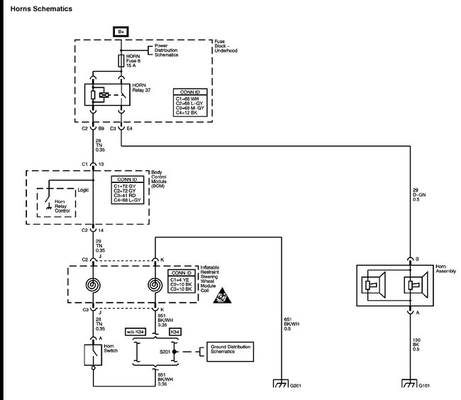
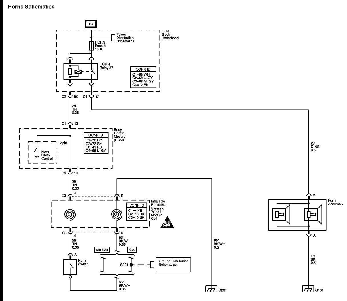
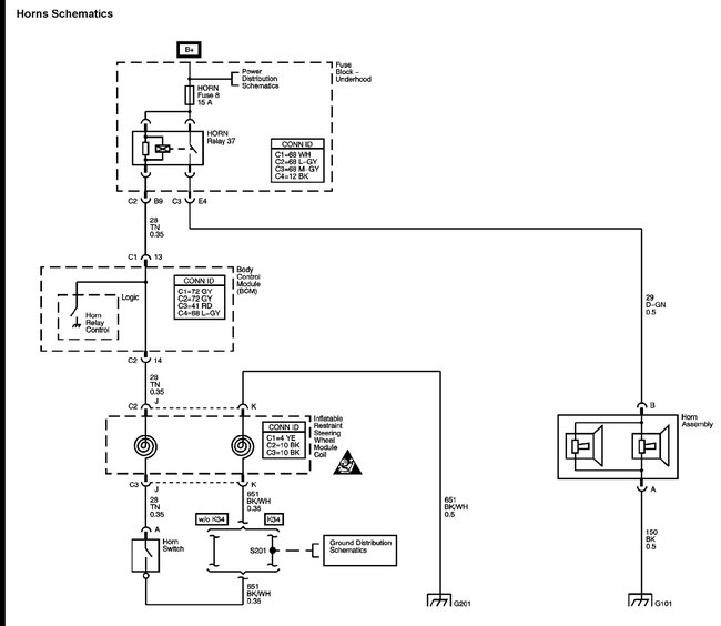
Image (Click to enlarge)
Jun 20, 2017 at 3:12 PM
MIKE DALEY
MEMBER
4 POSTS
I pulled the horns and put power directly to the connector, no sound. I will pick up replacement horns tonight. Is there a way to test the horn switch in the steering wheel cover? If I pull the air bag assembly should there be an ohmic value from the ground connector and the red wire? Should it go to 0 if I press on the horn symbol?
Jun 22, 2017 at 9:56 AM
Advertisement
STEVE W.
CERTIFIED EXPERT
15,113 POSTS
Easy way to test, Connect a test light in place of the horn. Push the horn control, if the light comes on the switch is OK.
Jun 22, 2017 at 10:33 AM
MIKE DALEY
MEMBER
4 POSTS
Replaced the horn with a universal one from Orielly, works fine.
Jun 23, 2017 at 9:29 AM
STEVE W.
CERTIFIED EXPERT
15,113 POSTS
Good news. Thank you for using 2CarPros. Please return with any automotive questions, Tell your friends about us.
Jun 23, 2017 at 10:44 AM
MIKE DALEY
MEMBER
4 POSTS
Absolutely, really good and useful site.
And since I am here, when I replaced the horn, I noticed that there were a few spots on the steering wheel where the horn does not work and one where the horn stayed on until I tapped the wheel again. Could the steering wheel contacts be failing? I'm assuming that there is some type of contacts across the inside that when they touch activates the horn relay?
Jun 23, 2017 at 11:48 AM
STEVE W.
CERTIFIED EXPERT
15,113 POSTS
Could be some corrosion on the contacts, If you think about how often you use the horn it wouldn't be a surprise. Now if the issue is that you can turn the steering wheel and it works/doesn't work, that would be a failing clock spring contact.