Horn does not work

2000 CHEVROLET 3500
225,000 MILES • 7.4L • V8 • 2WD • AUTOMATIC
Avatar
JSCONRADO007
  • MEMBER
  • 2 POSTS
The horn works when I remove the relay and use needle nose pliers to short it out. I've replaced the horn relay and the horn pad. The fuse is good and I've tried different fuses. What's next to try? Thanks for the help!
Jul 3, 2021 at 11:45 AM
Advertisement
Avatar
ASEMASTER6371
  • CERTIFIED EXPERT
  • 52,796 POSTS
Good afternoon,

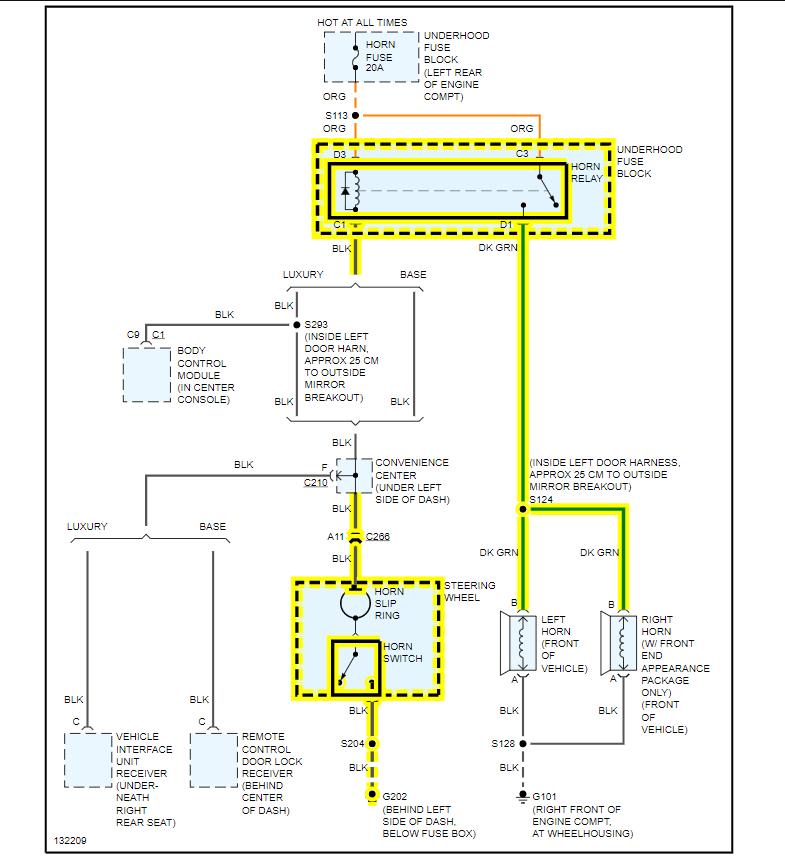
I attached a wiring diagram for you to view. The trigger for the relay is the wire to the horn switch on the steering wheel. You need to remove the cover and test the wire for power.

I would use a voltmeter to verify battery voltage. If you do not have voltage, you need to go to the clock spring below the steering wheel as that passes the voltage to the switch.

https://www.2carpros.com/articles/how-to-check-wiring

https://www.2carpros.com/articles/how-to-use-a-voltmeter

I attached the procedure for the replacement of the clock spring. That is a very common failure for no horn.

Roy
Jul 3, 2021 at 12:35 PM
Avatar
JSCONRADO007
  • MEMBER
  • 2 POSTS
Thanks Roy. I will look into this in the morning and let you know how it works!!
Jul 3, 2021 at 3:32 PM
Advertisement
Avatar
ASEMASTER6371
  • CERTIFIED EXPERT
  • 52,796 POSTS
You are welcome.

Always glad to help.

Roy
Jul 3, 2021 at 3:34 PM