☰
Login
Join
×
Home
Answered Questions
Repair Topics
Repair & Service Guides
Popular Questions
Warning Lights
Trouble Codes
How It Works
Testing / Diagnostics
Symptoms
Videos
Login
Become a Member
Home
Dodge
Dart
Safety
Horn
Not Working
Horn not working
2015 DODGE DART
60,000 MILES • 4 CYL • TURBO • 2WD • AUTOMATIC
KEVIN PACIFIC
MEMBER
1 POST
FOLLOW
My horn has quit working. I have checked the fuses but cannot seem to be able to locate the relay to check that.
May 9, 2017 at 10:53 PM
Advertisement
STEVE W.
CERTIFIED EXPERT
15,113 POSTS
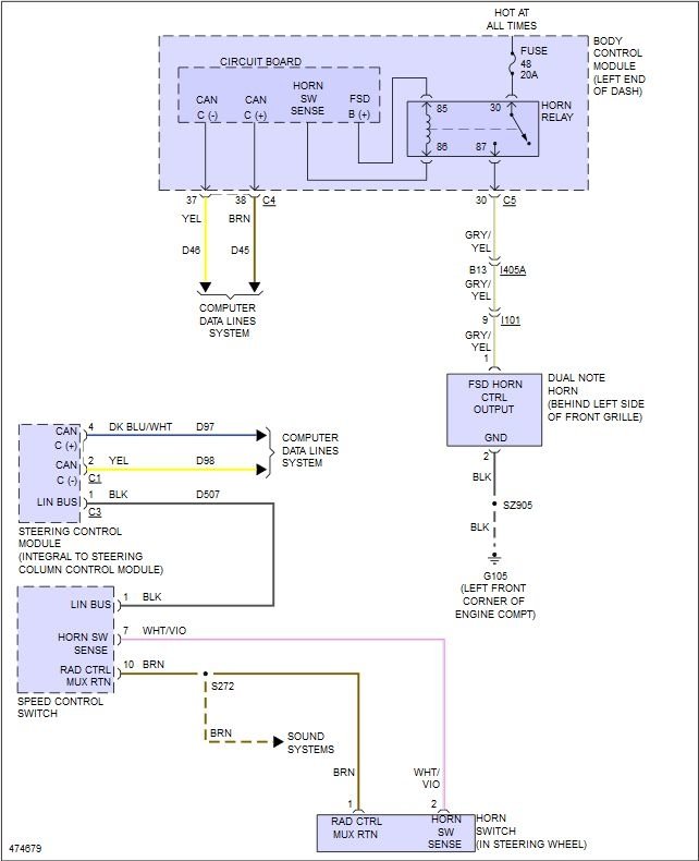
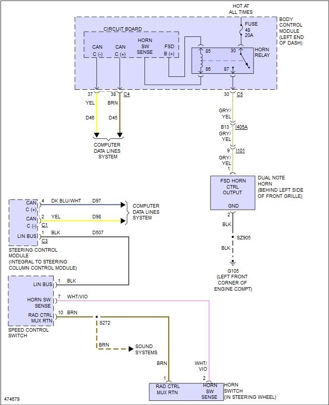
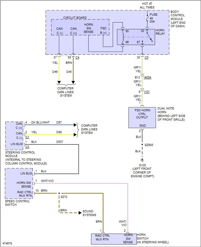
The relay is in the body control module. Test the horn module and the wiring to it, they like to fail.
Image (Click to enlarge)
May 10, 2017 at 5:32 AM
GIUGGIOLA
MEMBER
1 POST
Thanks for this post I had this problem it has the horn cost me $87.00 I love this site
Jun 27, 2019 at 2:53 PM
Advertisement