How do you fix the horn on the steering wheel?

1998 BUICK PARK AVENUE
99,999 MILES • 6.6L • 6 CYL • 2WD • AUTOMATIC
Avatar
DUSTY03
  • MEMBER
  • 6 POSTS
How do you fix the horn on the steering wheel?
Sep 22, 2022 at 11:25 AM
Advertisement
Avatar
STRAILER
  • CERTIFIED EXPERT
  • 53,854 POSTS
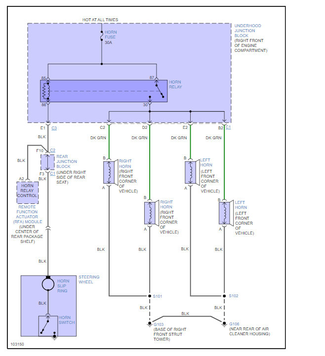
Chances are it is a fuse or the horn control relay but to be sure here is a wiring diagram for the horn so you can see how it works and where to check for power loss. I have also included a guide to show you how to check for power.

https://www.2carpros.com/articles/how-to-use-a-test-light-circuit-tester

In the under-hood fuse panel check the 30-amp horn fuse. If that's okay swap out the horn control relay which is in the same fuse panel. Check out the images (below). Please let us know what you find.
Sep 23, 2022 at 9:57 AM