Horn goes off on its own

1998 DODGE DURANGO
155,000 MILES • 5.2L • V8 • 4WD • AUTOMATIC
Avatar
JPUTNAM
  • MEMBER
  • 28 POSTS
I was in my house and the horn started blowing. I went out a had to pull the wire off the horn to stop it.
Jun 3, 2021 at 9:04 AM
Advertisement
Avatar
KASEKENNY
  • CERTIFIED EXPERT
  • 18,907 POSTS
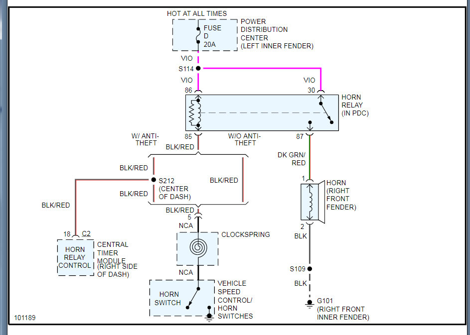
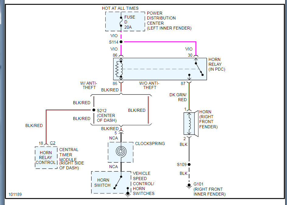
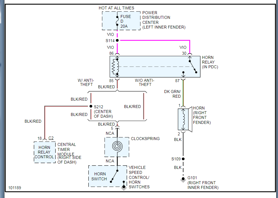
More than likely this is a horn switch issue. They start to corrode and will actually short out and cause the horn to stay on.

Also, it could be a relay issue so we should test or swap that out.

https://www.2carpros.com/articles/how-to-check-an-electrical-relay-and-wiring-control-circuit

Lastly it could be a central timer module that is causing the horn to stay on.

The only way we are going to figure this out is to start checking voltage through the system to find out where the short is. I would start at the relay and see if it is being commanded on.

You do this by removing the relay and putting your meter or test light on battery positive and then touch cavity 85 and see if you have 12 volts or the test light comes on. If it does then that means it is being commanded on and the switch or the CTM is the issue. I would suspect the switch or ever a clock spring before the CTM.

https://www.2carpros.com/articles/how-to-check-wiring

https://www.2carpros.com/articles/how-to-use-a-test-light-circuit-tester

Please let us know if you have questions on this and we can go from there. Thanks
Jun 3, 2021 at 2:20 PM