Hooking up amp radio wiring diagram needed?

2021 VOLKSWAGEN JETTA
23,134 MILES • 1.4L • 4 CYL • TURBO • 4WD • MANUAL
Avatar
JESSELEELARRY9031
  • MEMBER
  • 1 POST
I'm trying to hook up an input line converter and a remote wire. What wires am i hooking them up to behind the dash?
Aug 26, 2023 at 8:49 AM
Advertisement
Avatar
STRAILER
  • CERTIFIED EXPERT
  • 53,855 POSTS
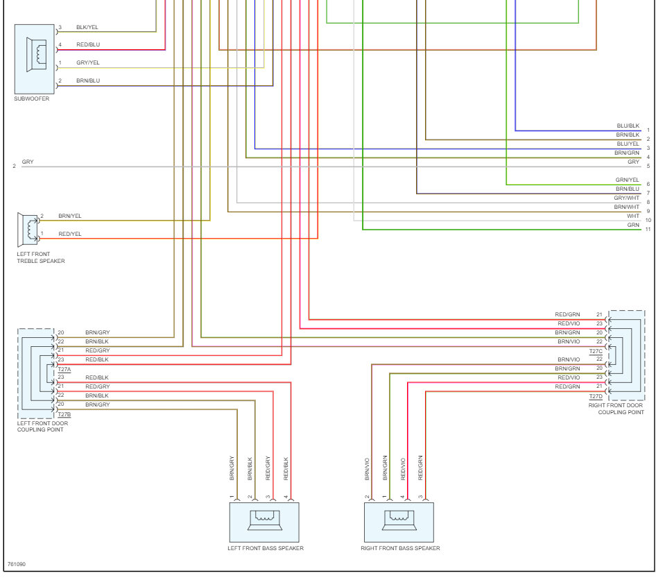
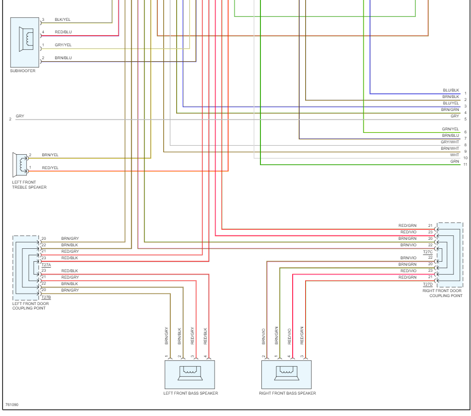
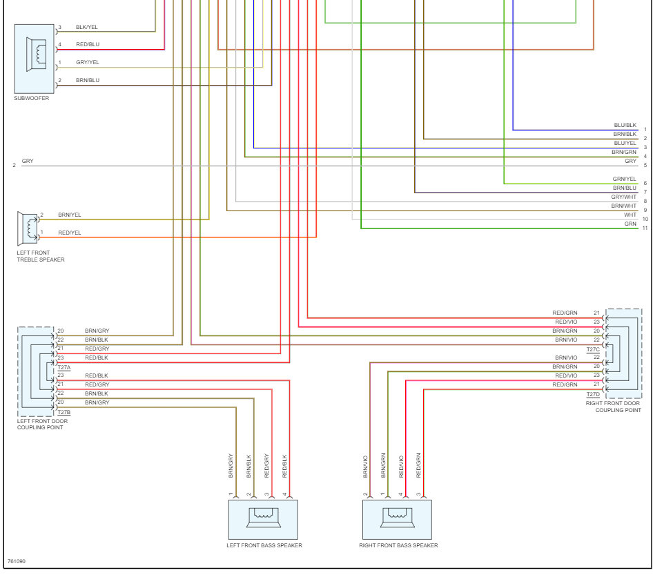
You must connect the wire according to the amp instructions, here are the radio wiring diagrams so you can see how the system works and which wires that need to be connected. Check out the images (below). Please let us know if you need anything else to get the problem fixed.
Aug 26, 2023 at 7:24 PM