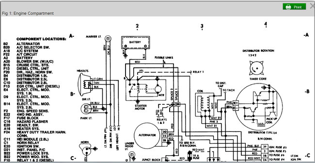
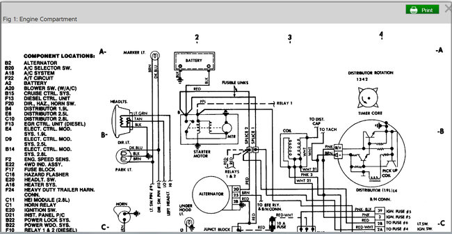
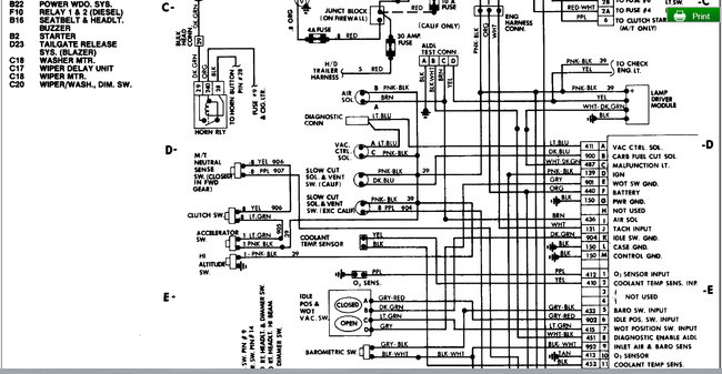
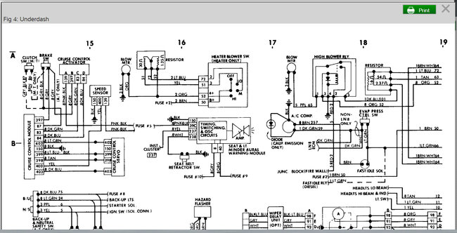
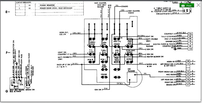
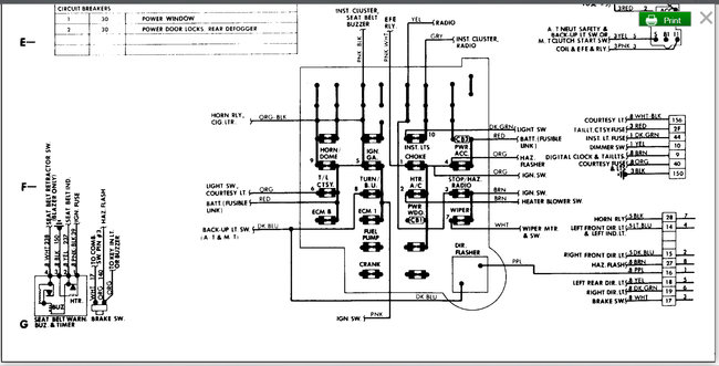
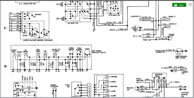
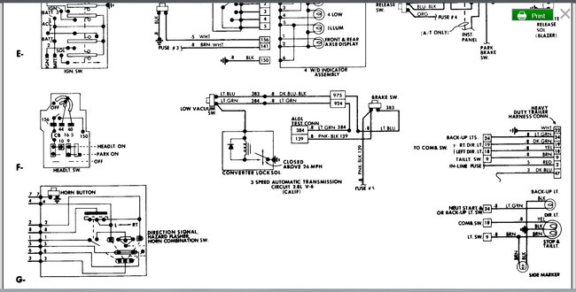
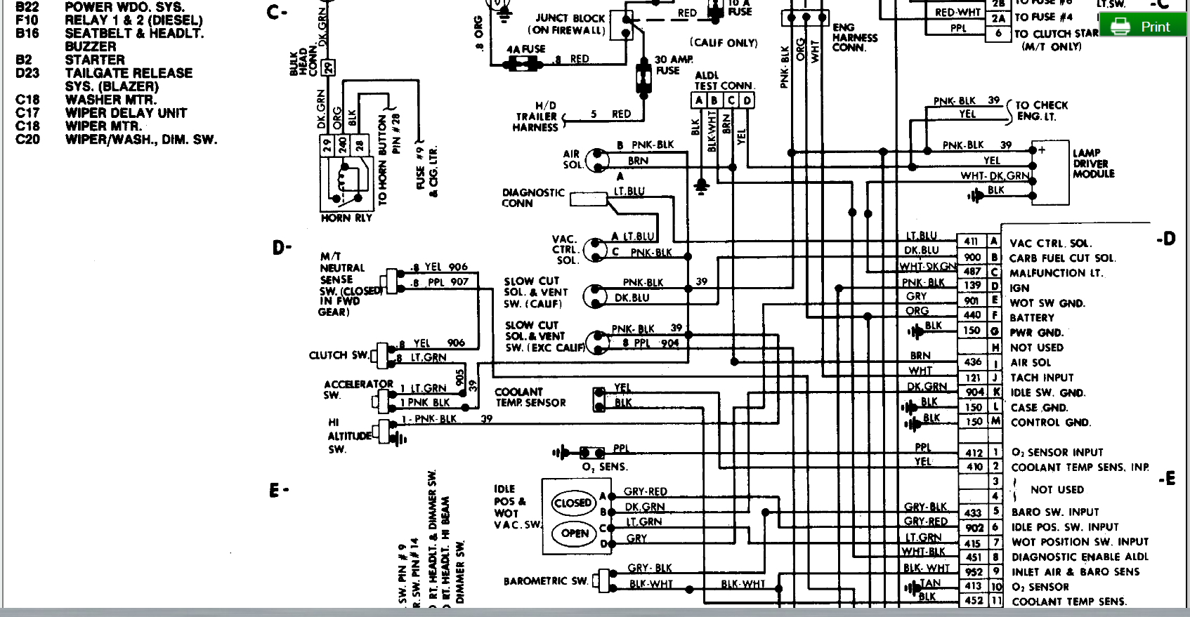
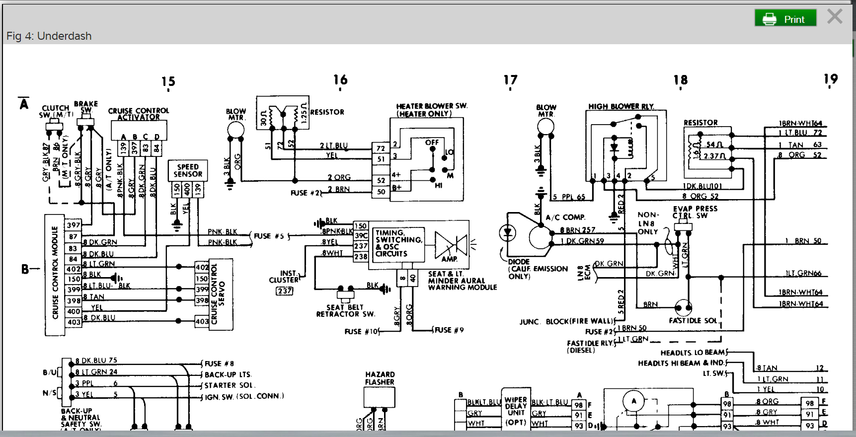
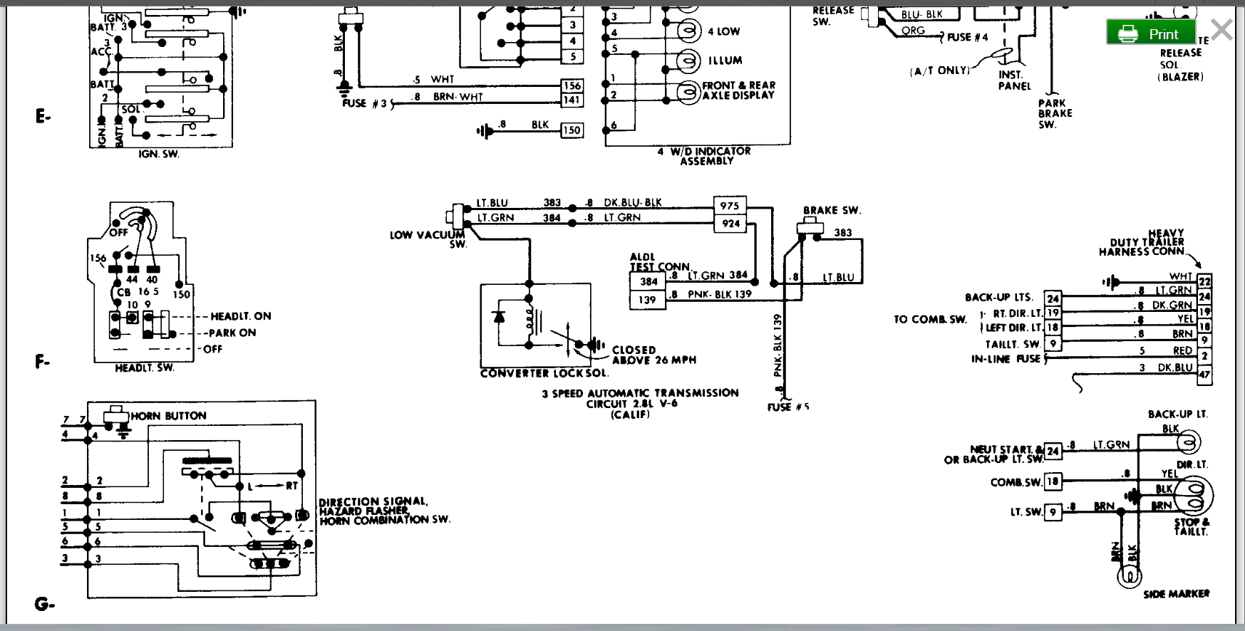
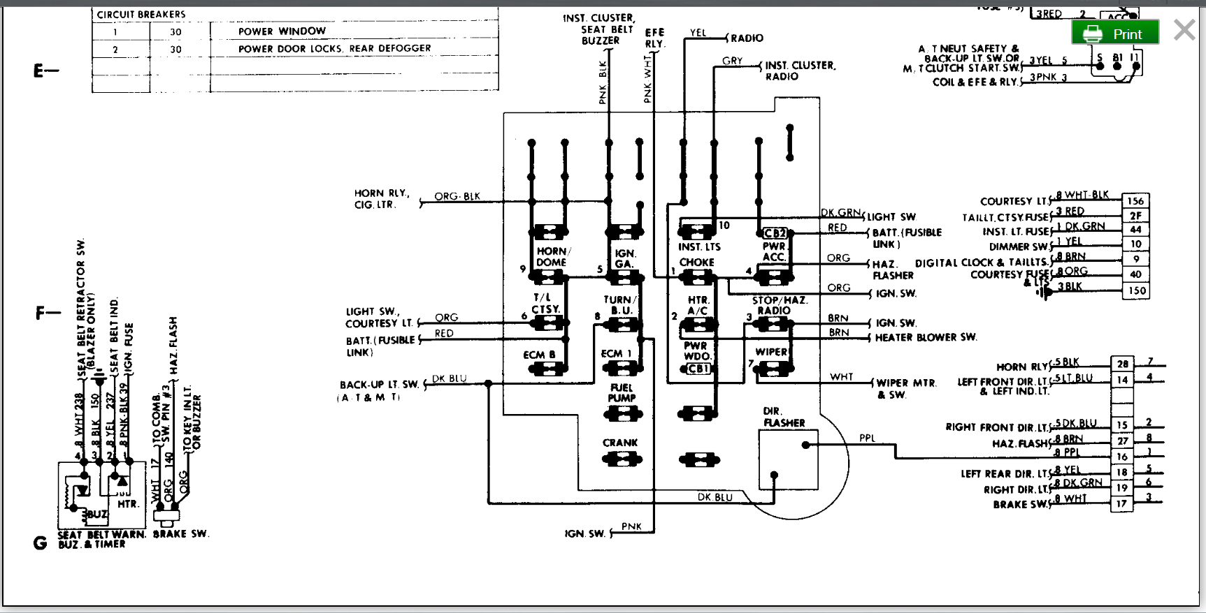
First. All fusible links and fuses checked and taken care of. Brand new battery and starter. I put the wrong cable on for like a two or three seconds. Getting power to fuse panel no power to switch or starter when key turned. Four rows on panel. One has power, three do not. one with power has no fuses. When you turn headlights on come on along with dash radio CD player but no door buzzer. When key turns nothing no click nothing doesn't make headlights dim or anything. No power getting to switch. big plug that goes into panel looks like tar has been poured in it but it is not melted plastic doesn't smell burned or anything. so many questions don't know where to start. Any suggestions? As i said checked and took care of fusible links and fuses has new battery and starter. Help!
Mar 23, 2019 at 9:43 PM














