The A/C, heater, hazards, turn signals, lift-gate not working, the headlights work but turn off when I turn the high beams on?

2014 CHEVROLET TRAVERSE
140,000 MILES • 3.6L • 6 CYL • 4WD • AUTOMATIC
Avatar
MACK POOLER
  • MEMBER
  • 4 POSTS
Okay, so there is a post here in the Traverse section with a gentleman that has almost identical problems as me. I didn’t see that his issue was ever actually resolved. I’m about to lose it over this though as it makes zero sense. No A/C or heat. No hazards. No blinkers. Headlights on but won’t go to high beam or shut off while key is on. No lift gate. No rear wipers or fluid. Front wipers work but no fluid. No mil lamp on. Stuck in park. I put 12v to the locking solenoid on the shifter and it functions.
I have the passenger console side open to just push it when I need to move the vehicle. I have no way of checking can network.my scan tool was stolen by my neighbors. I’m broke and need the car to work. It’s been 107 here where I live, and I’m way stressed out over this. All fuses and relays are good so far as I know. Checked all under hood. Under dash inside passenger compartment is a nightmare to access. I’m about to cut access in for myself. My hands are wrecked from trying to get in there. Tried to remove dash there and it’s not happening. It’s been 10 years since a vehicle skunked me and especially pertaining to something electrical.
Jun 23, 2024 at 5:11 AM
Advertisement
Avatar
AL514
  • CERTIFIED EXPERT
  • 5,465 POSTS
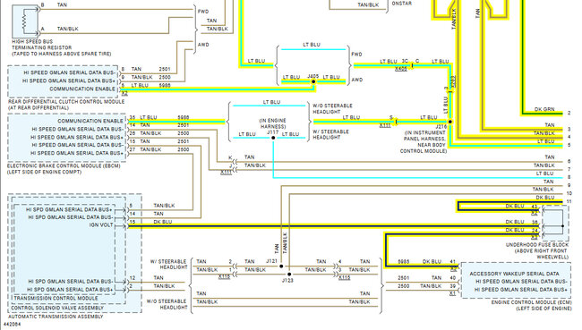
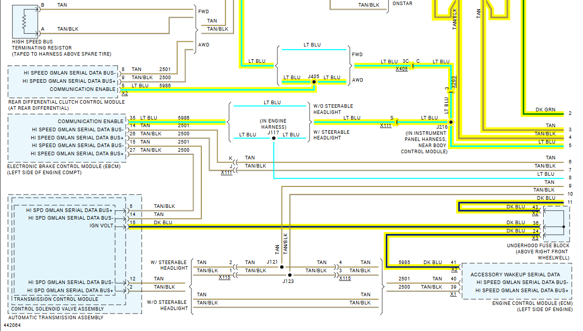
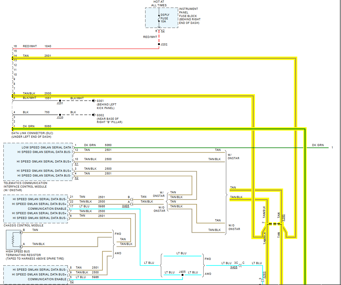
Hello, sorry to hear you're having such a bad time with this, you can still check to see if networks are shorted to ground or power with a multimeter since your scan tool is missing, the BCM acts as a partial gateway in this vehicle, and it's still a GM so you can check the splice packs for voltage readings on pin 1 of the DLC. It looks like there is a wake up signal sent out from the ECM to the BCM and TCM, Ill post diagrams for you, as well as a "Communication Enable" that goes out from the BCM to modules on the high speed can bus which is pins 6 and 14 on the DLC, so it might be that either one of these wake up signals is missing, or a module is pulling down the network. The GM BCMs have a high failure rate, but again the wiring diagrams will help determine what's working and what is not. give me a minute to pull these up for you.
One other thing, the Right head lamp assembly (pass side) is tied into the HS can and it also communicates with the left head lamp assembly via a Lin bus,
The headlights have comms if the vehicle has Steerable Headlight option.
Jun 23, 2024 at 11:25 AM
Advertisement
Avatar
AL514
  • CERTIFIED EXPERT
  • 5,465 POSTS
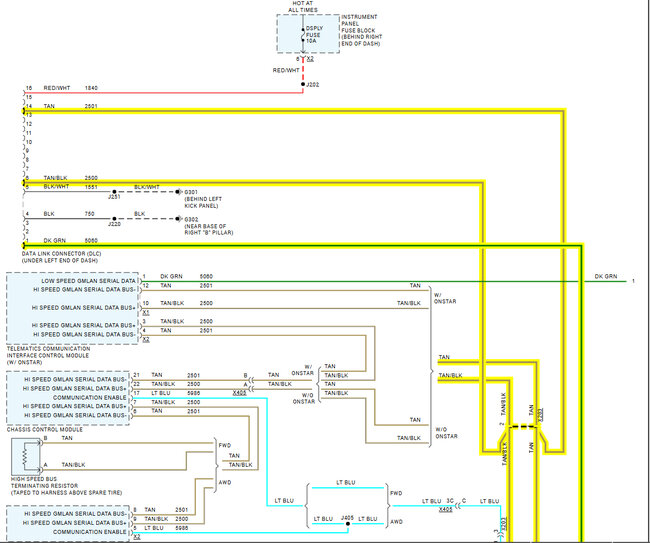
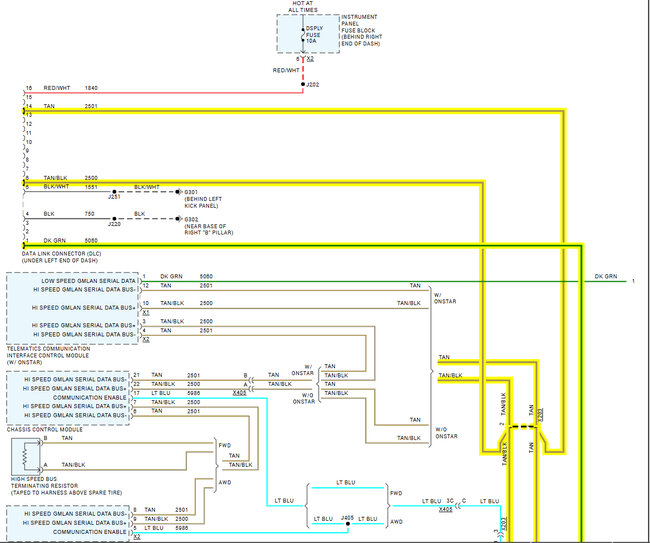
So, I'm going to post the network diagrams to begin with here, I fully understand how tough it is working out in the heat I do it too, But I'll go through service info (SI) here more on the operations of these wake up signals, but usually with a GM setup the BCM is one putting out this wake up to all the other modules, sometimes it's a 10-volt pulse, but I have also seen it to just be regular low speed network voltage levels.
I have broken these up so you can print them out if needed, so diagrams 1,2 are top and bottom of the Information Bus page 1 and so on. There's only 2 pages thankfully,
But if it's a module on the Low-speed network, have you messed with these splice packs before on a GM? They're great for isolating a module issue.

In the 1st diagram I've highlighted pins 6 and 14 (HS CAN) and pin 1 (Low Speed) and you'll have to let me know if you have this steerable head lights option or not.
I have also highlighted the Accessory Wake-up from the ECM (dark blue wire) and the Communication Enable from the BCM (light blue wire).
I'll look into operations for this year, but at least not you can locate the BCM, I'll find out which connector the wake-up signal is from the ECM, which is going to be Ignition Voltage, and the Communication Enable wire from the BCM connector X4.
Jun 23, 2024 at 11:48 AM
Avatar
AL514
  • CERTIFIED EXPERT
  • 5,465 POSTS
The two 120 Ohm resistors for the HS can bus on this are located (1) in the ECM and the other is stated as being either in the AWD module or in its own separate connector assembly, this being AWD, that's where the other 120 Ohm resistor should be, the AWD module is labelled as the Rear Differential Clutch Control Module located at the rear differential, and that is a location known for corroded connectors and wiring issues, you could go right to it and check it for corrosion first. Since it has one of the resistors built into the module.
Jun 23, 2024 at 11:55 AM
Avatar
AL514
  • CERTIFIED EXPERT
  • 5,465 POSTS
This is the network operations info, with no MIL we know that the ECM is most likely not even receiving a Wake-Up signal from the BCM.
Jun 23, 2024 at 12:01 PM
Avatar
AL514
  • CERTIFIED EXPERT
  • 5,465 POSTS
So, this part of the HS can bus in service info is important to know if you are limited to a multimeter in this case, But this has to do with ABS module issues, It states here that the voltage level changes from the normal 2.5-volts of bias voltage like a regular Can Bus network, to a voltage level of 3volts and 2-volts when the Yaw Rate sensor or Steering Angle Sensors are disconnected. Just something to keep in mind if you see 3 or 2 volts levels.

These are the Wake Up and Communication Enable signals from the BCM on connectors X3 and X4 with the connector pinout info, there are 7 BCM connectors I have them all pulled up if you want them, along with the OEM Network diagrams.
Jun 23, 2024 at 4:35 PM