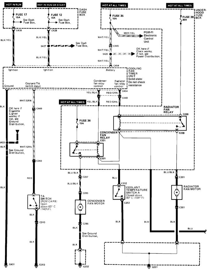
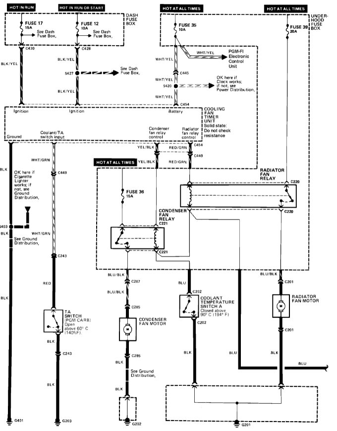
I was hoping you would help me with the problem I am having with the air conditioning. The cooling works fine for about 15 minutes, then the fuse blows and the fan just blows uncooled air. Replacing the fuse results in the fuse blowing again.The mechanic checked the ac system for leaks, but could not find any. Do you think there is an electrical problem?
Jul 16, 2008 at 4:55 PM


