☰
Login
Join
×
Home
Answered Questions
Repair Topics
Repair & Service Guides
Popular Questions
Warning Lights
Trouble Codes
How It Works
Testing / Diagnostics
Symptoms
Videos
Login
Become a Member
Home
Honda
Pilot
Interior
Radio
Not Working
Radio not working
2006 HONDA PILOT
94,000 MILES • 6 CYL • 2WD • AUTOMATIC
JDUBB41
MEMBER
1 POST
FOLLOW
total loss of power to audio, video and center console fuses are good any suggestions?
Aug 5, 2010 at 3:36 PM
Advertisement
KHLOW2008
CERTIFIED EXPERT
41,814 POSTS
Hi Jdubb41,
Was anything done prior to this occuring?
Check the Accessory Power Socket relay in passenger underdash fusebox.
Aug 5, 2010 at 3:57 PM
FORSHE211
MEMBER
1 POST
Just had the same problem with my '07 pilot. What did you find?
Apr 16, 2011 at 10:26 PM
Advertisement
ALICIA CASS
MEMBER
2 POSTS
Check for foreign metallic object in the round power outlet
Sep 5, 2017 at 1:22 AM
STRAILER
CERTIFIED EXPERT
53,854 POSTS
Great addition to this thread! Please feel free to help out whenever you are on the site :)
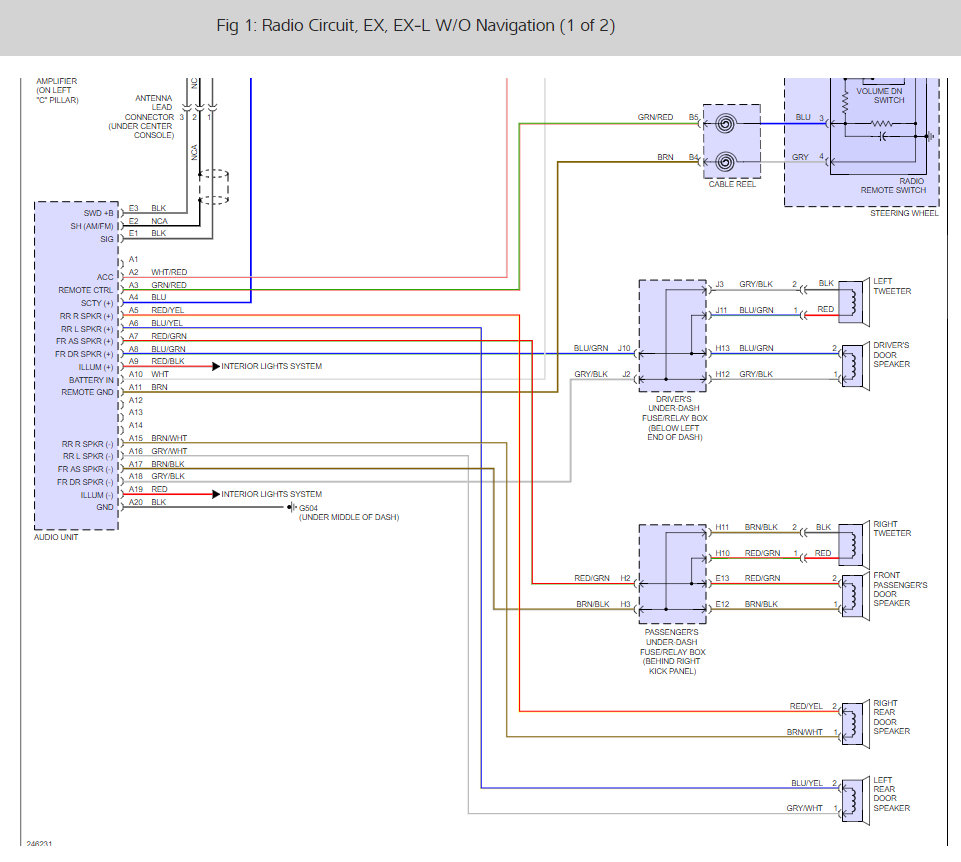
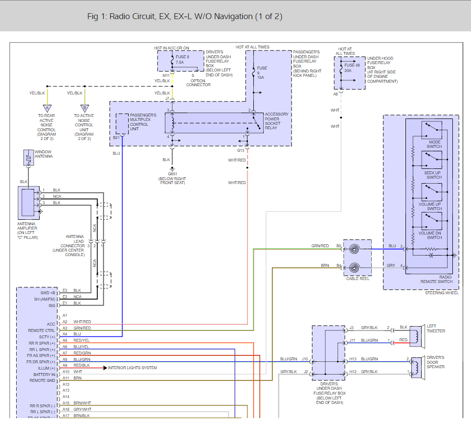
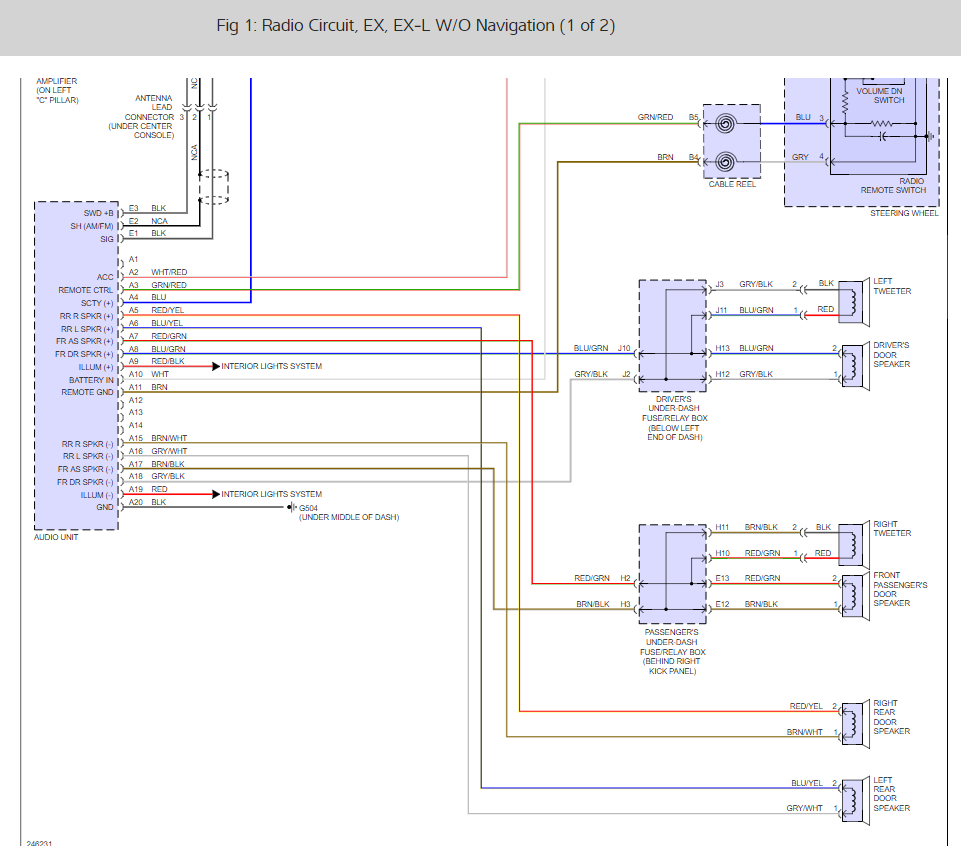
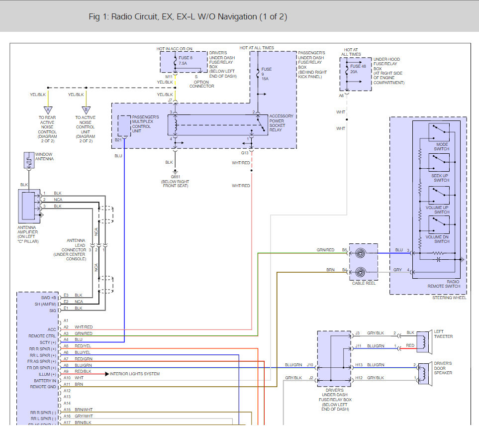
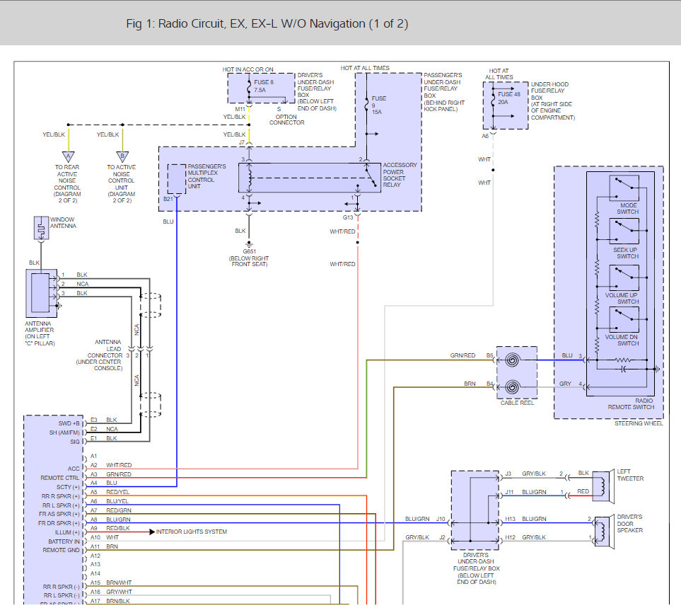
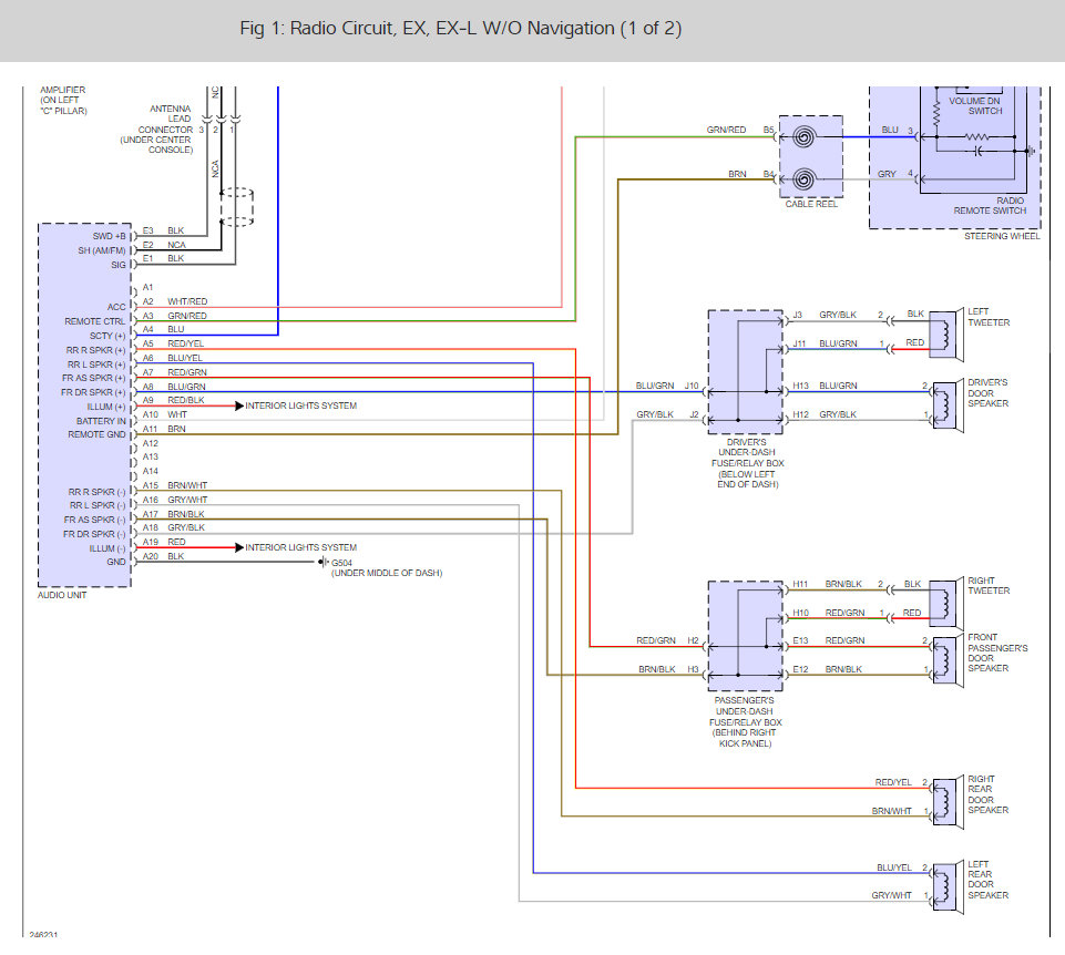
Here is a wiring diagram and a guide so we can do some testing, there is an accessory relay that sounds like it is bad.
https://www.2carpros.com/articles/how-to-check-an-electrical-relay-and-wiring-control-circuit
and
https://www.2carpros.com/articles/how-to-use-a-test-light-circuit-tester
Please let us know what happens.
Cheers, Ken
Images (Click to enlarge)
Sep 6, 2017 at 11:23 AM