Electrical shuts down

2005 HONDA PILOT
87,000 MILES • 6 CYL • AWD • AUTOMATIC
Avatar
PILOT PILOT
  • MEMBER
  • 2 POSTS
Vehicle has an intermittent electrical short. Sometimes the head lights dim briefly, sometimes the engine stumbles briefly, sometimes the radio or speakers pop and go out briefly, sometimes the ABS and brake dash lights come on briefly. All have happened independently and together, in various combinations, as well as all at once. After this brief hiccup, the vehicle continues to run normally with no codes or warning lights. Of course, the dealer can find nothing wrong. Help?
Nov 8, 2010 at 10:04 PM
Advertisement
Avatar
HONDASTOOGE
  • MEMBER
  • 2 POSTS
I am having the same problem. I also have a 2005 Honda Pilot. It happened a few weeks ago. The radio goes out for a second and at the same time the brake light and the ABS light come on. The only thing is after the lights go away about a minute later all the lights on the dashboard go on for a second or two then go away. Took it to my mechanic, could not find anything. Took it to Honda, twice, they could not find anything either. No clue what to do.
Nov 14, 2010 at 3:53 AM
Avatar
HONDASTOOGE
  • MEMBER
  • 2 POSTS
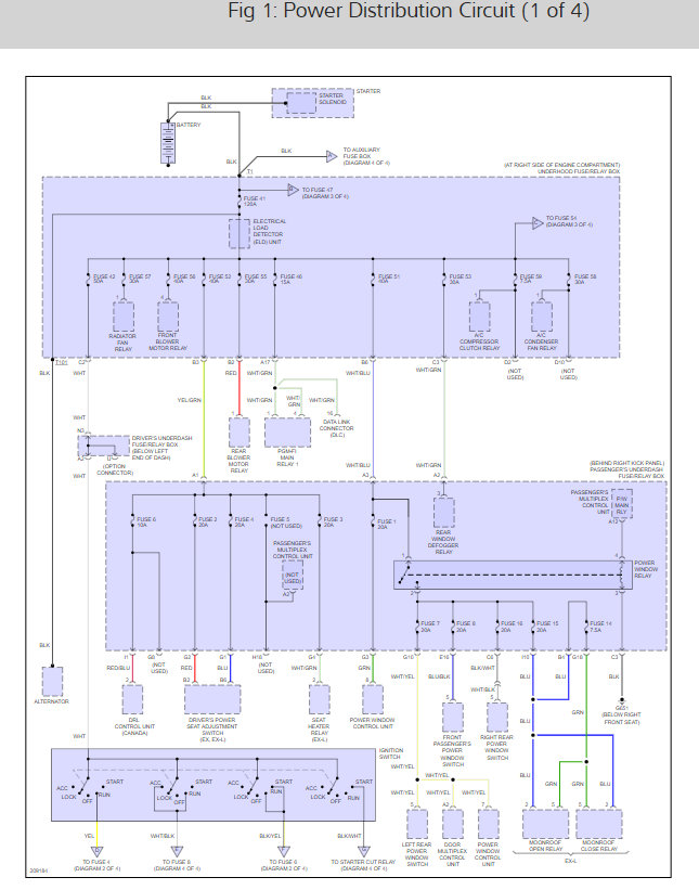
I had a thought it could be the ignition switch going out. Here is a guide and the wiring diagrams so you can test through the switch when you are having the problem:

https://www.2carpros.com/articles/how-to-use-a-test-light-circuit-tester

Check out the diagrams (below). Please let us know what happens.

Cheers

Nov 21, 2010 at 1:31 AM
Advertisement
Avatar
GMCDRIVER
  • MEMBER
  • 1 POST
I had this problem with my car and the dealer replaced the ignition switch. No more problems.
May 8, 2018 at 12:41 PM