Hello!
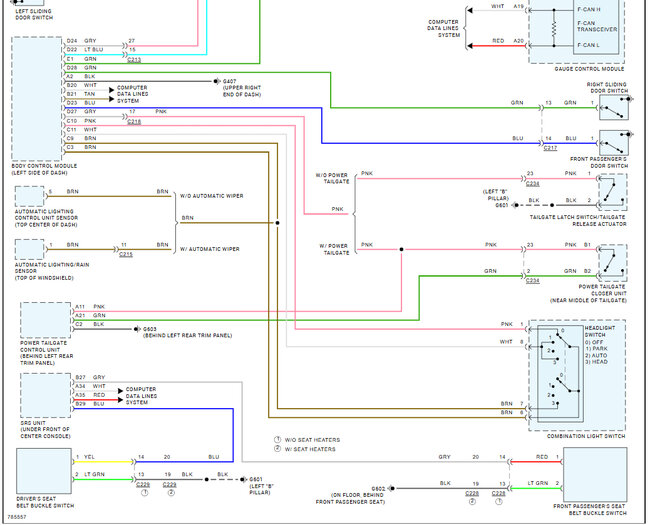
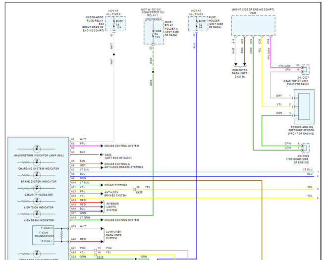
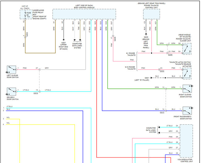
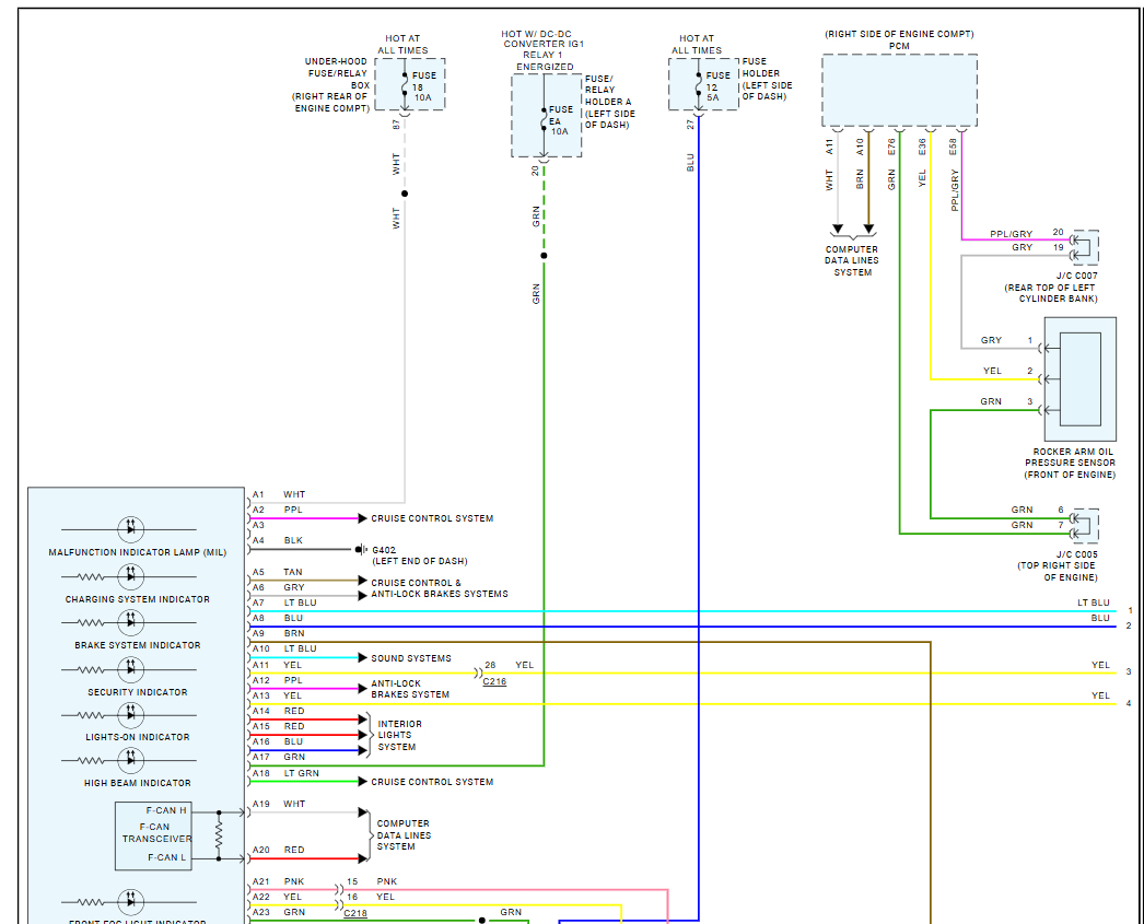
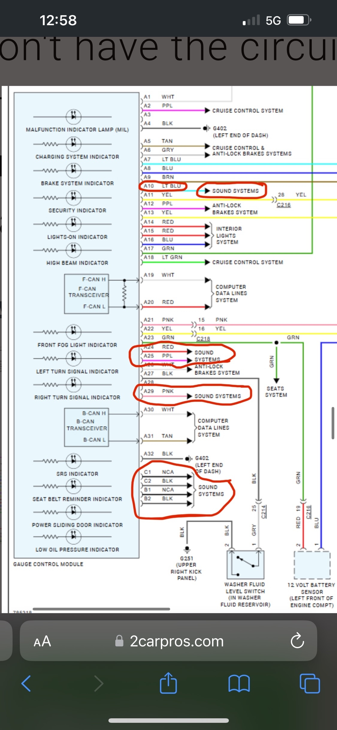
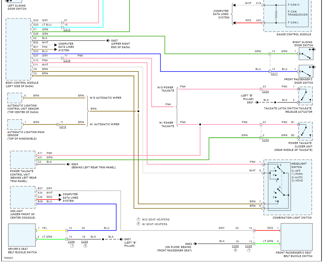
I have the vehicle listed above Touring that the turning signal, hazard lights and also back up camera alert sounds all don’t function!
I’m assuming it’s a problem with a fuse, but I’m not sure as I don’t have schematics!
Any help would be appreciated!
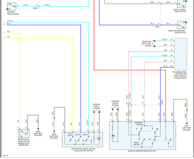
I have the vehicle listed above Touring that the turning signal, hazard lights and also back up camera alert sounds all don’t function!
I’m assuming it’s a problem with a fuse, but I’m not sure as I don’t have schematics!
Any help would be appreciated!
Nov 12, 2024 at 8:04 AM































