brake lights not working?

2003 HONDA ODYSSEY
75,000 MILES • 6 CYL • FWD • AUTOMATIC
Avatar
SADEEP
  • MEMBER
  • 1 POST
brake lights won't work even though bulbs and fuses have been replaced. the only break light that works is the one in the rear window.
Oct 20, 2008 at 6:02 PM
Advertisement
Avatar
KHLOW2008
  • CERTIFIED EXPERT
  • 41,814 POSTS
Hi sadeep,

If the high mount brake light works, there is nothing wrong with the brake circuit. You need to check the bulb socket, bulb and wire circuits.

This guide can help us fix it

https://www.2carpros.com/articles/brake-lights-not-working

The bulbs are doulble filament and most of the time the wrong type is used. Secondly the contacts are only small wires and tends to run out of position when installing.
Nov 29, 2008 at 8:24 AM
Avatar
GHOUDA
  • MEMBER
  • 1 POST
What would cause 2 lower brake lights to not work, but the third on top does? Bulbs are fine, fuses are fine.
Dec 8, 2020 at 7:50 AM (Merged)
Advertisement
Avatar
KASEKENNY
  • CERTIFIED EXPERT
  • 18,907 POSTS
This goes through both relay boxes. One on the driver side and the other on passenger side. I highlighted the wiring that we need to test. However, I would just take a test light and go to one of the tail lights and check the power there. Then trace it back through the vehicle.

Here is a guide that will help do this:

https://youtu.be/Hlna_kUt7As

The high mount brake light has its own fuse and direct feed from the brake switch. So we need to test this with a test light to find where we have power and then we will know what the issue is. Thanks
Dec 8, 2020 at 7:50 AM (Merged)
Avatar
STEVE W.
  • CERTIFIED EXPERT
  • 15,113 POSTS
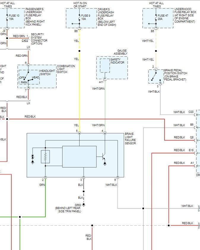
The lights are powered through two separate circuits. The CHMSL light is a direct feed from the brake light switch which shows the switch, fuse and it's wiring is good. However the body mounted lights use a feed from the switch that goes to the brake light failure sensor. That is fed from a different fuse (fuse 9) and controls the lights based on the power and the brake switch position. To test the system you need to access the brake light sensor. It is located behind the drivers side rear trim panel just inside the rear hatch. The first test is to unplug the connector on the module, then turn on the key, the light in the dash should stay off. Next with the connector unplugged you can take a test light and check for power at the Yellow wire on pin 5 with the key on then with the brake pressed test for power at the White w/black stripe wire on pin 6 If you have power on both of those the next test is to check the ground wire on pin 3, To check it you can use the test light and connect it between pins 5 and 3. With the key on it should light, if it doesn't the Black ground wire to the chassis is corroded or broken. The last test is to use a jumper wire between the Yellow wire on pin 5 and the Green wire on pin 2, with the key on the lower brake lights should come on if the wiring to them is OK. If those tests all show the various things as they are supposed to be the light warning module is bad and needs to be replaced. Or if you don't really care to know if there is a brake light problem you could replace it with a simple relay connect up as a replacement. For that you could wire a relay as shown in the last image. That would take the switch signal and turn on the relay which would then close the circuit for the brake lights. However you would lose the light warning on the dash.
Dec 8, 2020 at 7:51 AM (Merged)
Avatar
LUVAL
  • MEMBER
  • 1 POST
i have check my light bulb, fuses and brake switch, and still my stop lights do not work .
Dec 8, 2020 at 7:51 AM (Merged)
Avatar
RICHZOMBIE
  • CERTIFIED EXPERT
  • 173 POSTS
brake circuit also runs through turn signal switch. if fuses, bulbs and brake light switch are all good along with the wiring to them then suspect faulty turn signal switch.
Dec 8, 2020 at 7:51 AM (Merged)
Avatar
KHLOW2008
  • CERTIFIED EXPERT
  • 41,814 POSTS
Hi luval,

Did you test for battery voltage at the brake switch?
Dec 8, 2020 at 7:51 AM (Merged)
Avatar
4BLESSINGSHP4MOR
  • MEMBER
  • 1 POST
I just replaced both brake lights and they are STILL not working. What do I check nxt. I already checked the fuse.
Dec 8, 2020 at 7:51 AM (Merged)
Avatar
KHLOW2008
  • CERTIFIED EXPERT
  • 41,814 POSTS
Hi 4blessingshp4mor,

Check the brake switch.

Can you shift into gear while pressing the brakes? What if you don't press the brakes?

If yes and no, the brake power supply circuit is ok. Check the bulbs again, are they of correct type and size and seated properly? Are the sockets getting power supply when brake pedal is depressed?
Dec 8, 2020 at 7:51 AM (Merged)