Turn signals and hazards not working

2000 HONDA ODYSSEY
126,650 MILES • 6 CYL • FWD • AUTOMATIC
Avatar
BLEUJAEGEL
  • MEMBER
  • 2 POSTS
All of our turn signal and hazard lights suddenly stopped working.
May 24, 2008 at 10:59 AM
Advertisement
Avatar
RASMATAZ
  • CERTIFIED EXPERT
  • 75,992 POSTS
This sounds like a fuse or the turn signal flasher here is a guide to help you test the fuses and the location of the flasher unit which is under the dash on the drivers side.

https://www.2carpros.com/articles/how-to-check-a-car-fuse

and

https://www.2carpros.com/articles/how-to-use-a-test-light-circuit-tester

See where you are losing power.


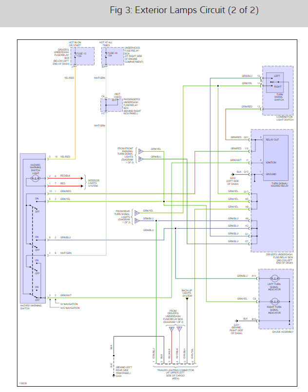
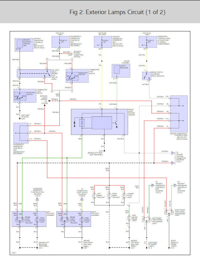
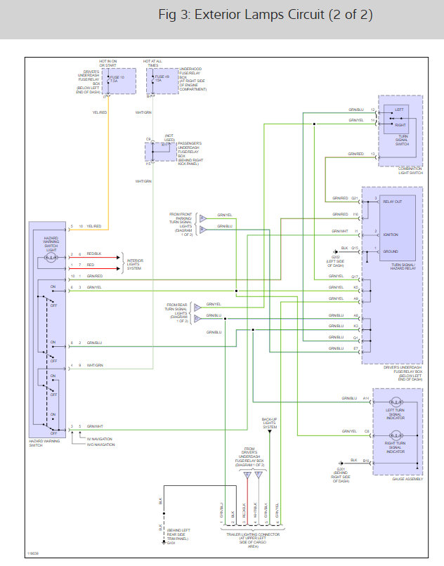
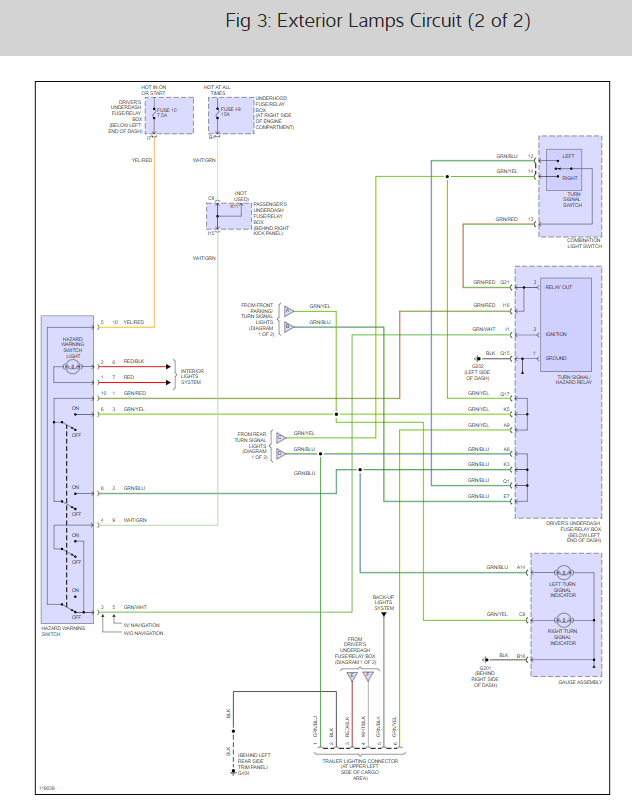
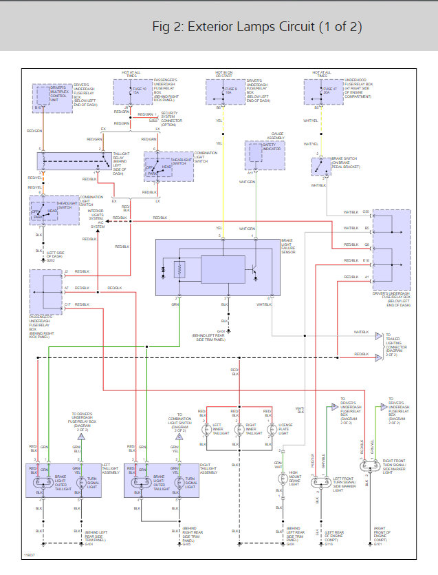
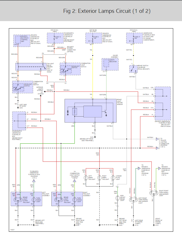
Check out the diagrams (Below). Please let us know what you find.

Cheers
May 24, 2008 at 11:10 AM
Avatar
BLEUJAEGEL
  • MEMBER
  • 2 POSTS
Thanks you it was the flasher I got a new one for $43.00 works perfect thanks a bunch I love this site.
May 24, 2008 at 12:11 PM
Advertisement