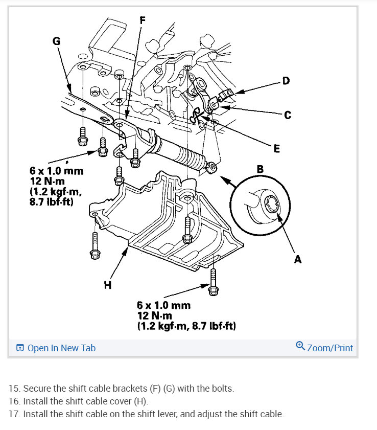
Hi,
Just bought the car listed above EXL.
1) After parking - most of the times, keys is stuck and wont come out. the shifter also gets locked. I can turn on the vehicle though and after manually unlocking the shifter and starting the car. all those things not happen.. But after some times issues again come back. Checked the fuses 5, 10 and 17..seems fine. Parking light comes on no issues.. Cruise control works but switch which engages cruise control does not hold ON.
2) AC generally works well in cool weather. but in hot weather it really does not cool up to the same extent. Checked the refrigerant..was kind of in the middle levels (green zone).
Just bought the car listed above EXL.
1) After parking - most of the times, keys is stuck and wont come out. the shifter also gets locked. I can turn on the vehicle though and after manually unlocking the shifter and starting the car. all those things not happen.. But after some times issues again come back. Checked the fuses 5, 10 and 17..seems fine. Parking light comes on no issues.. Cruise control works but switch which engages cruise control does not hold ON.
2) AC generally works well in cool weather. but in hot weather it really does not cool up to the same extent. Checked the refrigerant..was kind of in the middle levels (green zone).
Jul 6, 2019 at 11:52 PM






