Passenger-Side Door Lock Control

2007 HONDA CRV
Avatar
KSACZAR
  • MEMBER
  • 2 POSTS
The door lock at the passenger side is not working. The passenger cannot lock the the rest of doors if the driver stepped out from the car. Is there any way I can connect the lock of the passenger door to the central system?
Apr 18, 2009 at 1:40 AM
Advertisement
Avatar
KHLOW2008
  • CERTIFIED EXPERT
  • 41,814 POSTS
Hi ksaczar,

System is simple, from driver side switch, splice 2 wires and link it to a position where it is easy to access by the passenger side or any other easily accessible position and for the 3rd wire, ground it to body. Switch must be ON-OFF-ON type. It sounds like the door lock actuator is out but tobe sure here is a guide to help test it.

https://www.2carpros.com/articles/how-to-use-a-test-light-circuit-tester

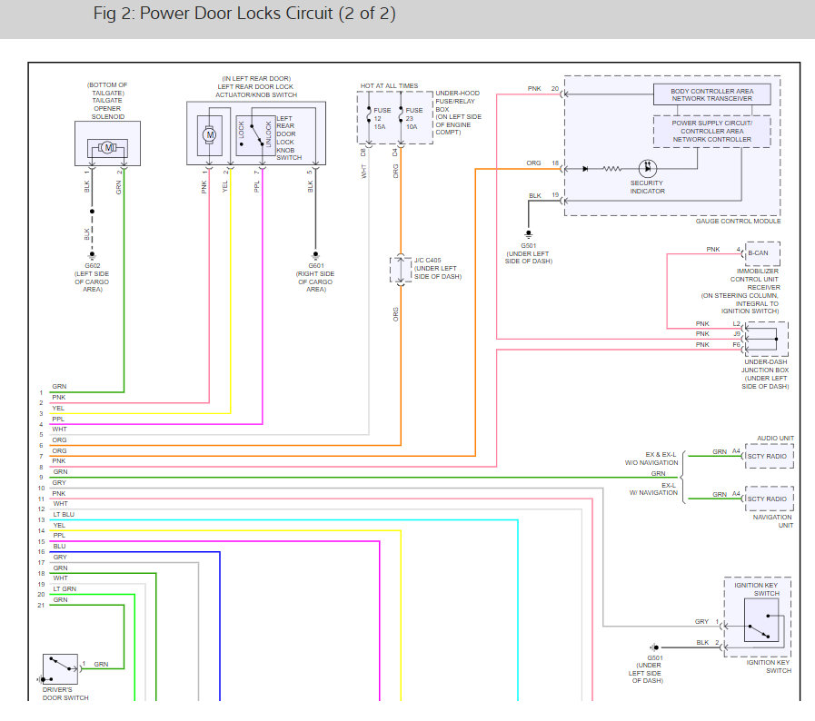
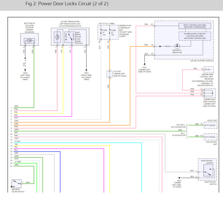
Here is the door lock wiring diagrams so you can see how the system works. Check out the diagrams (Below). Please let us know what you find. We are interested to see what it is.


Apr 22, 2009 at 2:17 PM
Avatar
KSACZAR
  • MEMBER
  • 2 POSTS
Thanks a million Kholw,

It was the lock actuator cost me $78.00 for a new one all fixed! I love this site.

May 3, 2009 at 5:16 AM
Advertisement
Avatar
KHLOW2008
  • CERTIFIED EXPERT
  • 41,814 POSTS
Nice work, we are here to help, please use 2CarPros anytime.
May 3, 2009 at 7:02 AM
Avatar
XFAHONDA2004
  • MEMBER
  • 5 POSTS
My 2004 Honda CR-V has a jammed front left door. How can I repair it since it is very spendy?
Nov 12, 2019 at 11:34 AM (Merged)
Avatar
KHLOW2008
  • CERTIFIED EXPERT
  • 41,814 POSTS
Hi xfahonda2004,

How is the door jammed?
Do you mean the door peners are not working?
Do you feel any resistance when pulling at the openers?
Nov 12, 2019 at 11:34 AM (Merged)
Avatar
XFAHONDA2004
  • MEMBER
  • 5 POSTS
I inserted my key to the lock and the key could not turn aroud to open the door. I assume that it is the door lock is jammed and do not know what to do.
Nov 12, 2019 at 11:34 AM (Merged)
Avatar
KHLOW2008
  • CERTIFIED EXPERT
  • 41,814 POSTS
It can be the key cylinder that is stuck or a faulty door lock actuator.

Are you able to manually release the door lock tab from inside?
Does the central locking control unlocks it?

Whatever the problem, you would have to get the door panel off to release the latch.
Nov 12, 2019 at 11:34 AM (Merged)
Avatar
XFAHONDA2004
  • MEMBER
  • 5 POSTS
Inside, no problem, outside from the right side door control, no problem, only the key cannot be turned in the lock. it is dead. i tried to lubricate the socket, it still refuses to work. The locksmith said that it would cost at least $250 to take down the door and fix the lock. I wonder whether I can just have a remote control so that one stone can hit two birds if the remote can work well. Thank you for the answer.
Nov 12, 2019 at 11:34 AM (Merged)
Avatar
KHLOW2008
  • CERTIFIED EXPERT
  • 41,814 POSTS
If vehicle is equipped with central locking then you can get an aftermarket alarm system to activate the actuator.

If vehicle is not equipped with alarm, then you would have to remove the door panel to install the actuator.

Check if there is anything lodged in the key cylinder. Compressed air would help to clear them after spraying some WD40 into it.

What if you remove the door key cylinder and check the cylinder yourself or send it to the locksmith to be repaired?

I can try to get the information for removing the door panels and the key cylinder.
Nov 12, 2019 at 11:34 AM (Merged)
Avatar
XFAHONDA2004
  • MEMBER
  • 5 POSTS
Master,
Looks like we are now narrowing downing the problems. I tried the WD4 and air but still it refuses to work. I would try your door panel suggestion and take it down and have a check myself. I need your help for the process and estimate of time so that I can have it done by blocking a certain period of time. It would be a great experience for me and I can show my friends how great your web advise is.

Thanks.
Nov 12, 2019 at 11:34 AM (Merged)
Avatar
KHLOW2008
  • CERTIFIED EXPERT
  • 41,814 POSTS
I sent some files to you for the removal of the door panel and outrer handle which is where the key cylinder is.

You need only remove the key cylinder to test and if you are adventourous enough, you might be able to do the repair yourself. However the key cylinder requires some patience and special tools to disassemble and might require a locksmith to get it repaired.

The labor time is listed at 0.7 hour.
Nov 12, 2019 at 11:34 AM (Merged)
Avatar
XFAHONDA2004
  • MEMBER
  • 5 POSTS
thank you very much for the info and i will tell you the result.

love you.
Nov 12, 2019 at 11:34 AM (Merged)
Avatar
KR8060
  • MEMBER
  • 1 POST
drivers door lock is stuck u/a to shut door at all. u/a to push down by hand on lock but it will w/ the key only if the door is held open, all other locks work fine by fob & key.
Nov 12, 2019 at 11:34 AM (Merged)
Avatar
KHLOW2008
  • CERTIFIED EXPERT
  • 41,814 POSTS
Hi kr8060,

Unless the Driver door latch catches or you need to pull the door opener, if not its lock knob cannot be pushed down. That is the safety feature to prevent accidental locking of door when closing.

If the latch is not catching, you need to repair/replace the latch assy.
Nov 12, 2019 at 11:34 AM (Merged)
Avatar
MWEEGNER
  • MEMBER
  • 1 POST
remote only locks and unlocks driver door
Nov 12, 2019 at 11:34 AM (Merged)
Avatar
CJ MEDEVAC
  • CERTIFIED EXPERT
  • 11,004 POSTS
other than stuff i've seen with other cars--i won't be much help

myself---i have not had door locks since i have been driving (began in 1981--i drive real jeeps)

i did finally get figured out that in order to unlock all on my wife's '03 ford escape doors---you gotta push the button twice (then i learned it was a feature to allow only the driver's door to open 1st push---and keep "chester the molester" from jumping in, too, on the other side)

then there's them youngin' keep in-ers that are on the hidden part of the doors, when "tripped", they prevent you from opening the door from the inside using the handle.i borrowed it once, and my 2 pals had to climb thru the front, before i got that feature figured out!

this part here is just a possibility--never tried this---some rigs will let you lock out the windows etc from the driver's controls. maybe if engaged, it might affect the remote control?

other than maybe reading the owners manual, i was able to get you a diagram of the system. this might show you something common with the other doorsa relay etc

let me know if you cannot read the diagram

another helpful source i use a lot for any problem or want more info.(presently learning more about the canon t3 camera wifey got me for christmas.a big jump from sketching stick people for a family portrait) i started a search for you (you'll see it in the box up top). change the words, you may get better results---like: remote. fob. power locks. etc etc
good luck

the medic
Nov 12, 2019 at 11:34 AM (Merged)
Avatar
RUBIX
  • MEMBER
  • 2 POSTS
Hello, so today I got into my car, locked it when I started driving and when I parked and unlocked my doors to get out, the driver side door wouldn't open, no matter how many times I hit the unlock button for all the doors. I got out through the passenger side and and unlocking the door from the outside with no luck. When I hit the unlock button, I can see that the driver side door makes an attempt at unlocking but gets stuck halfway through.
Nov 12, 2019 at 11:34 AM (Merged)
Avatar
KHLOW2008
  • CERTIFIED EXPERT
  • 41,814 POSTS
Hi rubix,

The driver door lock actuator is faulty causing the problem. You need to rremove the door panel to get at the actuator.
Nov 12, 2019 at 11:34 AM (Merged)
Avatar
RUBIX
  • MEMBER
  • 2 POSTS
The lock is stuck in the lock position, how do I get the door open so I can remove the door panel?
Nov 12, 2019 at 11:34 AM (Merged)
Avatar
HONDA TECH 1818
  • CERTIFIED EXPERT
  • 536 POSTS
You just have to remove the door panel with the door close. It may be hard but the door panel can be remove with the door close. The door panel may crack or break during removal, so you have to be very careful.
Nov 12, 2019 at 11:34 AM (Merged)