☰
Login
Join
×
Home
Answered Questions
Repair Topics
Repair & Service Guides
Popular Questions
Warning Lights
Trouble Codes
How It Works
Testing / Diagnostics
Symptoms
Videos
Login
Become a Member
Home
Honda
Civic
Brakes
Pads
Front
need to do a front brake job
2008 HONDA CIVIC
54 MILES • 6 CYL • 2WD • AUTOMATIC
BRYAPILADO
MEMBER
1 POST
FOLLOW
i recently hit a curb and it made a dent in front of my car then my brake warning light came on so I need to do a brake job.
May 26, 2008 at 4:18 AM
Advertisement
DANNY L
CERTIFIED EXPERT
5,648 POSTS
Hello, I'm Danny.
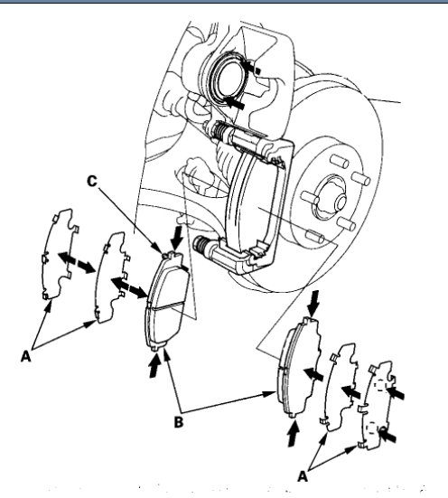
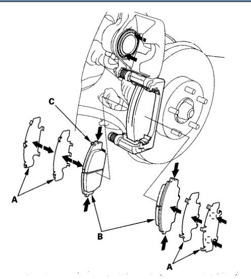
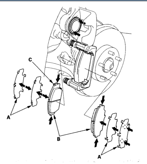
Here is the information you requested. This is a tutorial showing what is involved on how to change front brake pads and brake rotors.
https://www.2carpros.com/articles/how-to-replace-front-brake-pads-and-rotors-fwd
I've attached picture steps below on how to change the front brake pads and rotors on your car. Hope this helps and thanks for using 2CarPros.
Images (Click to enlarge)
Mar 16, 2021 at 11:02 AM