timing belt

2005 HONDA CIVIC
80,000 MILES • 4 CYL • FWD • AUTOMATIC
Avatar
MARIOVICKIE8478
  • MEMBER
  • 1 POST
how to replace timing belt?
Oct 5, 2008 at 4:45 PM
Advertisement
Avatar
BRUCE HUNT
  • CERTIFIED EXPERT
  • 3,754 POSTS
Hello,

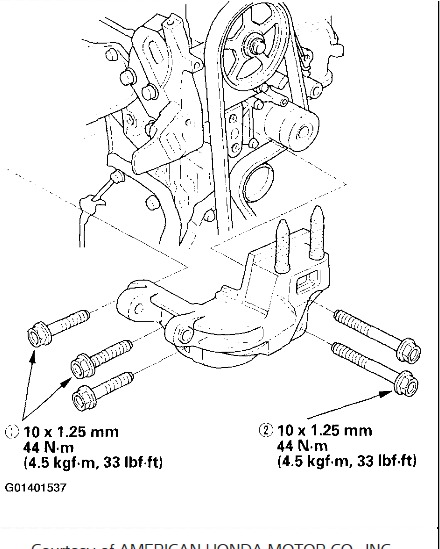
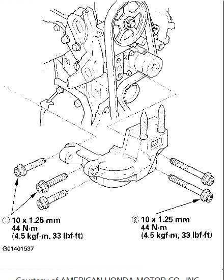
You must use a jack under he engine to hold it up, please disconnect the battery before you begin here are instructions of the timing belt replacement in the diagram below. Check out the diagrams (Below). Please let us know if you need anything else to get the problem fixed.
Oct 6, 2008 at 11:17 AM
Avatar
ESSAUTOMOTIVE2015
  • MEMBER
  • 1 POST
I am having trouble timing my Honda! we just replaced the head in it and now I have the new timing belt in but am stumped!
Jan 5, 2020 at 5:38 PM (Merged)
Advertisement
Avatar
HMAC300
  • CERTIFIED EXPERT
  • 48,601 POSTS
see pics also turn engine over after crank pulley installed 5/6 times then recheck cam pulley.

https://www.2carpros.com/diagrams/honda/civic/2004

Check out the diagrams (Below). Please let us know if you need anything else to get the problem fixed.
Jan 5, 2020 at 5:38 PM (Merged)
Avatar
ROCKET931
  • MEMBER
  • 1 POST
Other Category problem
2002 Honda Civic 4 cyl Wheel Drive Type unknown Automatic 115,00 miles
----------------------------------------------------------------
I'm checking on prices for a timing belt. On the average the price is at an average of $20.00. My mechanic is charging me $650 to replace my timing belt. I know the average for something like this is $500.
Jan 5, 2020 at 5:38 PM (Merged)
Avatar
TOPGUN1226
  • MEMBER
  • 29 POSTS
I was quoted about 650 for Honda to do the timing belt, the other belt (I think it's the serpentine, not sure on Hondas), and water pump/coolant.

I also got a 10% off coupon from the sales guy because I was like, well, 650 is a lot, there's a garage nearby that is considerably less, but I want you to fix it since I know it'll get done right... so he gave me a 10% discount.
Jan 5, 2020 at 5:38 PM (Merged)
Avatar
RKG_007
  • MEMBER
  • 3 POSTS
Other Category problem
2002 Honda Civic Engine Size unknown Wheel Drive Type unknown Manual 90000 miles
----------------------------------------------------------------
I want to buy a used car?I wana know generally when should the timing belt/chain be replaced for honda,toyota,nissan?

I am looking at this 2002 civic with 90K miles...does it need the belt to be replaced?

whats the general criteria for hondas,toyotas n nissans(1998 n after)..90K/105K miles or 6/8 years?

Pls advise.
Jan 5, 2020 at 5:38 PM (Merged)
Avatar
MASTERTECHTIM
  • CERTIFIED EXPERT
  • 4,750 POSTS
rule of thumb is 60,000 but no more than 100,000 hope this helps. feedback is much appreciated.
Jan 5, 2020 at 5:38 PM (Merged)
Avatar
RKG_007
  • MEMBER
  • 3 POSTS
I did some googling...it says..for newer hondas..its 105K miles...n so i am confused..(the car is not used in extreme conditions)

and how about for cars with timing chain? and for those which are like 98-00 model but less mileage approx 50-70K miles?
Jan 5, 2020 at 5:38 PM (Merged)
Avatar
TOPGUN1226
  • MEMBER
  • 29 POSTS
Timing chains don't need to be replaced. Timing belts were implemented to make it cheaper and keep costs down, chains are expensive.
Jan 5, 2020 at 5:38 PM (Merged)
Avatar
SANAHAN
  • MEMBER
  • 1 POST
Engine Performance problem
2002 Honda Civic 4 cyl Front Wheel Drive Automatic
----------------------------------------------------------------
my civic has 555000 km with second motor.since i change second motor i put 250000 km.engine compression readings are 180 180 180 150.do i have to replace the motor again?because i have not done the timing belt or water pump yet.please help me to choose which is bwst option for me.i klick 300 km every day.thanks
Jan 5, 2020 at 5:38 PM (Merged)
Avatar
KHLOW2008
  • CERTIFIED EXPERT
  • 41,814 POSTS
Hi sanahan,

Wow, you really are a high flyer ;)

With your amount of travel, I would say a new motor is the better option and the job can be completed faster than a rebuild.
Jan 5, 2020 at 5:38 PM (Merged)
Avatar
SASQUACH60
  • MEMBER
  • 1 POST
what is the average cost of a timing belt replacement
Jan 5, 2020 at 5:38 PM (Merged)
Avatar
MMPRINCE4000
  • CERTIFIED EXPERT
  • 8,548 POSTS
Anywhere from 3-6 hours labor plus parts. Depends if you replace the tensioner along with belt.
So find the shop hourly rate, belt is around $30 and tensioner is $110, the shop would probably mark it up some (or a lot). You could be looking at $400-700.

It is also important that the belt is changed before the maximum interval, Honda's are interference engines, if belt breaks, you can be looking at a MAJOR expense.

ps. Does it have 95K or 950K miles :)
Jan 5, 2020 at 5:38 PM (Merged)
Avatar
RACEFAN966
  • CERTIFIED EXPERT
  • 5,029 POSTS
Ok here is what I found. Now keep in mind I am including replacing the cam and crankshaft seals as the only difference it the price in part as you are already there at this time so the labor don't change but a about 20 dollars or so ok.
Labor comes to around $255
parts are as follows Belt at $22 dollars and the seals are cam seals at about $5 and the crank seal at $8. The only things that might add to the cost is if any of the idles or the tensioner is bad and if you are going to replace any of the fan belts as this will cost no more in labor either because they must come off to do the job so they are only more in parts. Hope this helps. Thanks.
Jan 5, 2020 at 5:38 PM (Merged)
Avatar
VIKRAMSNEST
  • MEMBER
  • 1 POST
Hi ,
I have Honda civic lx 2002. Engine: 1.7L I4 MPI.
1) Does this car have a timing belt or chain,
2)When should i replace my timing belt and water pump.
3)cost for this.
Jan 5, 2020 at 5:38 PM (Merged)
Avatar
WRENCHTECH
  • CERTIFIED EXPERT
  • 20,761 POSTS
It does have a timing belt. The recommended change interval for that engine is 110K under normal conditions.
The labor to replace the belt is 2.7 hours and maybe an extra hour for the water pump. The parts could run a couple hundred dollars.
Jan 5, 2020 at 5:38 PM (Merged)
Avatar
BPBICK
  • MEMBER
  • 1 POST
Does a 2002 Honda Civic EX 4 door sedan have a timing belt or chain? I'm considering purchasing a used Civic with 140,000 miles on it.
Jan 5, 2020 at 5:38 PM (Merged)
Avatar
MHPAUTOS
  • CERTIFIED EXPERT
  • 31,937 POSTS
Hi there,

This engine has a timing belt, it should have been changed at 110,000 Mls.

mark (mhpautos)
Jan 5, 2020 at 5:38 PM (Merged)
Avatar
PITCREW94
  • MEMBER
  • 18 POSTS
This civic have timming Belt.. It should be replace 90,000 Miles.
Jan 5, 2020 at 5:38 PM (Merged)
Avatar
SHINNERYOAK
  • MEMBER
  • 1 POST
I'm pretty are my timing belt went out on my civic while I was driving it, I've heard there's a good possibility this could have messed up the engine, I want to know what the odds are that the engine is ruined?
Jan 5, 2020 at 5:38 PM (Merged)
Avatar
HMAC300
  • CERTIFIED EXPERT
  • 48,601 POSTS
the engine wouldn't be ruined just bent some valves and if the timing belt broke you did
Jan 5, 2020 at 5:38 PM (Merged)
Avatar
HARDLYMOVING
  • MEMBER
  • 3 POSTS
My camshaft pulley moved during belt installation. Now I'm trying to align the crankshaft pulley marks with the camshaft pulley notches. The Crankshaft pulley has 4 notches: 3 that are close together with a red mark in between the two. Then to the right of the 3 notches about a 1/4 inch away is one notch by itself. Which notch should I line up with the belt cover V notch to get the engine to TDC before removing the crankshaft pulley for a belt replacement? Isn't the red mark BTDC? Shouldn't I align with notch on the right for TDC? Also, what do I line up the Camshaft pulley sprocket arm labeled 'UP'? There a two notches 180 degrees apart. 90 degrees left and 90 degrees right from the UP label. Should these notches be parallel with the ground? Thanks in advance.


https://www.2carpros.com/forum/automotive_pictures/409740_DSC00394_1.jpg


https://www.2carpros.com/forum/automotive_pictures/409740_DSC00392_2.jpg

Jan 5, 2020 at 5:39 PM (Merged)
Avatar
BMRFIXIT
  • CERTIFIED EXPERT
  • 19,053 POSTS
hope this help let us know if need more or you have more questions


https://www.2carpros.com/forum/automotive_pictures/99387_Graphic1_507.jpg


https://www.2carpros.com/forum/automotive_pictures/99387_Graphic2_246.jpg


https://www.2carpros.com/forum/automotive_pictures/99387_Graphic3_112.jpg

Jan 5, 2020 at 5:39 PM (Merged)
Avatar
HARDLYMOVING
  • MEMBER
  • 3 POSTS
I moved the crankshaft pulley to the rightmost mark which according to the diagram is TDC. After doing this, my right camshaft pulley mark IS aligned with the "Top Edge Of Head"... however, the left is noticeably lower if you look at my photo. But since the diagram's "UP" sprocket arm appears to be in center line with the camshaft pulley bearing cap behind the pulley and mine is not, i figure retarding the camshaft pulley one cog clockwise will center the pulley's UP arm and bring up the left side camshaft sprocket mark. This, unfortunately, will drop the right mark below the "Top Edge Of Head".

Any thoughts or suggestions?
Jan 5, 2020 at 5:39 PM (Merged)
Avatar
BMRFIXIT
  • CERTIFIED EXPERT
  • 19,053 POSTS
Sorry I’ve never ran to a problem like the one you having <
the only thing I can think of is that the head is a bit tilted and if you can jack it up so you can have a better look get a straight edge and place on the head touching the pulley to give you a better look as to where it is for real

good luck
Jan 5, 2020 at 5:39 PM (Merged)
Avatar
HARDLYMOVING
  • MEMBER
  • 3 POSTS
The picture diagram is incorrect. The Camshaft marks are one cam gear tooth below the top of the head. No big deal ... got the engine timing down pat.
Jan 5, 2020 at 5:39 PM (Merged)
Avatar
RUSSELLBELLAMY
  • MEMBER
  • 1 POST
My Civic has nearly 90000 mi. on it. I live in the San Joaquin Valley of California (100 degrees in Summer)

When should I change the timing belt?
Jan 5, 2020 at 5:40 PM (Merged)
Avatar
RASMATAZ
  • CERTIFIED EXPERT
  • 75,992 POSTS
If I were you change it now-see below


https://www.2carpros.com/forum/automotive_pictures/12900_timing_belt_5.jpg

Jan 5, 2020 at 5:40 PM (Merged)
Avatar
JON BYERS
  • MEMBER
  • 1 POST
When should I have the timing belt changed? I have been told by several other owners that they changed for the first time as late as 200k miles.

Thank you.
Jan 5, 2020 at 5:40 PM (Merged)
Avatar
ASEMASTER6371
  • CERTIFIED EXPERT
  • 52,796 POSTS
I recommend hondas at 110,000. the book calls for 100k in severe driving and 125 with easy driving.

do not wait as it will cost you lots if it breaks. you may bend valves.

Roy
Jan 5, 2020 at 5:40 PM (Merged)
Avatar
2CP-ARCHIVES
  • MEMBER
  • 4,540 POSTS
I recently went to have my tires rotated. They showed me a huge wear problem on the inside of the rear tires. They said that it is the "cam arms" and fittings and that they need to be replaced at a cost of about $1000.
I also recently got new brake pads.
Could there be a problem where they are related?
Is the cam arm being out of alignment a common problem on Hondas?
Should I get a second opinion?
Jan 5, 2020 at 5:49 PM (Merged)
Avatar
ASEMASTER6371
  • CERTIFIED EXPERT
  • 52,796 POSTS
absolutely a second opinion to make you feel better about the diag.

the bushings can be replaced without the arms for much cheaper.

no relation to the other repair

Roy
Jan 5, 2020 at 5:49 PM (Merged)
Avatar
RCAUTO
  • MEMBER
  • 1 POST
I can't view any of the images for the timing belt diagrams. I have no problem viewing images from any other website on the internet. Please look into this as this is the only reason I signed up with you to begin with.

Neil
Jan 5, 2020 at 5:49 PM (Merged)
Avatar
RIVERMIKERAT
  • CERTIFIED EXPERT
  • 6,110 POSTS