Alarm problems?

2004 HONDA CIVIC
85,000 MILES • 1.6L • 4 CYL • 2WD • MANUAL
Avatar
BRADIX
  • MEMBER
  • 9 POSTS
My car's key-less entry lock horn confirmation was suddenly put into silent mode. When I press the lock button on my remote, the car will lock and flashes the turn signals three times. But when I press the lock again, the confirmation lock horn honk was gone as it was supposed to honk after pressing the remote lock button twice. Even the seat belt reminder was in silent when driving at certain speed, does not beep anymore, but beeps by the time I put the key on the ignition.. How can I reactivate these features back to its factory default?

Thank you very much in advance.
May 4, 2018 at 1:41 AM
Advertisement
Avatar
STRAILER
  • CERTIFIED EXPERT
  • 53,854 POSTS
Hello,

To reset the system remove the negative battery cable for on hold it to the positive battery terminal this will discharge the capacitors and give the system a chance to hard reboot. Please let us know what you find. We are interested to see what it is.

Cheers, Ken
May 6, 2018 at 1:01 PM
Avatar
BRADIX
  • MEMBER
  • 9 POSTS
Thanks for the reply.

Hold them together for how many minutes/seconds?
May 7, 2018 at 7:55 AM
Advertisement
Avatar
STRAILER
  • CERTIFIED EXPERT
  • 53,854 POSTS
Two minutes should do it.
May 7, 2018 at 11:30 AM
Avatar
BRADIX
  • MEMBER
  • 9 POSTS
Thanks Ken, I will let you know if it works.
May 7, 2018 at 11:49 AM
Avatar
BRADIX
  • MEMBER
  • 9 POSTS
Would that turn back my warnings/reminders too, like that seat belt reminder when running at certain speed/distance?
May 7, 2018 at 11:51 AM
Avatar
STEVE W.
  • CERTIFIED EXPERT
  • 15,113 POSTS
Those items can sometimes be user selected as some people want them and others do not. A power reset should bring them back to the default settings.
May 8, 2018 at 9:23 AM
Avatar
BRADIX
  • MEMBER
  • 9 POSTS
Thanks, I will try it tomorrow.
May 8, 2018 at 9:33 AM
Avatar
STEVE W.
  • CERTIFIED EXPERT
  • 15,113 POSTS
Please let us know if it worked or not. Thank you.
May 8, 2018 at 3:11 PM
Avatar
BRADIX
  • MEMBER
  • 9 POSTS
Hi, I have tried it already, but it did not work, still in silent. Pressing the lock button once locked all the doors, pressing it twice. Do not have the horn honk confirmation, but I still hear the door locked. Please help.
May 13, 2018 at 2:34 AM
Avatar
STRAILER
  • CERTIFIED EXPERT
  • 53,854 POSTS
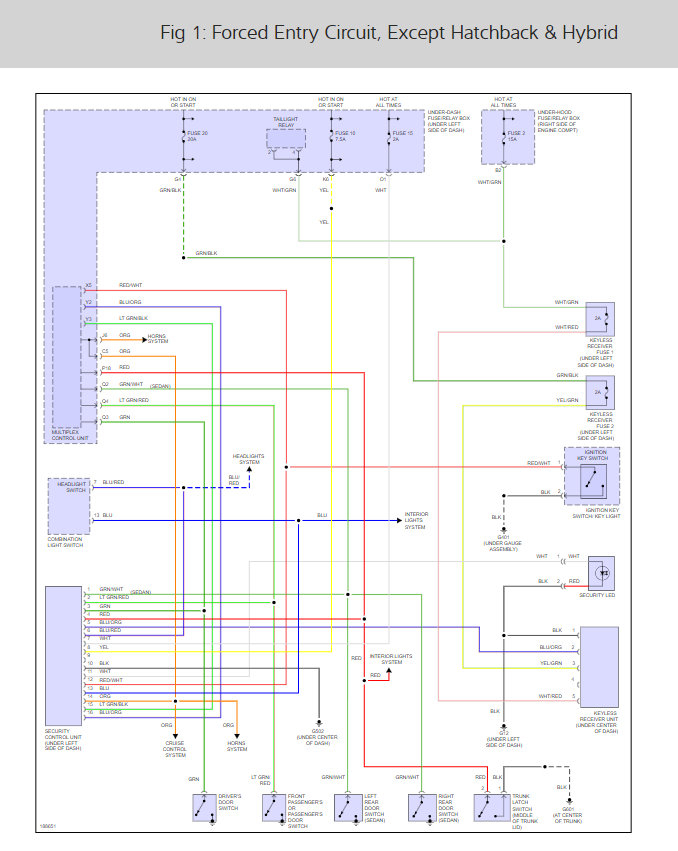
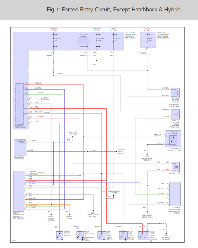
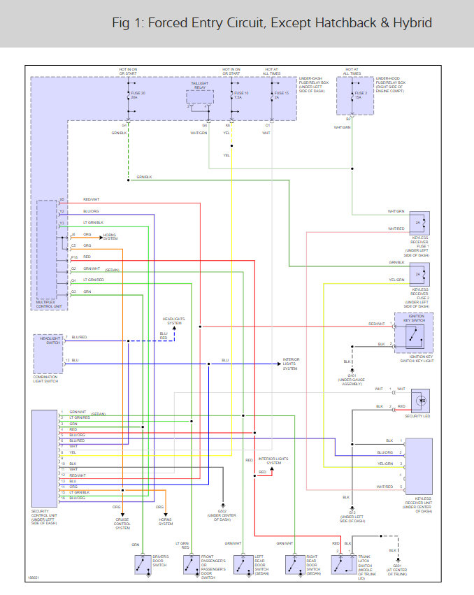
There are many fuses that run the system. Here is a security system wiring diagram so you can see each fuse and a guide to help you check them:

https://www.2carpros.com/articles/how-to-check-a-car-fuse

Check out the diagrams (below). Please let us know what happens.

Cheers, Ken
May 13, 2018 at 11:20 AM
Avatar
BRADIX
  • MEMBER
  • 9 POSTS
Which fuses would I check?
May 13, 2018 at 11:30 AM
Avatar
STRAILER
  • CERTIFIED EXPERT
  • 53,854 POSTS
20, 12, 10, 15, and 2 if they are all okay it sounds like the alarm module is going out which will need to be programmed by a shop. Can you see the fuses in the wiring diagram or are they too small to see?

Here is the module location. Check out the diagrams (below).

Cheers, Ken
May 14, 2018 at 9:42 AM
Avatar
STEVE W.
  • CERTIFIED EXPERT
  • 15,113 POSTS
One item I neglected to ask, does the horn work on its own when you hit the horn button?
May 14, 2018 at 6:48 PM
Avatar
BRADIX
  • MEMBER
  • 9 POSTS
Yes the horn works well.
May 14, 2018 at 8:33 PM
Avatar
BRADIX
  • MEMBER
  • 9 POSTS
I ended up disconnecting the harness of the security unit, central locking horn honk is now back again. but alarm disabled now. I guess it must have been disconnected the whole time after I got the car from the previous owner.
May 14, 2018 at 8:36 PM
Avatar
STEVE W.
  • CERTIFIED EXPERT
  • 15,113 POSTS
I doubt it was disconnected as you had to disconnect it to get the system to honk. More likely is that something in the alarm unit failed and was blocking the horn signal.
Or one of the inputs to the alarm failed and wasn't turning it fully off.
May 15, 2018 at 7:28 AM
Avatar
LBIGGY
  • MEMBER
  • 1 POST
2004 Honda Civic 60,000 miles

My keyless entry has been compromized by the sale of these new remotes..nothings ever stolen but they have vandalized my interior with metallic dust.
can I disarm the keyless remote system so that only my car key can open the doors ?
I considered a car alarm but they can lead to more pranks !
Oct 27, 2020 at 11:23 AM (Merged)
Avatar
TROTCH2
  • MEMBER
  • 3 POSTS
You need to get into the programming sequence to add the controlers to your car and enter in your remote 3 times as that should be the maximum spots the vehicle can retain, therefore the other ones are kicked out. As for the aftermarket alarm if you do decide to go with it(recommended)have your installer hook it up the factory arm and disarm wires aswell so it controls both systems at the same time.
Oct 27, 2020 at 11:23 AM (Merged)
Avatar
HONDAGIRLFLORIDA2003
  • MEMBER
  • 1 POST
I am having an issue with the driver side lock. When I use the remote keyless entry it doesnt unlock it. Sometimes, however, the keyless entry will work. It never works in my drive way. Sometimes it will work in other parking situations. My drive way has a slight inclne. So maybe its the incline when it won't work and when i park on a flat surface it works and the horn honks so I know the door has locked.

More than half the time I have to manuel lock the door. Which doesn't bother me, but I am wondering one day if i won't be able to get in my car. I have replaced the battery in the keyless entry with no luck.

I have read other poster's issues with it and read something about an acuator? (spelling not correct!) Does this have to be done by the dealer? I have tried WD-40 no luck.
Oct 27, 2020 at 11:24 AM (Merged)
Avatar
KHLOW2008
  • CERTIFIED EXPERT
  • 41,814 POSTS
Hi hondagirlflorida2003,

Tha actuator is the motor for locking and unlocking the door. If it is weak, it would tend to operare intermittently.

The part can be replaced by the normal shop but it is quite troublesome.
Oct 27, 2020 at 11:24 AM (Merged)
Avatar
DAVEHONDACIVIC
  • MEMBER
  • 2 POSTS
i have a 2003 honda civic type r, the factory alarm is doing it's best to ruin my sleep. The problem is when the temperature outside goes to -5 C the alarm goes off. My first thought was the battery, so it was changed and the new tested so all is good there. As I can't lock the car without the alarm activating I have a problem. Can you please help. Dave in the UK
Oct 27, 2020 at 11:24 AM (Merged)
Avatar
KHLOW2008
  • CERTIFIED EXPERT
  • 41,814 POSTS

Check the door and hood switches. When they have very little contact, cold weather can cause the switches to come in contact activating the alarm.


Oct 27, 2020 at 11:24 AM (Merged)
Avatar
DAVEHONDACIVIC
  • MEMBER
  • 2 POSTS
Will give it a try Many Thanks
Oct 27, 2020 at 11:24 AM (Merged)
Avatar
KHLOW2008
  • CERTIFIED EXPERT
  • 41,814 POSTS
You're welcome.

Ensure doors are correctly adjusted so as to provide sufficient closing distance for the switches. Check door switches for worn/bad rubber boot.
Oct 27, 2020 at 11:24 AM (Merged)
Avatar
JST3000
  • MEMBER
  • 5 POSTS
I recently installed a new engine for my 02 civic and everything was running perfect for 2 weeks. While driving the car it suddenly begin to die. I noticed the battery light blink quickly then turned off and the CEL came on "battery is red top optima". When attempting to accelarate the car acts like its not getting enough gas. Pulled over on the side of the road I start the car and it will idle roughly but my green key light coninues to blink while the car is running and of course the CEL remains on. My gauges such as heat and rpm do not work. Borrowed a code reader "AutoXray easy read 2000 OBD2" to pull some codes but with the key in the ii spot the reader is not getting a response from the ECM/PCM. I'm thinking my ECM is dead and I need a new one but I have a friend that works at honda and says he never had to change a ECM and to check my grounds. I checked all the grounds I could find so the ground from the battery to frame is good. Transmission to frame is good and the one on the thermostat to frame is good. I have undone and redone all of them and checked them with a continuity tester. Contacted my local honda dealer for parts and found there is a seperate unit for the immobilizer unit at the iginition and I'm wondering if this could be the cause. Any help is greatly appreciated.
Oct 27, 2020 at 11:24 AM (Merged)
Avatar
KHLOW2008
  • CERTIFIED EXPERT
  • 41,814 POSTS
Hi jst3000,

Use the spare key and see if the problem occurs. also use this guide to help disarm the system.

https://www.2carpros.com/articles/how-to-reset-a-security-system

Please run down this guide and report back.
Oct 27, 2020 at 11:24 AM (Merged)
Avatar
JST3000
  • MEMBER
  • 5 POSTS
I did try my other key and the issue still accurs...very consistant.
Oct 27, 2020 at 11:24 AM (Merged)
Avatar
KHLOW2008
  • CERTIFIED EXPERT
  • 41,814 POSTS
Hi jst3000,

Key not being the issue, if it is the immo that is causing the probelm, you have to get back to the dealership.

The immo control unit might be faulty.

The only thing you can do is check for loosely connected wires or a bad ground of the unit.
Oct 27, 2020 at 11:24 AM (Merged)
Avatar
JST3000
  • MEMBER
  • 5 POSTS
So it turns out the PCM/ECM was the cause. I purchased a used ECM from a junk yard out of a 03 Civic $77. After I installed it the car wouldn't turn over (immobilzer not giving it gas). I plugged in my old ECM dangling as I drove it 30 miles in limp mode (can't go over a certain RPM) to honda planet. All I requested was for them to program the ECM to my keys I already had the new ECM installed. That cost $100. Total $177. Not bad considering if I just had Honda do everthing it would have been $600 for ECM, 11/2 laber $150. So I hope that answers some peoples questions.
Oct 27, 2020 at 11:24 AM (Merged)
Avatar
KHLOW2008
  • CERTIFIED EXPERT
  • 41,814 POSTS
Hi jst3000,

Thanks for the input and feedback, it is very much appreciated.

:)
Oct 27, 2020 at 11:24 AM (Merged)
Avatar
JOHNDEERETECH
  • MEMBER
  • 2 POSTS
I have just replaced the head gasket on my 2002 civic lx 1.7L. I had the negative battery cable disconnected while doing the job and now the immobilizer light in the dash is flashing and engine will not start. Engine cranks fine and Im 100 percent positive the engine is in time. I have not gotten the key wet and do not understand why the car is not recognizing the same key that has been used for 5 years. My car also has a viper security system but I don't believe it is interfering. I know the immobilizer system is disabling the engine because I have no arc at the coils. Owners manual indicates that if this system is activated the engine will not receive fuel or ignition. Apparently the dealer is inept and has no clue what the car is doing unless I bring it in. Is there anything else I can do to get this car to bypass immobilizer without having it towed to the dealer? Thanks in advance.

Joe
Oct 27, 2020 at 11:24 AM (Merged)
Avatar
JOHNDEERETECH
  • MEMBER
  • 2 POSTS
I have found the problem. The ecu ground wire had no connection. Solved all of my problems.
Oct 27, 2020 at 11:24 AM (Merged)
Avatar
DYLAN JAEGERS
  • MEMBER
  • 1 POST
I have the same issue. Do you remember what you did to fix it?
Oct 27, 2020 at 11:24 AM (Merged)
Avatar
STRAILER
  • CERTIFIED EXPERT
  • 53,854 POSTS
This car had two alarms that were having an issue. Does your car have a factory or aftermarket alarm?
Oct 27, 2020 at 11:24 AM (Merged)