2001 Honda Civic DRL and high beams

2001 HONDA CIVIC
160 MILES • 4 CYL • FWD • AUTOMATIC
Avatar
RODRALPH
  • MEMBER
  • 5 POSTS
My son's Civic has no right high beam and the DRL's do not work. I would like to look at the DRL module, can you tell me where it is located? Also, is the DRL relay interchangeable with another relay in the sysgtem to check that possibility out?
Apr 11, 2009 at 10:59 AM
Advertisement
Avatar
KHLOW2008
  • CERTIFIED EXPERT
  • 41,814 POSTS
Hi rodralph,

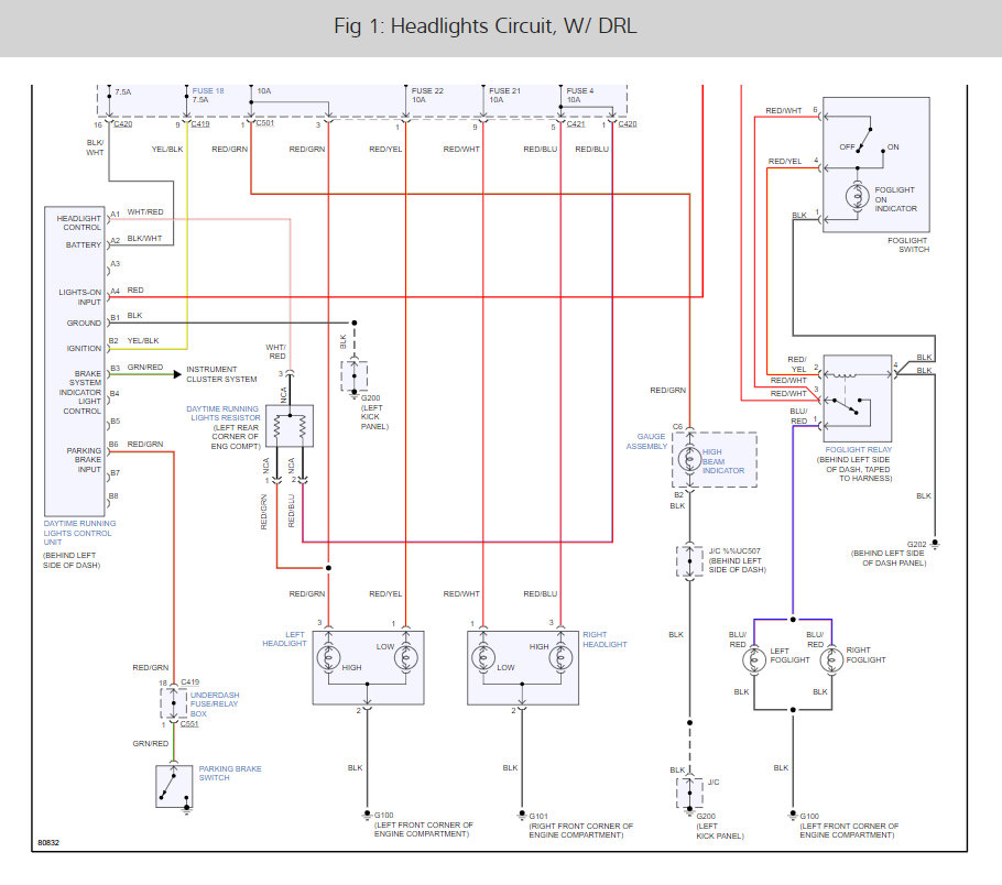
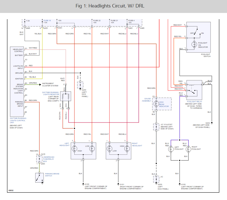
Here is the schematic for the headlight system. DRL unit is located under left side of dash. It is not interchangeable with any other relays. Check out the diagrams (Below). Please let us know what happens.
Mar 6, 2021 at 5:17 PM