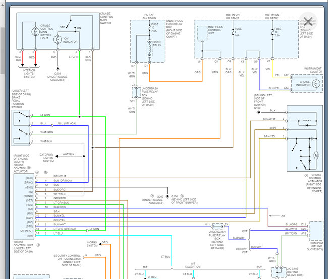
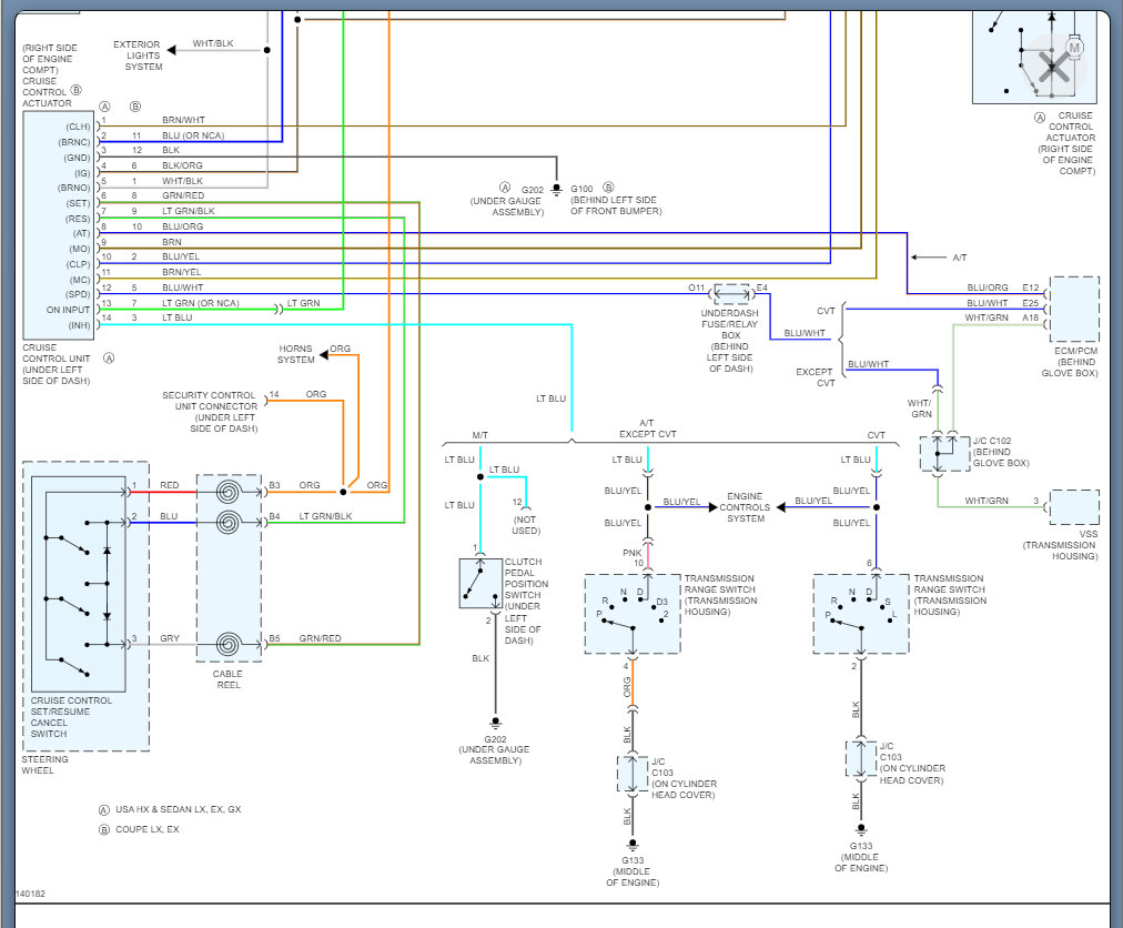
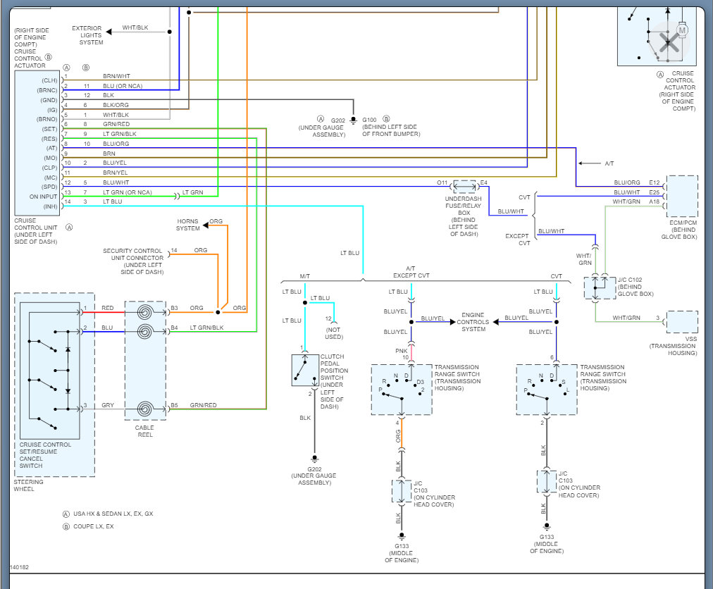
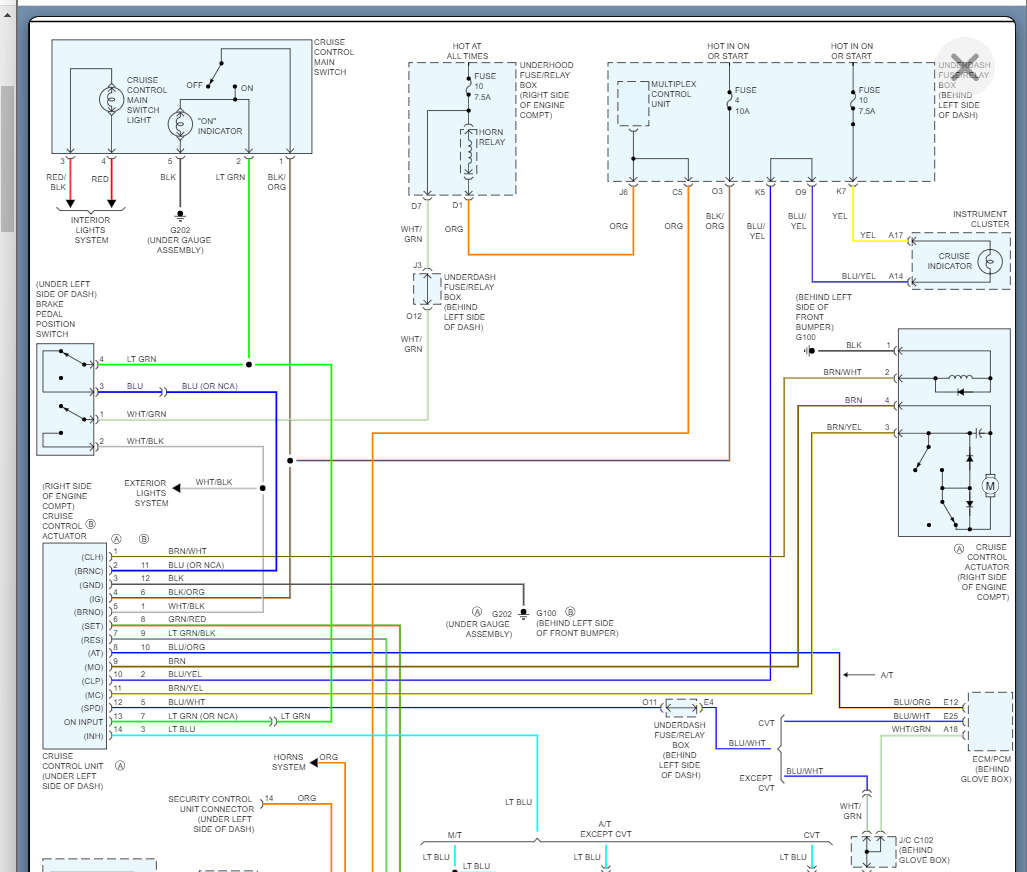
My Cruise Control has suddenly quit working. The green light in the button on the dash will not come on and it will not engage. (Makes me think there is no power going to it.) I thought that it may be a blown fuse but when checking the owner's manual I could find no fuse for the cruise control. I was told to check all of the fuses in the engine compartment and all of them SEEM to be good. I was also told to check all of the bulbs and all of them seem to be good also. I was going to wait until my tax refund came back and take it to a repair shop. First tried Haynes manual and all they said was to check fuses. Found you and decided to give you a try next.
Feb 24, 2008 at 5:00 AM






