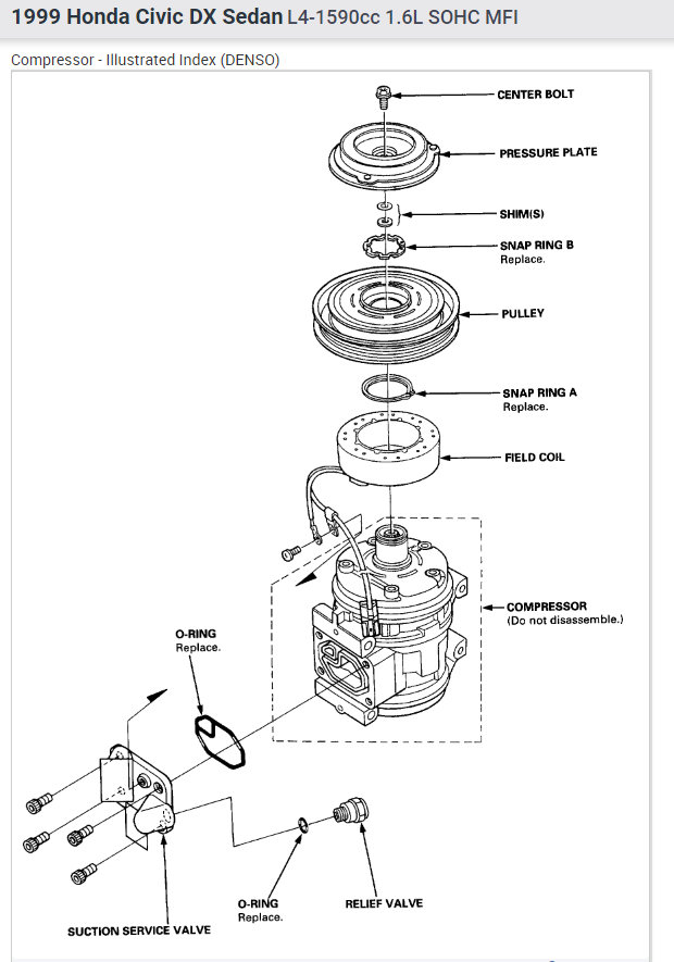
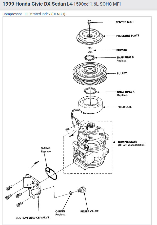
What is the worst that can happen if the compressor is not replaced immediately (apart from having to keep the windows down)? Would this result in damage to any other parts?
May 27, 2008 at 3:26 PM












