Instrument/Dash Lights

1999 HONDA CIVIC
91,357 MILES • 4 CYL • FWD • AUTOMATIC
Avatar
MICHIV
  • MEMBER
  • 1 POST
My instrument/dash lights went out when I put in a new stereo. I checked the fuses and they are fine. What could be the problem and how do I fix it?
Jul 25, 2009 at 6:34 PM
Advertisement
Avatar
KHLOW2008
  • CERTIFIED EXPERT
  • 41,814 POSTS
Hi michiv,

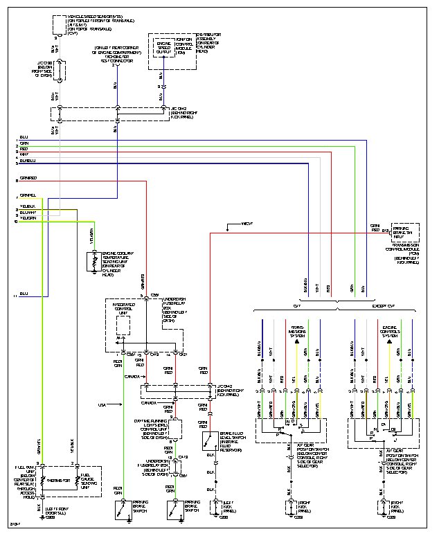
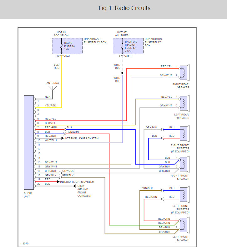
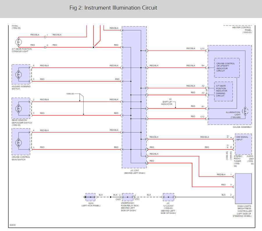
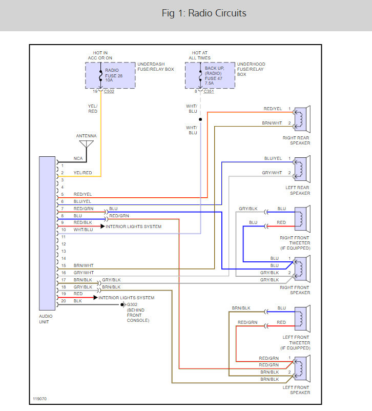
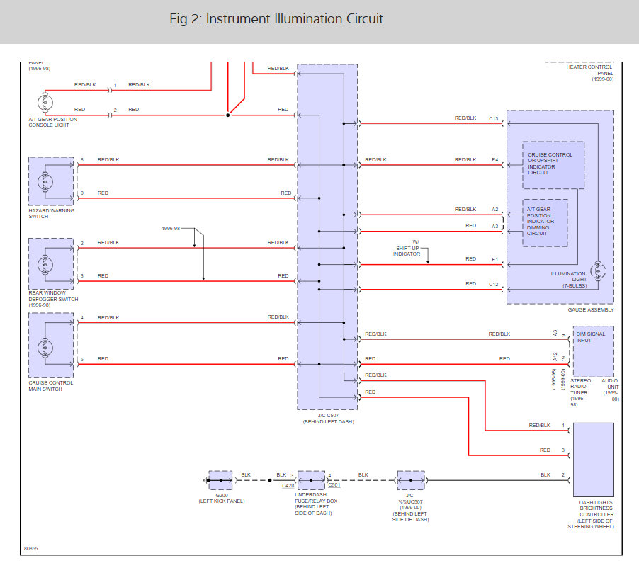
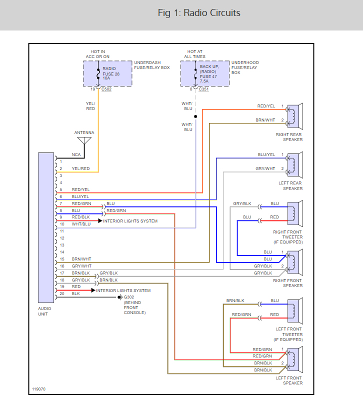
It sounds like you lost power to fuse #30 in the under dash fuse panel here is a guide to help you test with the fuse location and wiring diagrams for the radio and instrument cluster light so you can see how it works.

https://www.2carpros.com/articles/how-to-check-a-car-fuse

Check out the diagrams (Below). Please let us know what you find. We are interested to see what it is.
Jul 26, 2009 at 2:33 PM
Avatar
ZANYJB
  • MEMBER
  • 1 POST
Thanks for this post I found a bad connection at the fuse causing the problem. I love this site.
Dec 27, 2018 at 7:22 PM
Advertisement
Avatar
KKUNERT
  • MEMBER
  • 4 POSTS
Hey there,

I'm not really car savvy so I'll try to explain this as best as I can...

A few months back my aftermarket stereo had been cutting in and out (turns out a wire or two that I mickey moused came loose). Without knowing, I connected a ground wire. Later in the day my car battery died (due to leaving headlights on while in class). Had it jumped and everything seemed fine again. However I noticed that my dash cluster, AC unit, and gear shifting lights became extremely dim and eventuallly burned out completely.I brought my car to a stereo shop that told me to wire off the ground wire and not connect, having it connected kept blowing the 7.5Amp fuse for the Instrument Panel as soon as quickly as I could replace it. After replacing the fuse (and it successfully not shorting out to this day), the dash lights, AC lights and gear shift lights still do not work after replacing all fuses. I've gone as far as replacing the bulbs in my dash cluster and still nothing. I have a multimeter but am unsure how,what or where I'm trying to find the source of the problem. Any advice would be extremely appreciated!

Thank you in advance,
Kevin

1999 Honda Civic LX
Dec 27, 2018 at 7:23 PM (Merged)
Avatar
HMAC300
  • CERTIFIED EXPERT
  • 48,601 POSTS
have a pro look at this sounds like you wired the radio to the dash lights or put your ground to it.
Dec 27, 2018 at 7:23 PM (Merged)
Avatar
KHLOW2008
  • CERTIFIED EXPERT
  • 41,814 POSTS
The OEM radio has a system whereby the lighting uses 2 wires and with an after market radio, the system has been disrupted therefore the interior illuminations lights would not work corectly.
Dec 27, 2018 at 7:23 PM (Merged)
Avatar
KIKILABS
  • MEMBER
  • 1 POST
I have a 1996 honda civic DX, with a 1.6L engine. it has 101,000 miles and is automatic. Someone recently tried to steal the car and tore apart the ignition system so i replaced the steering column and now the engine will not crank over and i also have no dash lights lighting up when i turn on the ignition. all it does is make the beeping sound. also my wipers and signals dont work but my head lights do. i tried starting the car from neutral but that did not work. i also have an alarm on the car that still works fine. please help.
Dec 27, 2018 at 7:23 PM (Merged)
Avatar
RASMATAZ
  • CERTIFIED EXPERT
  • 75,992 POSTS
[quote:e4127c6516="kikilabs"]I have a 1996 honda civic DX, with a 1.6L engine. it has 101,000 miles and is automatic. Someone recently tried to steal the car and tore apart the ignition system so i replaced the steering column and now the engine will not crank over and i also have no dash lights lighting up when i turn on the ignition. all it does is make the beeping sound. also my wipers and signals dont work but my head lights do. i tried starting the car from neutral but that did not work. i also have an alarm on the car that still works fine. please help.[/quote:e4127c6516]

Better check the ignition switch wiring connector-the power from the distribution box is not at the ignition switch- Check the main fusible link and other links/fuses.-might be blown, shorted out by the thieves.

It doesn't wanna crank bcuz there's no power at the ignition switch starting circuit.
Dec 27, 2018 at 7:23 PM (Merged)
Avatar
JOEY_K04
  • MEMBER
  • 1 POST
Honda Civic Aerodeck station wagon, 1999, 56K miles, 1600cc

I replaced the left brake light a few days ago and have noticed now that when I use the brakes (or even tap them) the dashboard light goes on and the front parking lights (dim white ones) also go on, but go off when I take my foot off the brake. Any thoughts as to why this is happening? I believe I bought the correct bulb.
Dec 27, 2018 at 7:23 PM (Merged)
Avatar
BRUCE HUNT
  • CERTIFIED EXPERT
  • 3,754 POSTS
I don't believe it is a bulb issue. I think you have a grounding issue. Most of the wierd electrical issues on Honda are associated with grounds. They are so overlooked and yet so critical.
Dec 27, 2018 at 7:23 PM (Merged)
Avatar
NAMMIII
  • MEMBER
  • 1 POST
I just purchased a 96 honda civic. Lights on the dasboard do not funtion and one headlight out. I slammed hood and headlight came on but then went out again. I changed fuses for the dash board but the lights worked then went out again. Any suggestions as to what migt be the problem.
Dec 27, 2018 at 7:23 PM (Merged)
Avatar
F4I_GUY
  • CERTIFIED EXPERT
  • 3,302 POSTS
Well was the fuse blown? If so you may have a short in the wiring causing the fuse to blow. Off the top of my head, I cannot think of a common place where these circuits short out, for the most part they are pretty reliable unless some ya-hoo installs an alarm or remote starter and does a sloppy job.

Your headlight issue is probably just a loose connector, wire or the actual filament inside the headlight itself is faulty.
Dec 27, 2018 at 7:23 PM (Merged)
Avatar
JOEK
  • MEMBER
  • 1 POST
93 Honda Civic LX, lost dash lights, 10 amp fuse is good, Cant find what bulb to replace
Dec 27, 2018 at 7:23 PM (Merged)
Avatar
JACOBANDNICKOLAS
  • CERTIFIED EXPERT
  • 110,175 POSTS
Make sure there is power to and from the fuse. Check for bad body grounds.
Dec 27, 2018 at 7:23 PM (Merged)
Avatar
AREATHAJ
  • MEMBER
  • 3 POSTS
Dash light has gone out on dash board and gear shift. It is a bulb or fuse. Look at both fuse boxes inside car...and under hood on passages side and can't figure out which one it is. Please help. Can I do it myself if it is a bulb?
Dec 27, 2018 at 7:23 PM (Merged)
Avatar
KHLOW2008
  • CERTIFIED EXPERT
  • 41,814 POSTS
Check the taillights. If it is not working, it is a fuse underhood, the taillight relay or a fault with the light switch.

It is marked taillight. Use a test light to test.
Dec 27, 2018 at 7:23 PM (Merged)
Avatar
TSLAY89
  • MEMBER
  • 2 POSTS
Hello,

For christmas my dad tried to put in a new head unit in my 2000 EX honda civic, but as doing so he never unplugged the battery and now my insdie dash lights radio lights and the lights that light up the gear shift(its an automatic) do not work at all now. How can i fix this?
Dec 27, 2018 at 7:23 PM (Merged)
Avatar
CARADIODOC
  • CERTIFIED EXPERT
  • 34,306 POSTS
Have you checked the fuses?
Dec 27, 2018 at 7:23 PM (Merged)
Avatar
TSLAY89
  • MEMBER
  • 2 POSTS
Yes all the fuses are good.
Dec 27, 2018 at 7:23 PM (Merged)
Avatar
CARADIODOC
  • CERTIFIED EXPERT
  • 34,306 POSTS
Next I would unplug the radio, then see if the lights work. If they do, chances are the dash light wire got inadvertently used as a ground wire. There is a wire in the original radio's connector for the tail lights and another one for the dash lights. The tail light wire tells the radio to dim the display when the head lights are on. The dash light wire tells the display how much to dim. Both of those wires measure very low resistance to ground because of all the bulbs on those circuits. That's why many people confuse them for ground wires.
Dec 27, 2018 at 7:23 PM (Merged)
Avatar
RUNNINLA8
  • MEMBER
  • 2 POSTS
On our 1998 Honda Civic DX the speedometer and dash lights don't work. Have replaced the speed sensor and alternator but the speedometer and dash lights still don't work. Any suggestions on what to try next?
Dec 27, 2018 at 7:23 PM (Merged)
Avatar
AXIS
  • MEMBER
  • 107 POSTS
Before you change anything else, check for the fuse located under the dash on the driver side.
Dec 27, 2018 at 7:23 PM (Merged)
Avatar
RUNNINLA8
  • MEMBER
  • 2 POSTS
Every time we change the fuse it blows again. Any other suggestions?
Dec 27, 2018 at 7:23 PM (Merged)
Avatar
KHLOW2008
  • CERTIFIED EXPERT
  • 41,814 POSTS
The dash lights are connected to the taillights. A short in system has occurred and you need to locate the source.

If there is any impact damages, check around the area for damagd wire harnesses that might be grounded.

Check for bad bulbs or sockets.
Dec 27, 2018 at 7:23 PM (Merged)
Avatar
RANCE HUMPHREY
  • MEMBER
  • 2 POSTS
dash board lights dont work and fuse pops when trying to replace.
Dec 27, 2018 at 7:24 PM (Merged)
Avatar
DRCRANKNWRENCH
  • CERTIFIED EXPERT
  • 3,380 POSTS
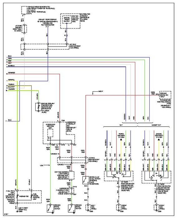
I am giving you the wiring diagrams for the instrument panels. They are in 2 parts. Use them to look for short or bad ground.
Dec 27, 2018 at 7:24 PM (Merged)
Avatar
RANCE HUMPHREY
  • MEMBER
  • 2 POSTS
dash board lights dont work
Dec 27, 2018 at 7:24 PM (Merged)
Avatar
JOHNAH
  • MEMBER
  • 1 POST
Dash lights and taillights are out. Rear turn signals and 4-way flasher works. Checked no. 8 fuse and fuses in main fuse box in engine compartment look good. Any other suggestions?

Thanks
John
Dec 27, 2018 at 7:24 PM (Merged)
Avatar
KHLOW2008
  • CERTIFIED EXPERT
  • 41,814 POSTS
Hi John,

Test the light switch. When light is switched on, voltage must be present Light switch connecter terminal # 1 ( Red/Green ) wire and Fuse # 8 in fusebox. You need a test lamp to test by backprobing the terminals.
Dec 27, 2018 at 7:24 PM (Merged)
Avatar
LVILLALBA
  • MEMBER
  • 1 POST
my dash board lights went out...i cant see the speed im driving while driving at night. how do i fix this? the light that shows gear and engine light goes on when starting...but the white light for viewing dashboard is out.
Dec 27, 2018 at 7:24 PM (Merged)
Avatar
KHLOW2008
  • CERTIFIED EXPERT
  • 41,814 POSTS
Hi lvillalba,

You need to check if the taillights are working, if not, you have a blown fuse or faulty switch.

If taillights are working, you need to check the bulkbs or dash lights brightness conttrol switch.
Is the dash lights brightness control adjusted to minimum?
Dec 27, 2018 at 7:24 PM (Merged)
Avatar
AOSCAR
  • MEMBER
  • 2 POSTS
I have a 1992 Honda Civic DX with 195,000 miles on it.

The lights on my dash and behind my speedometer etc. would go out and come back on randomly. Now they both died along with my interior light but the fuses look fine to me. Nothing I do seems to get them to come back on. All of the smaller lights are working just not the main backlighting ones.
Dec 27, 2018 at 7:29 PM (Merged)
Avatar
FISHERMAN
  • CERTIFIED EXPERT
  • 937 POSTS
check the connector behind the dashboard.
Dec 27, 2018 at 7:29 PM (Merged)
Avatar
P4P
  • MEMBER
  • 3 POSTS
my 1997 honda civic ex the dashlight is kind of dim even at its brightest setting, and i notice you cant really the oil and battery meaters the speed is ok but you cant see it so good either at night ofcourse, what can be the problem?
Dec 27, 2018 at 7:29 PM (Merged)
Avatar
F4I_GUY
  • CERTIFIED EXPERT
  • 3,302 POSTS
I would check to make sure the dash light dimmer is operating properly first. You can try to bypass the dimmer completely to see if that helps bright up your cluster. If it doesn't, check for low voltage or a weak ground to your cluster.
Dec 27, 2018 at 7:29 PM (Merged)