HELLO
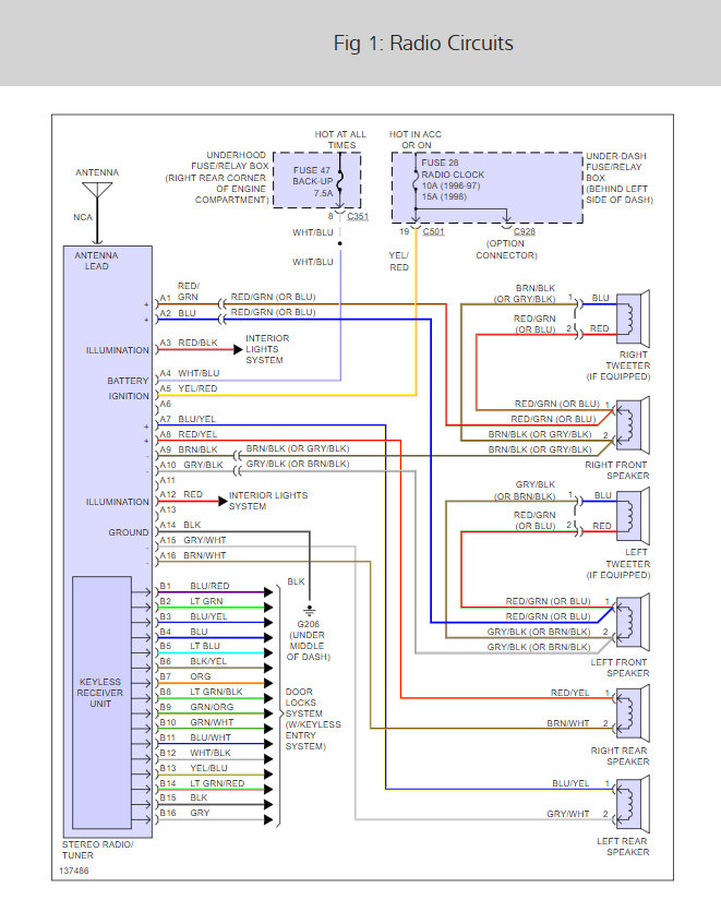
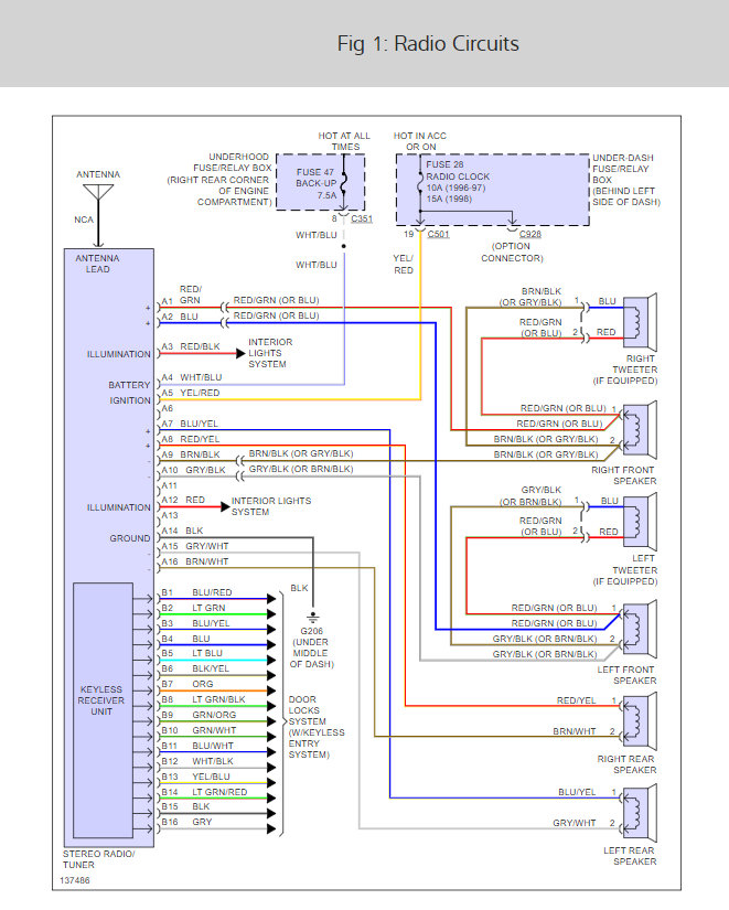
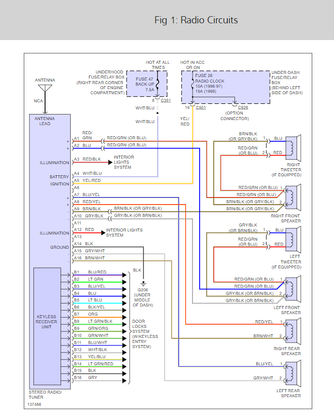
Today i was connecting my aftermarket radio everything was working. I disconnected the radio to put my dash back in i tryed to connect it again and it didnt turn on. I think i might of let wires touch but now my red wire does not have any power but my yellow wire does . I went ahead and took a wire and went to the fuse box located under my hood and saw the radio back up fuse was blown. I replaced it and still nothing soo i took the wire and connected it to my back up radio fuse and the radio did turn on soo i am guessing its something between the fuse box and the red wire in my dash. the fuses under my steering wheel are fine also i'm baffled ????
Today i was connecting my aftermarket radio everything was working. I disconnected the radio to put my dash back in i tryed to connect it again and it didnt turn on. I think i might of let wires touch but now my red wire does not have any power but my yellow wire does . I went ahead and took a wire and went to the fuse box located under my hood and saw the radio back up fuse was blown. I replaced it and still nothing soo i took the wire and connected it to my back up radio fuse and the radio did turn on soo i am guessing its something between the fuse box and the red wire in my dash. the fuses under my steering wheel are fine also i'm baffled ????
Oct 11, 2009 at 6:17 PM


