Blower switch

1997 HONDA CIVIC
45,000 MILES • 4 CYL • 2WD • AUTOMATIC
Avatar
KAUIMAUI
  • MEMBER
  • 1 POST
the first two speeds on my A/C fan switch doesnt work, the last two speeds (High) does work. is the problem with the fan, switch or does the fan have seperate fuses for the first two speeds?
Jun 10, 2009 at 12:16 PM
Advertisement
Avatar
F4I_GUY
  • CERTIFIED EXPERT
  • 3,302 POSTS
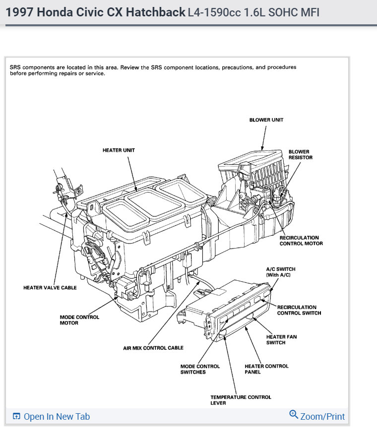
This is a problem with the blower motor resistor. This is located behind the glovebox and is no more than a $30 part.
Jun 10, 2009 at 2:57 PM
Avatar
HEAVYCHEVY90
  • MEMBER
  • 1 POST
i kinda have the same problem but my blower motor never changes speed when i put it on 4 feels like its on 1
Jun 1, 2019 at 1:57 AM
Advertisement
Avatar
STRAILER
  • CERTIFIED EXPERT
  • 53,855 POSTS
Hello,

It sounds like the blower motor resistor has gone out lets remove it to inspect for burn marks, here is the location. Check out the diagrams (Below). Please let us know what you find.
Jun 1, 2019 at 2:36 PM