Fuel pump slow to turn on for days

1994 HONDA CIVIC
Avatar
RLANGHAM
  • MEMBER
  • 6 POSTS
Four cylinder two wheel drive manual 154,000 miles.

After a rain, the car will not initially start. You turn the key on and the engine check light is on and the car will not start. All electric circuits are fine, everything turns on, the engine will crank, just won't start. After a five to fifteen minutes leaving the key on, the engine light will go off and then you hear the fuel pump turn on. It will then start fine.

If you turn off the car, but leave the key on, then the wait period for the fuel pump goes down. If you continue this key on/off process (without ever starting the car), the wait period continues to go down. If you leave the key off for awhile, then try again, then you start waiting more for it to turn on.

Seems like there is something warming up with the key on. This problem will occur for days after it is has rained.

I had a auto repair place look at it and they ruled out any problem with the fuel pump, it does not get any power until after the wait period. Also ruled out the ignition system and master relay, and most of the electrical system.
Feb 8, 2010 at 7:57 AM
Advertisement
Avatar
JACOBANDNICKOLAS
  • CERTIFIED EXPERT
  • 110,175 POSTS
Does the vehicle have a factory alarm?
Feb 9, 2010 at 10:38 PM
Avatar
RLANGHAM
  • MEMBER
  • 6 POSTS


No, it is after market. In our tests, we disconnected this to see if it was the problem.
Feb 10, 2010 at 6:44 AM
Advertisement
Avatar
KHLOW2008
  • CERTIFIED EXPERT
  • 41,814 POSTS
If the check engine light stays on for longer than two seconds at initial ignitions on, the most common faults are :

1. Faulty PGM-FI main relay. Get the circuit board resoldered and retest.

2. Faulty PCM. If you remove the PCM cover, you would notice leaking capacitors. Replacing the capacitors works.
Feb 12, 2010 at 8:28 PM
Avatar
RLANGHAM
  • MEMBER
  • 6 POSTS
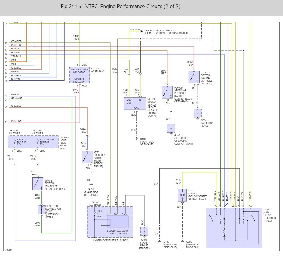
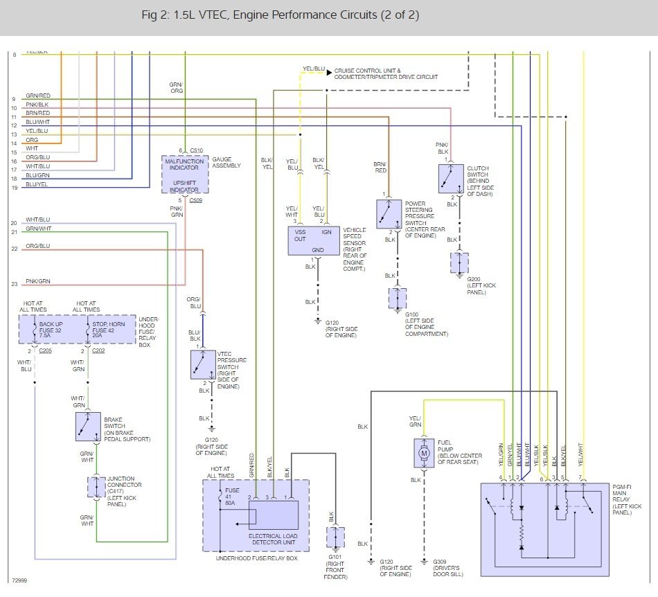
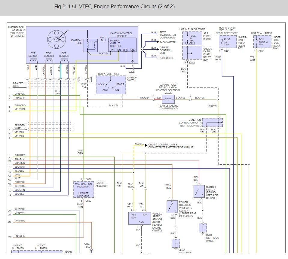
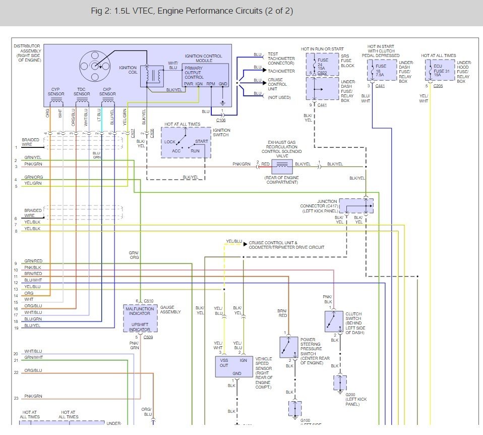
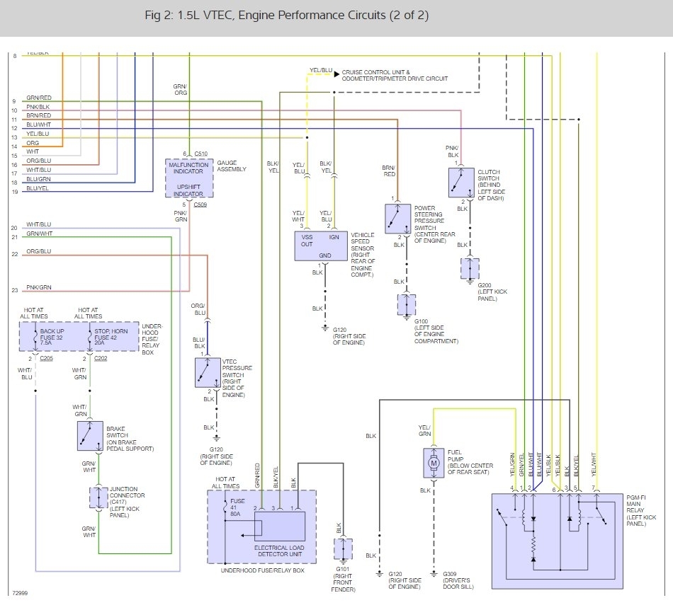
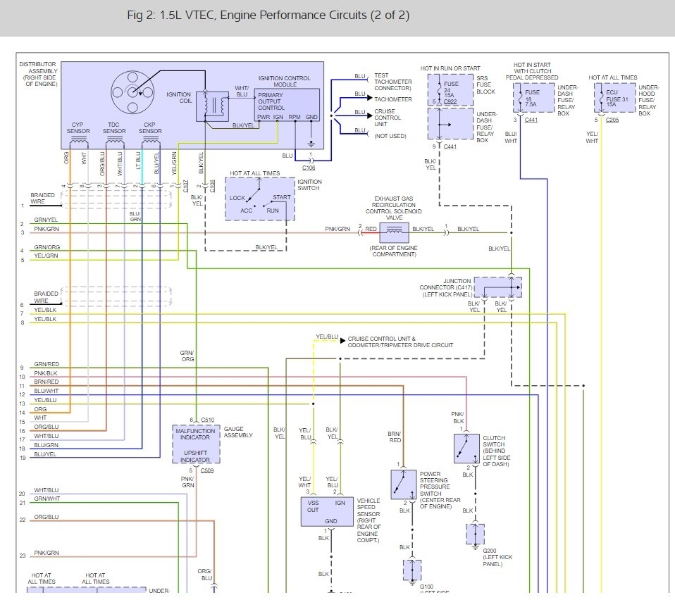
I have been doing some testing on the main relay and the ECM. Diagrams (below).

There is a blue/white wire going into the main relay from fuse 18 that seems never to turn on. Not sure where this is coming from. This drives the relay for the fuel pump. There is also a yellow/black from heated oxygen sensor that may drive the relay also. The yellow/black gets power fine immediately.

Looking at the main relay, I suppose the yellow/black should possibly drive the relay immediately, so possibly it is inside the main relay. Not sure if the main relay has some built in delay due to blue/white never turns on.

Where is the PCM, any idea? I am not a car expert. I have been working with a local shop, but learning how to do some of this electrical testing, etc.

Correction updated! blue/white and fuse 18 are now getting power during cranking. Unless I just did not measure correctly (could swear I tried several times) before. But, the delay is still there. Maybe cleaning the main relay circuit board, dunno, confused. It goes to ten volts. But, still have the delay.

So, sound like a main relay problem?

Thanks
Feb 21, 2010 at 7:38 PM
Avatar
KHLOW2008
  • CERTIFIED EXPERT
  • 41,814 POSTS
The blue/white is starter signal and would only have power when cranking. It is not the main power supply for working the main relay.

When ignition switch is turned on, the main relay is activated by the orange/yellow which is grounded by the ECU for two seconds to prime the fuel pump.

The PGM-FI Main relay consists of two relays with one supplying power to the yellow/black when ignition switch is turned on and while cranking.

If the yellow/green does not have power to prime the fuel pump for two seconds when ignition switch is turned on, the main relay or ECU is is faulty.

As I mentioned in previous post, remove the relay and unplug it from its housing to inspect the circuit board for cold solders (cracks to the soldered joints). Re-soldering works. The two pins (symmetrical on both sides) on either side of the circuit board are the most likely culprit.
Feb 22, 2010 at 9:18 AM
Avatar
RLANGHAM
  • MEMBER
  • 6 POSTS
First, thanks for your continuing support on this!!

Yes, I removed the relay cover and inspected the circuit board. It appeared to have some corrosion on it, some black areas and some other light rust color areas. I cleaned this up. The solder joints appeared to be ok, but I am not an expert in this area.

I put back in and still seemed to have the problem, though was getting hard to test since things were improving. This morning things seemed to be working pretty good. Which generally after a rain like the other day, it would still continue for another day or two. Maybe there is improvement, expecting snow tonight, so will see how this goes.

Question: You mention the orange/yellow, I do not see this one?

Question: I noticed that the green/yellow, blue/white, and yellow/black all have power either at key on or start, but the yellow/green is delayed.

If you watch the green/yellow, it is high until the delay period is over. When the green/yellow goes low (after the delay period), at the same time yellow/green goes high, engine line goes off, and fuel pump turns on.

Am I correct, that the fuel pump relay will not trigger until the green/yellow goes low? It stays high for the entire delay time. I am thinking the problem may be related to an input to the ECM that is holding the green/yellow high for an extended period of time, rather than dropping it low immediately when the key is turned on. Is this correct?

Thanks again
Feb 22, 2010 at 9:38 AM
Avatar
KHLOW2008
  • CERTIFIED EXPERT
  • 41,814 POSTS
You are welcome. When we start, we do not call it quit until we have run out of resources so rest assured we would get to the bottom of this.

Sorry, seems my eyesight is failing, lol.

Is green/yellow and not orange/yellow. Green was mistaken for orange.

When the green/yellow has high voltage, it means it is not being grounded and as the grounding is delayed, you have a fault with the ECM. ECM for the year model are known to fail intermittently when some internal capacitors fails. The check engine light would be delayed going off, more than two seconds. I believe the check engine light is not going off when you are not able to start the engine.

Sorry I forgot to mention where the PCM is located. Remove the kick panel on passenger side and you would see it bolted to the side panel..
Feb 22, 2010 at 11:39 AM
Avatar
RLANGHAM
  • MEMBER
  • 6 POSTS
Yes, the check engine light is also delayed in going off. Once it goes off (after the delay), then things start working.

Is there a chance that one of the sensors or other inputs to the ECM is causing the delay, rather than the ECM actually being out.

Curious if there is a way to verify this without going out and buying one.

If the ECM, what is the recommended fix for this, buy a new one, junk yard, repair.

Thanks! Maybe getting there.
Feb 22, 2010 at 11:54 AM
Avatar
KHLOW2008
  • CERTIFIED EXPERT
  • 41,814 POSTS
The check engine light delayed going off could be either the main relay or ECM.

Get the relay soldered first and see if it helps.

As to the ECM, remove it and check the circuit board for signs of oxidation. Any leaking capacitor would cause the symptoms described.

No sensors would cause the delay in the check engine light going off. When ignition is turned on, the ECM would ground the circuit for two seconds to prime the fuel pump.

The engine coolant temperature sensor can cause difficult starting but not the delay in the check engine light going off.

Not necessary to get a new one, a remand would be a bettter option than a used one and you can get one for a reasonable price with a warranty for it.

You have already carried out the basic testing of the PGM-FI main relay circuits and the answer points to the relay or ECM. The next step is to get an ECM to substitute.
Feb 22, 2010 at 3:38 PM
Avatar
RLANGHAM
  • MEMBER
  • 6 POSTS
Update. problem resolved. I replaced the ECM and the problem went away. I did some probing on the ECM and determined that their was delay on the line that turns on the fuel pump. I then probed many of the input sensors, etc., and did not see any delay there. So, took a chance on the ECM and issue resolved.
Mar 25, 2010 at 10:27 PM
Avatar
KHLOW2008
  • CERTIFIED EXPERT
  • 41,814 POSTS
Glad to know you have fixed the problem.

Have a nice day.
Mar 26, 2010 at 10:30 AM
Avatar
CHRISTIAN NICOLAS
  • MEMBER
  • 1 POST
I have the same problem right now but it started when i run out of gas but then i replaced my fuel pump, fuel pump hanger and my main relay, but the car still will not start. I cannot hear the fuel pump prime when i turn on my car. please help
Jul 3, 2017 at 9:18 PM
Avatar
STRAILER
  • CERTIFIED EXPERT
  • 53,855 POSTS
Hello and welcome to the site.

There are some wiring diagrams (above) to help you do some testing. Here are some guides to get you started so you can fixed the problem:

https://www.2carpros.com/articles/how-to-use-a-test-light-circuit-tester

and

https://www.2carpros.com/articles/car-cranks-but-wont-start

and

https://www.2carpros.com/articles/how-to-test-an-ignition-system

Please run some tests and get back to us we are interested to see what it is.

Cheers, Ken
Jul 5, 2017 at 2:17 PM