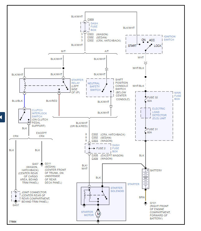
We have bought a 91 civic, unknowingly ripped off an "extra fuse hookup" attached to the wire and threw it out, to replace the battery with a new one. Now we cannot get a fire, without that "extra" fuse hook-up I guess? I don't have a diagram, can you copy and attach one for me?
I am needing to know where to put the fuse box wiring. (directly to the positive? to the sylenoid?)
I have tried what seems everything, and fail everytime. HELP!
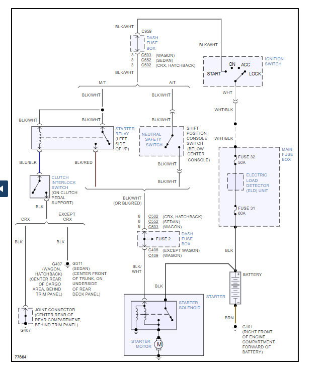
I am needing to know where to put the fuse box wiring. (directly to the positive? to the sylenoid?)
I have tried what seems everything, and fail everytime. HELP!
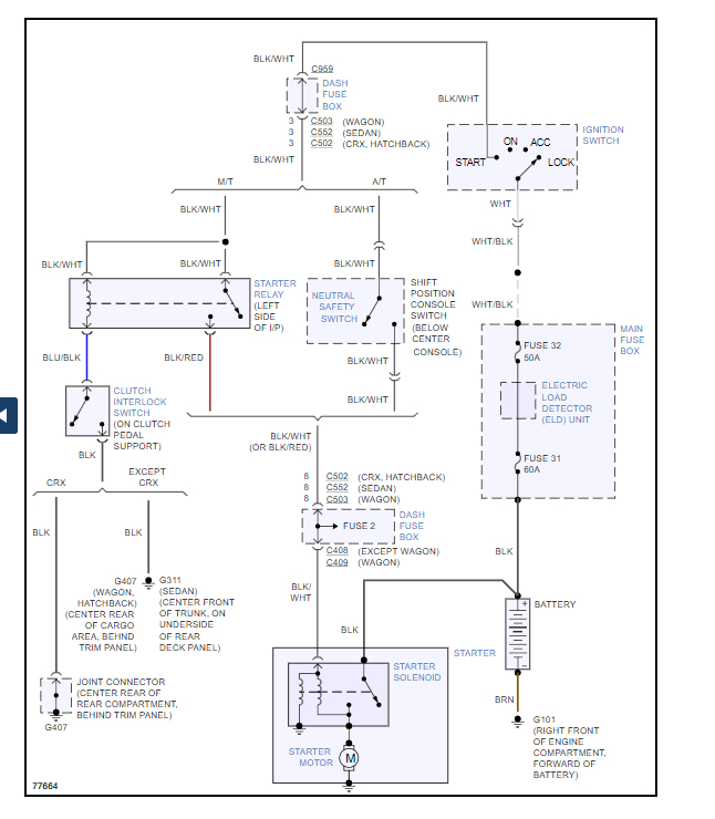
Aug 18, 2008 at 11:57 AM
