Good afternoon,
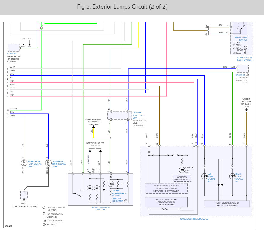
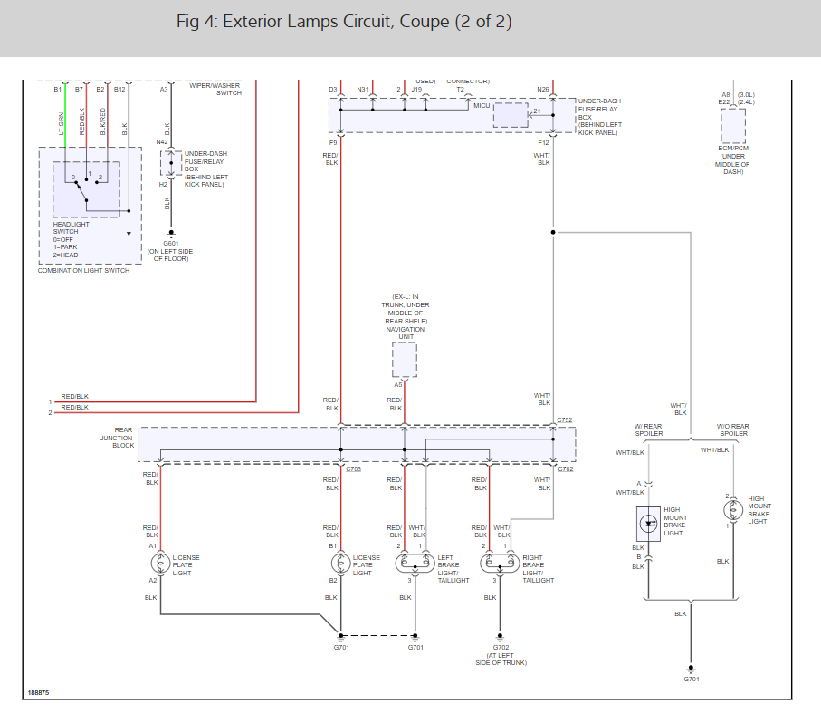
I attached a wiring diagram for you to view. You need to test for power to the brake light switch. In most cases, it is the switch that is bad.
https://www.2carpros.com/articles/brake-lights-not-working
https://www.2carpros.com/articles/how-to-check-wiring
https://www.2carpros.com/articles/how-to-check-a-car-fuse
Roy
1. Disconnect the 4P connector (A) from the brake pedal position switch (B).
2. Check for continuity between the No. 1 and No. 2 terminals.
There should be continuity when the brake pedal is pressed.
There should be no continuity when the brake pedal is released.
3. Check for continuity between the No. 3 and No. 4 terminals (with cruise control).
There should be no continuity when the brake pedal is pressed.
There should be continuity when the brake pedal is released.
4. If necessary, adjust or replace the switch, or adjust the pedal height.
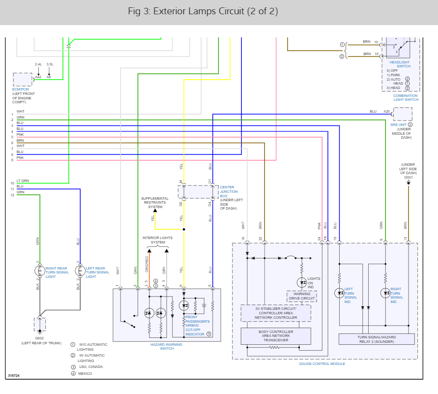
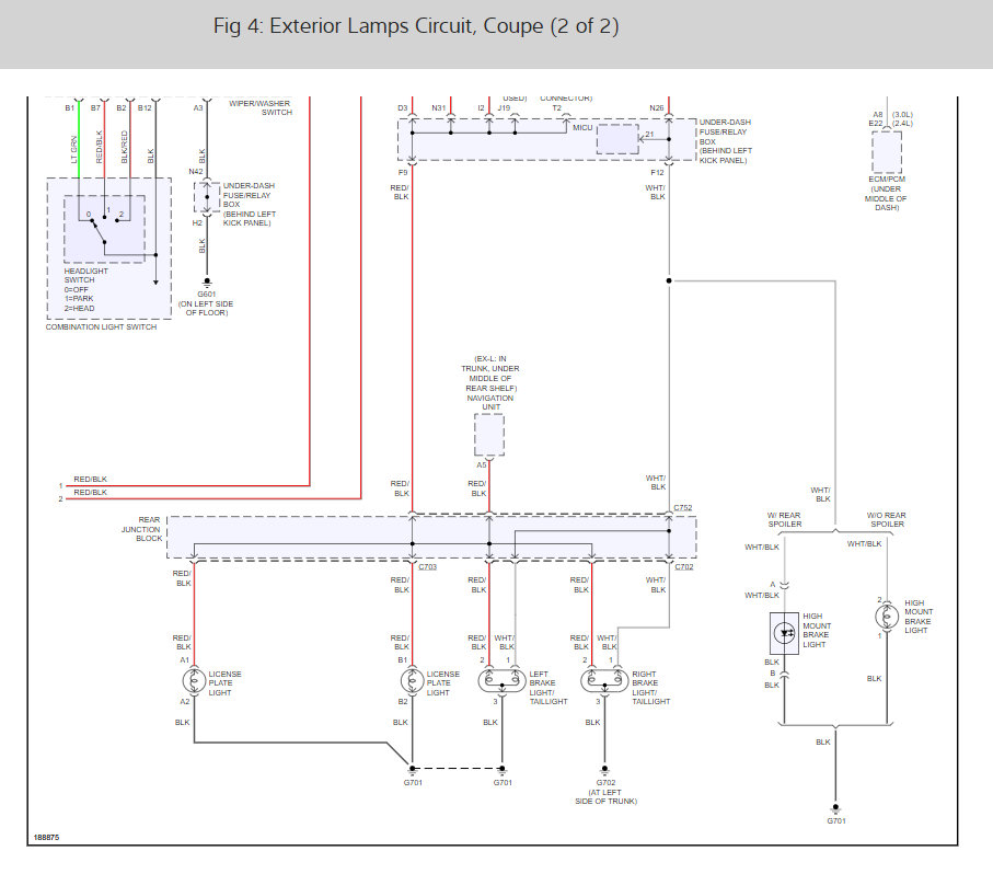
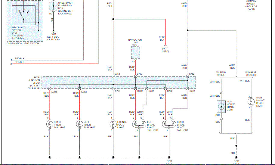
Images (Click to enlarge)
May 17, 2021 at 12:01 PM
(Merged)