NO ELECTRICAL POWER?

2006 HONDA ACCORD
83,000 MILES • 4 CYL • FWD • AUTOMATIC
Avatar
CAG0943
  • MEMBER
  • 1 POST
I had been having battery problems after leaving my lights on a couple years ago over night. My cars ignition was left in the lock position and it made it go dead. I tried jumping it but that did not work so I replaced the battery with a brand new battery and had no power at all after the new battery was installed. I was also in an accident in december and right after it happened, my radio had stopped working and now this. I was told to check my ground wires but am not sure exactly where they are and if it might be something else.
Feb 8, 2010 at 3:18 PM
Advertisement
Avatar
ERNEST CLARK
  • CERTIFIED EXPERT
  • 1,730 POSTS
Your bat has a ground wire that goes to the frame of the car and to the engine block. Just follow your black cable leading from the bat and see where it terminates. This guide can help us find the problem.

https://www.2carpros.com/articles/everything-goes-dead-when-engine-is-cranked

and

https://www.2carpros.com/articles/how-a-car-electrical-system-works

Also, check your main fuse/relay box. Make sure the positive and ground side terminals are connected tightly and that all the fuses and relays are good.
Feb 8, 2010 at 8:58 PM
Avatar
ANGRYDEE
  • MEMBER
  • 1 POST
ok im sry but my quetion is about a kymco super9ac 50cc moped!! sorry . but pls i have a simple question my ped runs but has ne elec(except oil/igntion light). i got a new batt but alas nothing. my question realy is which part sould i try 1st either a new 12v regulator or a new CDI unit.. pls help!. oh and the electrics seem to fail one after another
Oct 3, 2020 at 9:58 AM (Merged)
Advertisement
Avatar
JACOBANDNICKOLAS
  • CERTIFIED EXPERT
  • 110,175 POSTS
We only deal with cars and trucks. I'm not familiar with this vehicle. However, if nothing works, I would check for a broken ground wire, a damaged power supply, or a burnt fuse.
Oct 3, 2020 at 9:58 AM (Merged)
Avatar
CROSKI LO
  • MEMBER
  • 3 POSTS
I was driving perfectly fine last night. I parked up my car because It was raining really hard . I turned the ignition off . But I still had my A/C running and my radio playing. After 30 to 40 minutes of being idle. I noticed the dashboard lights go off. The radio turned off and my A/C turned off , then they came back on and did the same thing again 2 minutes later . After noticing that , I tried to turn the car on , the dashboard lights came on and started flickering and making a fast clicking noise. The car did not make any noise when I attempted to start it. after a while I gave up not knowing what to do. I took a nap. I woke up this morning and tried to start the car now nothing is turning on no lights nothing . My windows wont go down I can't lock the doors with my key or even move my chair . The car is unresponsive. I tried to jump start it with another car but I was only able to do it for 5 minutes before the person had to leave. It's still not turning on . Anyone help ? Need answers quick I'm really stuck out here.
Oct 3, 2020 at 9:58 AM (Merged)
Avatar
JACOBANDNICKOLAS
  • CERTIFIED EXPERT
  • 110,175 POSTS
Hi,

If you turned the ignition off and left the fan running, it sounds like the battery went dead. Did you try recharging the battery or testing it? Here is a link that explains how to load test the battery at home. However, if nothing is working, this won't work. Also, make sure the battery terminals are clean and tight.

https://www.2carpros.com/articles/car-battery-load-test


Here is a link that explains how to charge the battery:

https://www.2carpros.com/articles/how-to-charge-your-car-battery

Let me know if this helps and what you find. If you have additional questions, let me know.

Take care,
Joe
Oct 3, 2020 at 9:58 AM (Merged)
Avatar
CROSKI LO
  • MEMBER
  • 3 POSTS
I was able to bring my battery to AutoZone and they tested it for me and said it was fully charged . But I guess that's because of the amount of times I tried to jump start the car with another car . The cables on the battery can be easily twisted off . Is that bad ? I tried to tighten them but it's not working. I added oil to the car to see if that was a problem but nothing . I'm still stuck by this highway . The only lights that turns on is the hazard lights nothing else .
Oct 3, 2020 at 9:58 AM (Merged)
Avatar
JACOBANDNICKOLAS
  • CERTIFIED EXPERT
  • 110,175 POSTS
The battery terminals should be tight. I suspect that is the issue. When you start a vehicle, a large load is placed on the battery. If there isn't good contact, it usually will fail. Often times, when the load is placed on the battery to start, if the terminals are loose, you'll see a spark.

You may have to replace the terminals if you can't tighten them.

Let me know if I can help.
Joe
Oct 3, 2020 at 9:58 AM (Merged)
Avatar
CROSKI LO
  • MEMBER
  • 3 POSTS
Please if your near me and can help me out it would be graceful?
Oct 3, 2020 at 9:58 AM (Merged)
Avatar
JACOBANDNICKOLAS
  • CERTIFIED EXPERT
  • 110,175 POSTS
Hi,

I have no idea where you are located. Did you check what I suggested? I'm sorry. If I was near, I would be happy to help. I hope you understand.

Joe
Oct 3, 2020 at 9:58 AM (Merged)
Avatar
HONDAACCORDUSER
  • MEMBER
  • 1 POST
two days ago, I tried to start my car and the dash board light up for a second and the whole car shut down. No clicking when i turned the key, nothing. What is wrong?
Oct 3, 2020 at 9:58 AM (Merged)
Avatar
DRCRANKNWRENCH
  • CERTIFIED EXPERT
  • 3,380 POSTS
Let me know a few things and I will help as much as I can;
The car was running when this happened?
Or, were the lights on the dash working, then when you went to start it, it would not start and the lights went out?
How old is the battery?
Were there any changes in performance you noticed just prior to this?

Let me know and I will keep an eye on this post for your reply.
I will get back to you ASAP.
Oct 3, 2020 at 9:58 AM (Merged)
Avatar
AZ789
  • MEMBER
  • 1 POST
I tried to start my car and there was no connection. Thinking the battery was dead, I attempted to have it jumped. When I attempted to start the engine, my horn went off as it was stuck. I replaced the battery and I still do not have any connection. My dashboard lights/car lights nothing. When I turn the ingition switch there is no "click" Is it a fuse? Cable? I am hoping it is not something with the wiring? Thank you
Oct 3, 2020 at 9:58 AM (Merged)
Avatar
F4I_GUY
  • CERTIFIED EXPERT
  • 3,302 POSTS
It might be the battery fuse, but if it jump started, then that is not the issue.

You are most likely looking at a weak power or ground cable connection somewhere.
Oct 3, 2020 at 9:58 AM (Merged)
Avatar
KIMBERLY KAY MCCLENDON
  • MEMBER
  • 2 POSTS
I got a new battery and left battery disconnected for a while several hours put new battery back in and car still wont start, nothing happens. how can we bypass the alarm to get it started without having to have it towed to the dealership?
Oct 3, 2020 at 9:58 AM (Merged)
Avatar
SCGRANTURISMO
  • CERTIFIED EXPERT
  • 4,897 POSTS
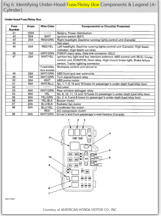
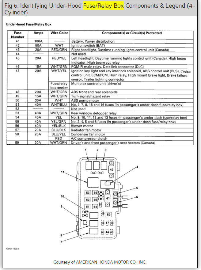
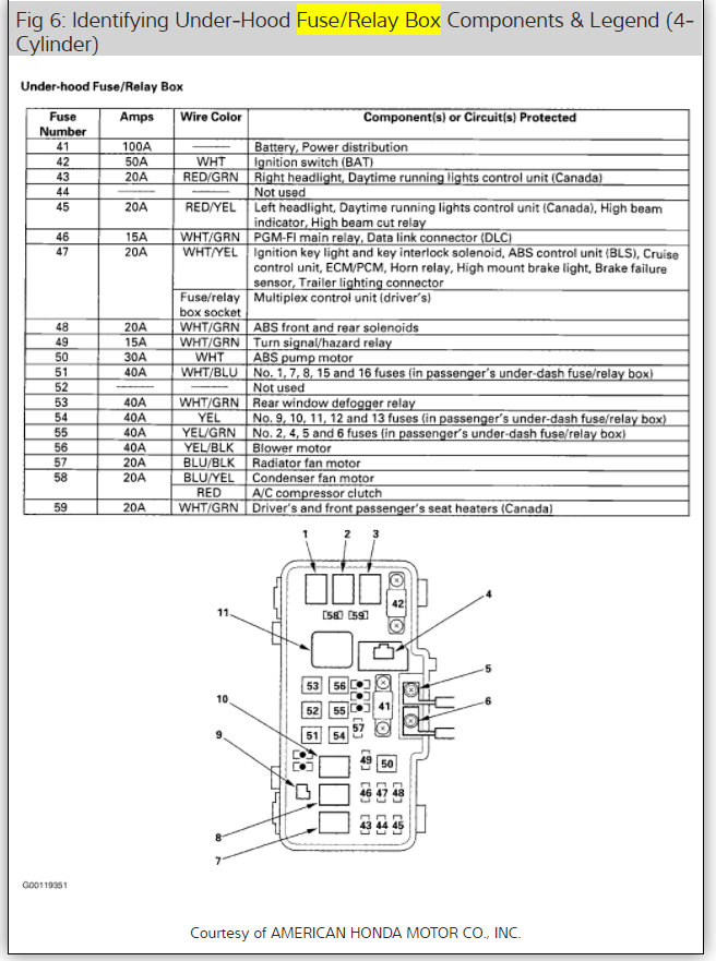
Hi my is Alex and I will be helping you today. Try looking at fuse #42 in the underhood fuse/relay box. It is located in the right rear of the engine compartment. I have included a wiring diagram, circling the fuse for you, also. Hope this helps, and feel free to get back to me with any other questions or concerns, and we will go from there. Thanks.
Oct 3, 2020 at 9:58 AM (Merged)
Avatar
STRAILER
  • CERTIFIED EXPERT
  • 53,854 POSTS
Here is a guide to help you check the fuses and the fuse locations as well:

https://www.2carpros.com/articles/how-to-check-a-car-fuse

Check out the diagrams (below). Please let us know what happens.
Oct 3, 2020 at 9:58 AM (Merged)
Avatar
DHOLIDAY
  • MEMBER
  • 1 POST
I had a starter replaced on my car because it wouldn't start. I had power but it wouldn't start. A day after the starter was replaced my car cranked and then completely shut down. I didn't have any power including door/window locks. What happened?
Oct 3, 2020 at 9:58 AM (Merged)
Avatar
YAM
  • MEMBER
  • 23 POSTS
Well you replaced your starter but could be the alternator is not charging the battery up, battery is completely dead, ignition switch would be another place to look too......just some area i can think of that come off the top of my head!
Oct 3, 2020 at 9:58 AM (Merged)