Hi, I have a 1997 honda accord LX 4 door 4 cylinder 2.2 L engine. I was driving two weeks ago, and the wiper blades went far beyond the windshield to the left, and then ceased to operate. (neither of them work) When I turn on the windshileld wipers from inside the car, I can hear the motor, but the blades don't turn. When I turn the windshiled wipers on high, I hear the motor louder. When I turn it on low, I hear it lower. I checked all fuses and they are all in working order. I checked the wiper arm, and the hole on the wiper arm, that fits onto the nut that sticks out of the car was a bit stripped. So I bought another one, and fitted it on the car, but the same thing happened, that is to say, I hear the motor, but the blades don't move.
The nut that the wiper arm fits on, does not spin when I turn on the windshield wipers from inside the car.
The windhield washer fluid comes out just fine, but the blades dont come on after I put the fluid on the windshield.
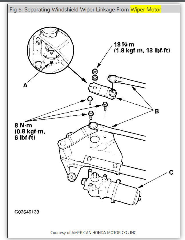
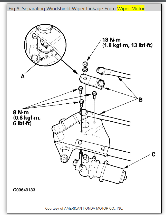
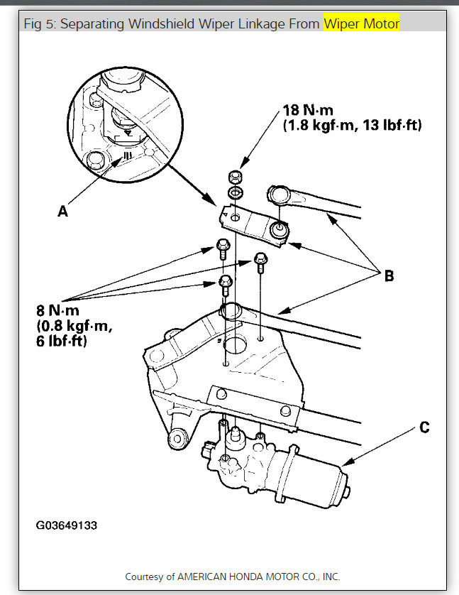
If I take apart the assembly that houses the wiper motor, what should I look for as far as a faulty system? What do you think is the problem with my windshiled wipers I have a haynes repair manual, but this does not address the problem.
Aug 13, 2019 at 6:27 PM
(Merged)