My window is not working can you help me?

2004 HONDA ACCORD
120,000 MILES • 4 CYL • FWD • AUTOMATIC
Avatar
BCLEVER07
  • MEMBER
  • 3 POSTS
When I started my car, the passenger rear window automaticly opened while the remaining three stayed closed. Now the window will not close at all. What is the cause and how do I go about fixing this.

thanks
Kato
May 8, 2009 at 5:49 AM
Advertisement
Avatar
MMPRINCE4000
  • CERTIFIED EXPERT
  • 8,548 POSTS
One of the window switches is broke/stuck, either the master control on the drivers side or the one controlling the window in question.

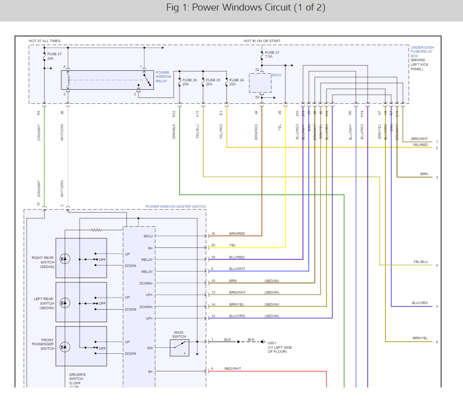
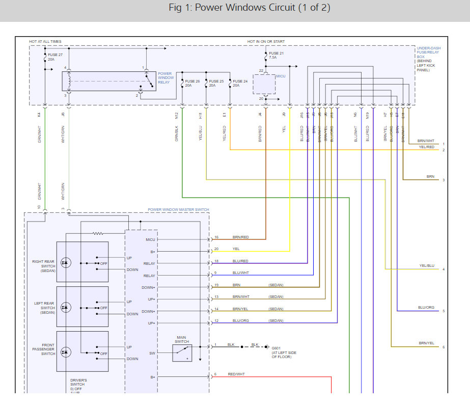
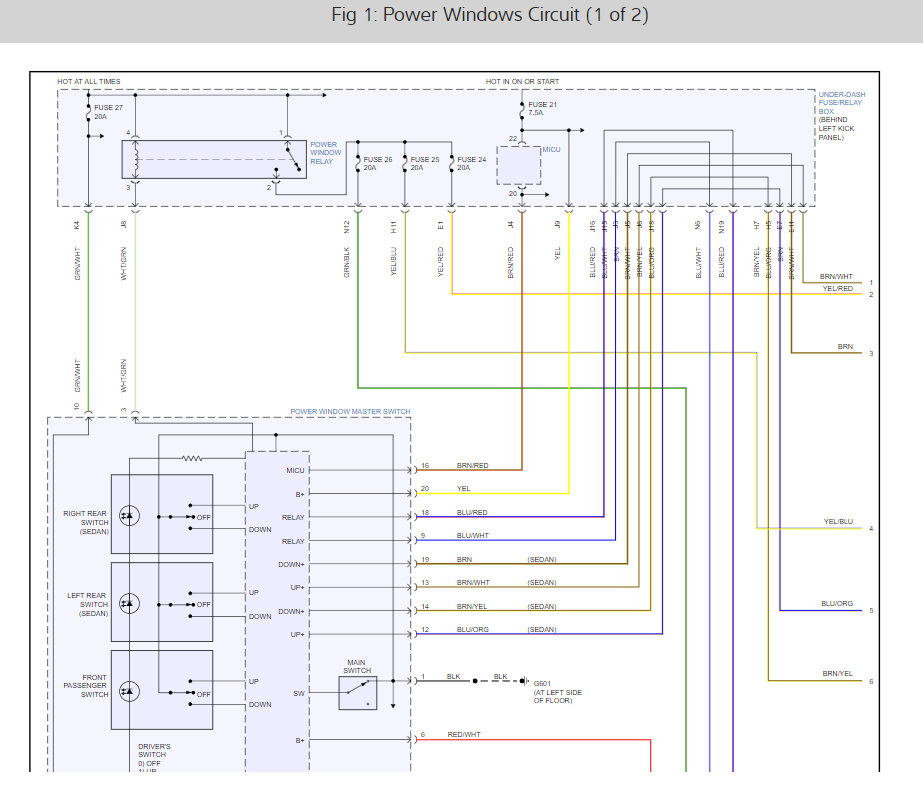
Remove rear switch, disconnect it, short wires with some wire to raise. If it goes back down, then the master control switch is bad. Here is a guide to help test to for power with the window wiring diagrams below to show you how the system works.

https://www.2carpros.com/articles/how-to-use-a-test-light-circuit-tester

Check out the diagrams (Below). Please let us know what happens.
May 8, 2009 at 6:16 AM
Avatar
BCLEVER07
  • MEMBER
  • 3 POSTS
The master control was the culprit. I changed it and all the windows work. But now I encountered a different problem. My remote will not lock, unlock or release my trunk. How do I reset my remote?
May 8, 2009 at 3:06 PM
Advertisement
Avatar
MMPRINCE4000
  • CERTIFIED EXPERT
  • 8,548 POSTS
Check owners manual for instructions.
May 8, 2009 at 3:47 PM
Avatar
BCLEVER07
  • MEMBER
  • 3 POSTS
Thanks. I was able to reprogram the remotes but it took me a while to get it done within 4 seconds. But everything is fine now.

Once again thanks for the help.

Kato
May 8, 2009 at 8:05 PM
Avatar
MMPRINCE4000
  • CERTIFIED EXPERT
  • 8,548 POSTS
Great news, thanks for using 2carpros.
May 9, 2009 at 6:03 AM
Avatar
SOPARKLION
  • MEMBER
  • 1 POST
My passenger side power window stopped functioning a couple weeks ago, fortunately in the up position. I could use the slave or master switch and there was absolutely no sound from the motor. I took apart the door and ran a line from the battery to the motor and I was able to move the window up and down. Now when I test across each switch with my circuit tester, I register a complete circuit. This has me completely stumped, as I'm now wondering what could be wrong... the driver's window is fine, so it isn't the fuse. If it were either switch, then they should've give good circuit results. The wire from the slave to the actuator also tests out as OK. Could I have an issue with my wiring harness?
Thanks,
SPL
Jan 4, 2021 at 1:01 PM (Merged)
Avatar
KHLOW2008
  • CERTIFIED EXPERT
  • 41,814 POSTS
Hi soparklion,

It sounds like the master switch has gone out which controls the power and ground to the passengers side window. Here is a guide to help test it to confirm the issue and diagrams below to show you how to change the switch out.

https://www.2carpros.com/articles/electric-window-repair


Check out the diagrams (Below). Please let us know what happens.
Jan 4, 2021 at 1:01 PM (Merged)
Avatar
TORIB
  • MEMBER
  • 2 POSTS
thanks for this post I had the main switch go out on me as well cost me $98.00 for the switch from the deal all fixed!
Jan 4, 2021 at 1:01 PM (Merged)
Avatar
MJEAN
  • MEMBER
  • 1 POST
I removed negative cable to check alternator. (Oops) kept running but sluggish so tapped gas pedal (double oops) the moment I tapped gas pedal, the heater fan came on full blast and won’t turn off unless relay removed. Temperature control works. Also the passenger windows and rear driver side window and sunroof stopped working at same time. Replaced alternator and battery. New ones bad now. Where do I start?
Jan 4, 2021 at 1:01 PM (Merged)
Avatar
STRAILER
  • CERTIFIED EXPERT
  • 53,854 POSTS
Yep, you can't do that. It sounds like the passengers side multiplex is out, but I would check all the fuses. here is a guide and the fuse locations below along with the multiplex location for replacement if the fuses are okay.

https://www.2carpros.com/articles/how-to-check-a-car-fuse

Check out the diagrams (below). Let us know what happens and please upload pictures or videos of the problem.
Jan 4, 2021 at 1:01 PM (Merged)
Avatar
MASTROCHR
  • MEMBER
  • 4 POSTS
Hi,
My driver's side window is off the track. It wobbles when I put it down, but goes up pretty smoothly. Do I have to take the door off and reset the window on the track or is there an easier way to do it?

Also, my passenger side lock (it's a coupe) decided to stop working yesterday. Whether I unlock the car with the keyless entry or with the door unlock button inside, it won't go down or up. I have to manually slide over and lock/unlock it. It this because of something in the lock, the switch, or something else I'm not thinking of?

Thank you!
Jan 4, 2021 at 1:01 PM (Merged)
Avatar
KHLOW2008
  • CERTIFIED EXPERT
  • 41,814 POSTS
Hi mastrochr,

The door glass movement could be due to bad runchannels. Try spraying some silicone lubricants on the glass contact areas of the runchannel and test a few times to see if the problem is reduced or disappears. It is a temporary fix if it works.

As to the door lock, it could be a broken connection or a faulty door lock actuator. You would need to remove the door panel to test the actuator.
Jan 4, 2021 at 1:01 PM (Merged)
Avatar
HUSSEIN ESM
  • MEMBER
  • 1 POST
So my drivers side window will not go up or down. Every other window works properly when using the respective switch. A friend tested the electrical output (?) of the plug attaching to the driver' side window motor and claimed that there was no power. What is a possible diagnosis? Any help, please.
Jan 4, 2021 at 1:01 PM (Merged)
Avatar
MHPAUTOS
  • CERTIFIED EXPERT
  • 31,937 POSTS
Often you get a break in the loom where it passes from the frame to the door, with the flexing each time the door is opened and closed you can get a failure in the wires here. i would start looking here first.
Jan 4, 2021 at 1:01 PM (Merged)
Avatar
NICOLELASKEY
  • MEMBER
  • 1 POST
my automatic windows will not go up all the way, they have dropped about an inch in to the doors.
Jan 4, 2021 at 1:01 PM (Merged)
Avatar
HONDAMIKE
  • CERTIFIED EXPERT
  • 71 POSTS
Sounds like your window regulator (the "scissor" arms that move the glass up and down in the door) needs replaced.

Another possibility is that a bolt that attaches the glass to the regulator may have worked loose. You will need to remove the door panel and the plastic cover to see inside the door.
Jan 4, 2021 at 1:01 PM (Merged)
Avatar
JACOBANDNICKOLAS
  • CERTIFIED EXPERT
  • 110,175 POSTS
You need to remove the door panel and check to see what has come apart. Chances are the regulator is bad.
Jan 4, 2021 at 1:01 PM (Merged)
Avatar
NICSKAR
  • MEMBER
  • 1 POST
All windows in my 2001 honda accord (other than the driver side window) do not function in response to pushing the window control buttons on any door. I just cleaned out the car, wiping it down with windex spray. I did also spray the control buttons on the door and wiped them off seconds later, but I had done so many times before without any problem. Could this have caused a short circuit or a blown fuze? Why would the driver side window still work? If it is blown fuze, how do I identify the one that needs to be replaced? If it is a short circuit, what do I do, and generally how much should I expect to pay?
Thanks much! Nick
Jan 4, 2021 at 1:01 PM (Merged)
Avatar
KHLOW2008
  • CERTIFIED EXPERT
  • 41,814 POSTS
Hi nicskar,

At the driver control there is a lock and unlock button for the other power wndows. Check if you accidentally lock the power supply to the other windows.
Jan 4, 2021 at 1:01 PM (Merged)
Avatar
BUSCHY
  • MEMBER
  • 2 POSTS
I own a 2001 honda accord 4 door. recently, when it started to get warmer, my front drivers side window stopped working. at first it was spuradic, on a hot humid day, it would stop working. later at night when it cooled off and was less humid it would start working again. now in the hot and humid chicago summer, it doesnt work at all anymore. since it stated off as spuradic, i assume it has something to do with the actual swith on my door. I have tried replacing the fuses just incase that was the problem, but nothing has fixed it. should i look into buying a new power window switch assembly or is the problem more complicated? Please help!
Jan 4, 2021 at 1:01 PM (Merged)
Avatar
CARADIODOC
  • CERTIFIED EXPERT
  • 34,306 POSTS
Hi buschy. Welcome to the forum. How about we diagnose this puppy instead of blindly throwing parts at it? It could be the switch, but it could also be broken wires between the door hinges or a dead motor.

First of all, where are the switches, in the door or in the center console? Do the other windows work? If the other windows do not work, suspect broken wires between the driver's door hinges. If the switches are in the center console, it is possible for any one window to not work due to broken wires in that door.

A simple trick that might help narrow down the cause is to watch the dome light very closely when you press the window switch. The engine must be not running but the ignition switch must be in the run position. If you see the dome light dim just the very tiniest amount when you press the window switch, the wiring and switch are most likely ok, and the motor is drawing current and trying to run. See if the window will move when you try to help it. If it moves but slowly, there are two common possibilities. There may be a thermal cutout inside the motor that has pitted contacts. The cutouts cause more problems than they prevent. The second possibility is the rubber channels are gummed up and the window is sticking. Spray Silicone Spray Lube inside those channels and let it wash down along the edges of the glass. It will evaporate and leave a slippery film behind.

If you don't see the dome light dim at all when you press the window switch, suspect broken wires again between the hinges, or it is possible, but not common, that the switch itself is defective. GM has a lot trouble with window switches, but not most other manufacturers.

caradiodoc
Jan 4, 2021 at 1:01 PM (Merged)
Avatar
BUSCHY
  • MEMBER
  • 2 POSTS
caradiodoc,
Thanks for responding so quickly. I tried turning the ignition on but keeping the car off and testing the switch. there was no flicker or dimming of the dome light.
I wanted you to clarify what you ment by a broken wire 'between the hinges.' are you refering to the wires that travel through the grommit between the door and the car body? would this be something i would have to buy a new wire for or could i just patch it with electrical tape or wire nuts? I am fairly competent with wiring and would like to do this myself.
Also, could you recommend where i could find a detailing of what color wire's are for what controls? I am used to setting up my own car stereos and remember most of them coming with a diagram or detailing of what color is for what purpose.
Thanks again!
Jan 4, 2021 at 1:01 PM (Merged)
Avatar
CARADIODOC
  • CERTIFIED EXPERT
  • 34,306 POSTS
Yup, those are the wires I'm talking about. Some vehicles like Jeeps use a harness that plugs in on both ends. Most vehicles have wires that do go to plugs on the body side but getting to them isn't always practical. I've done a half dozen repairs on older Caravans. I can't help you with wire colors, but if you replace just one at a time, you shouldn't have to know which one is which.

Here's a copy / paste version of a reply I sent to someone else:

Suspect broken wires between the two left door hinges. The following repair pertains to Caravans, but the procedure applies.

Peel the tape open on the wire harness between the two left door hinges. Remove the door trim panel, unplug all the stuff like power mirrors, windows, locks, speakers, and courtesy light so you can pull the harness part way out of the door.. Pull as much harness as possible out of the "A" pillar.

There can be up to 22 wires and some of them will be the same color with the same color stripes. If you mix these up, everything will still work, but you might pop an automatic resetting circuit breaker if the right power window is operated in different directions by two different people at the same time. To avoid confusion, start with the broken wires, then move on to the wires with cracked insulation.

In 1990s Caravans, the replacement section is 11" long. Slide the rubber grommets back to expose the sections or wire that were inside the door and "A" pillar. Cut one wire in these two sections. The replacement wire must be the same gauge, stranded, and 22" long. The color is not important. Strip about 1/2" of insulation from both ends of the replacement wire, and both ends of the original wire. To splice the new wire in, slide the strands together and push down any strands that stick up. Solder the connection by heating it with a soldering iron on one side and applying the solder to the other side, never directly to the iron tip. The molten solder will flow toward the heat source. When it cools, check for any sharp points. If you can feel them, flatten them with a needle nose pliers so they don't poke through the heat-shrink tubing. Slide a 1" piece of heat-shrink tubing over the splice and warm it with a match or lighter. Don't over-do it as the tubing will melt and split open. Also, don't use electrical tape. It will come off in hot weather, and is a sign of laziness.

Slide another piece of tubing onto the wire, then splice the second end. Install the heat-shrink tubing, and the first wire is done. When all the wires are done, wrap the harness with tape. Electrical tape will crack apart in a short time. Friction tape works well, but don't make the bundle of wires real tight. The wires will want to slide over each other a little when the door is opened and closed.

Slide the grommets over the ends of the tape to help hold it in place. Slide just enough of the harness back into the door to reconnect all the plugs. All the splices on this end should be inside the door so they don't flex when the door is opened. By splicing in 22" long pieces of wire, the new section of the harness is twice as long as it should be. Slide the rubber grommet for the "A" pillar down far enough that only 11" will be between the door and "A" pillar. Push the other wire into the "A" pillar and coil it where the parking brake pedal won't interfere with it. The reason for the extra wire is to get ready for the next time this repair becomes necessary. Just pull the harness out and you will be half done! No need to make the splices on that end.

caradiodoc
Jan 4, 2021 at 1:01 PM (Merged)
Avatar
JFRAYSSE
  • MEMBER
  • 3 POSTS
My car is the two door model. The driver's side window just started chattering at the top of its travel and will not close completely. so rain, cold air and wind noise are a problem. The window has to be manually pulled into the correct "up", and completely closed, position. Very annoying! Is there a limit switch somewhere that might be failing? If so, is this an easy fix or do a have to replace the entire power window mechanism and drive motor? Please advise and thanks!
Jan 4, 2021 at 1:02 PM (Merged)
Avatar
MHPAUTOS
  • CERTIFIED EXPERT
  • 31,937 POSTS
You will have to pull the door trim off and inspect the regulator, the teeth on the driven arm may be worn away and the chattering is the drive gear skipping, if so a replacement regulator is required.
Jan 4, 2021 at 1:02 PM (Merged)
Avatar
JFRAYSSE
  • MEMBER
  • 3 POSTS
Hi MHPAUTOS: Thanks, this is what I suspected as well, but I was hoping that there was a limit switch that needed re-positioning or something. :D Thank you for your time and your expertise!
Jan 4, 2021 at 1:02 PM (Merged)
Avatar
STRAILER
  • CERTIFIED EXPERT
  • 53,854 POSTS
Hello,

If I am add here is a guide that will give you an idea of what you are in for when doing the job.

https://www.2carpros.com/articles/how-to-check-and-replace-a-electric-power-window-motor

Here is a guide on how to remove the door panel

https://www.2carpros.com/articles/door-panel-removal

and here are some diagrams on how to do the job on your car (below)

Please let us know what happens.

Cheers, Ken
Jan 4, 2021 at 1:02 PM (Merged)
Avatar
JFRAYSSE
  • MEMBER
  • 3 POSTS
Thanks, Ken! I'm plan to do this tomorrow! :D
Jan 4, 2021 at 1:02 PM (Merged)
Avatar
STRAILER
  • CERTIFIED EXPERT
  • 53,854 POSTS
Let us know what happens and please upload pictures or videos of the problem.

Cheers, Ken
Jan 4, 2021 at 1:02 PM (Merged)
Avatar
PICAZO
  • MEMBER
  • 1 POST
@SOPARKLION did you ever get the problem fixed?
Mar 16, 2021 at 4:14 PM
Avatar
DANNY L
  • CERTIFIED EXPERT
  • 5,648 POSTS
Hello PICAZO, I'm Danny.

You've attached a response to a years old question. What we ask is for you to do is start a new question and please be sure to include all your vehicle information. Here is the new question link:

https://www.2carpros.com/questions/new

We will look forward to hearing back from you and will be willing to answer your question. Also be sure to include all problem symptoms or issues the best you can describe. Hope this helps and thanks for using 2CarPros.
Mar 17, 2021 at 9:29 PM