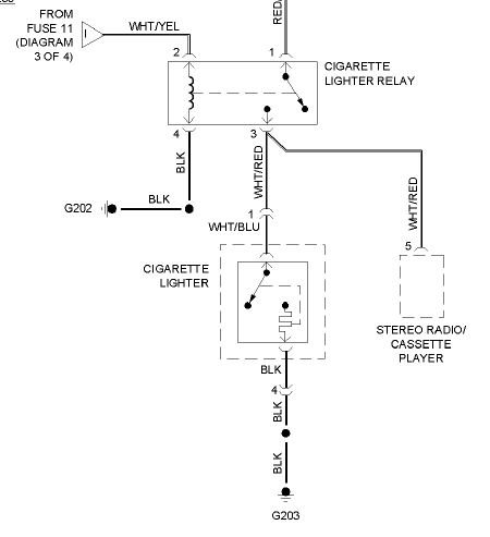
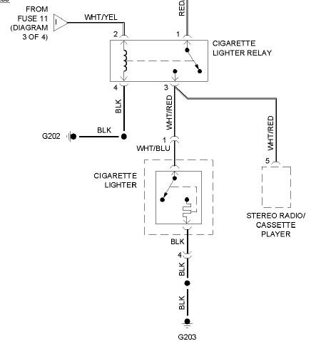
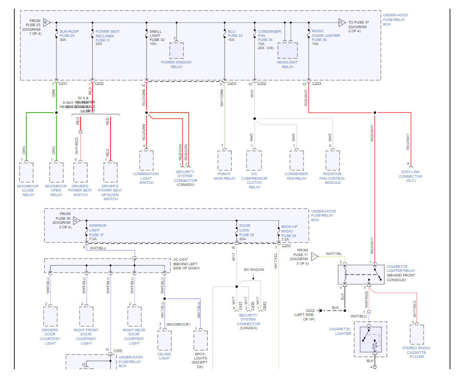
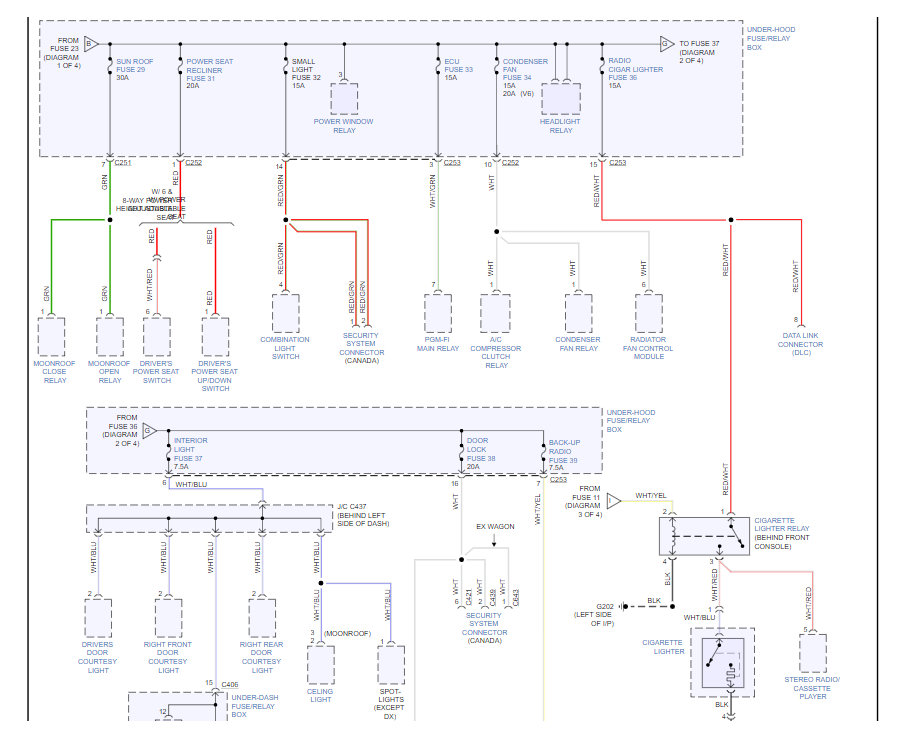
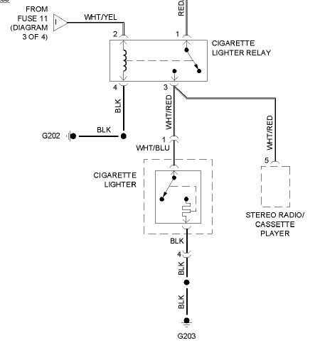
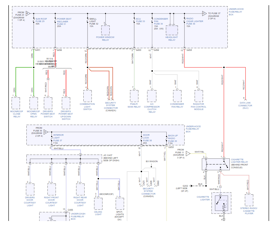
I was plugging into the cigarette lighter to get power for my iPod when the LED indicator suddenly dimmed off---no more power access but the car starts, drives and the CD/radio plays OK. Hmmm...there was no UFO around. What could be wrong? Thanks a lot!
Dec 26, 2008 at 9:42 PM




