dashboard illumination lights and lights around radio and heater lights are not working?

2002 HONDA ACCORD
Avatar
PNAGILL
  • MEMBER
  • 1 POST
thanks for this service. I have a 2002 honda accord SE and my interior dashboard illumination lights and lights around radio and heater lights are not working after my daughter installed a of the counter radio. I had it removed and the factory radio re-installed but the problem still exists. I don't know if it is the dimmer switch (which I doubt) or the multiflex unit on drivers side. Honda wants to diagnose and check this and that for over $80 before they begin. fuses are fine everywhere. all other lights work I've heard of this with others when radios have been installed BUT no one has re-installed the original. Also, when you turn on the light half way the clok light, shift light and radio light comes on till you turn the lights on all the way. Please let me know which one. P>S> I'm a divorced mother with 4 girls and I do most of my work myself BUT i'm afraid of electrical and all the codes after the work which one would you ask the honda people to do. i want to cut cost of diagnosis. thanks
Feb 1, 2009 at 7:57 AM
Advertisement
Avatar
DANNY L
  • CERTIFIED EXPERT
  • 5,648 POSTS
Hello, I'm Danny.

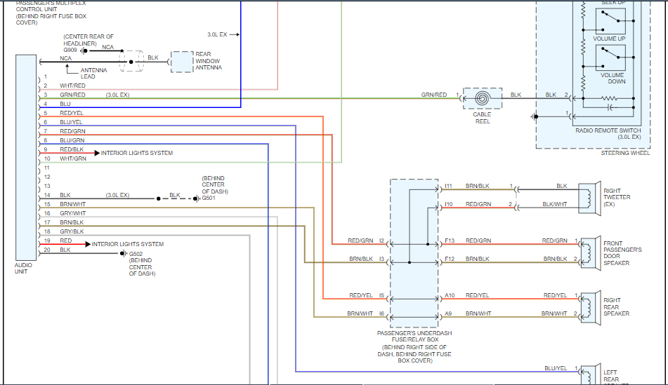
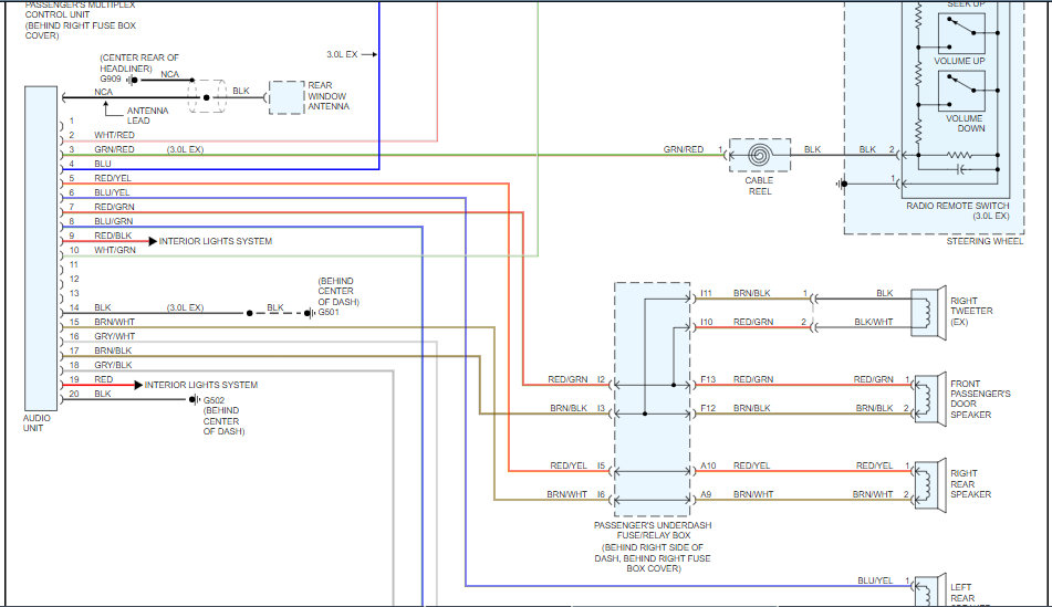
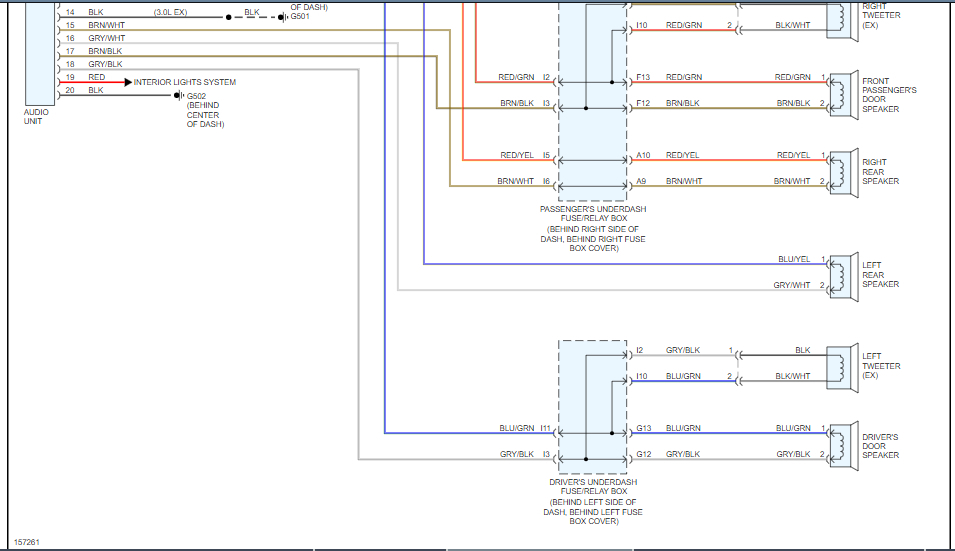
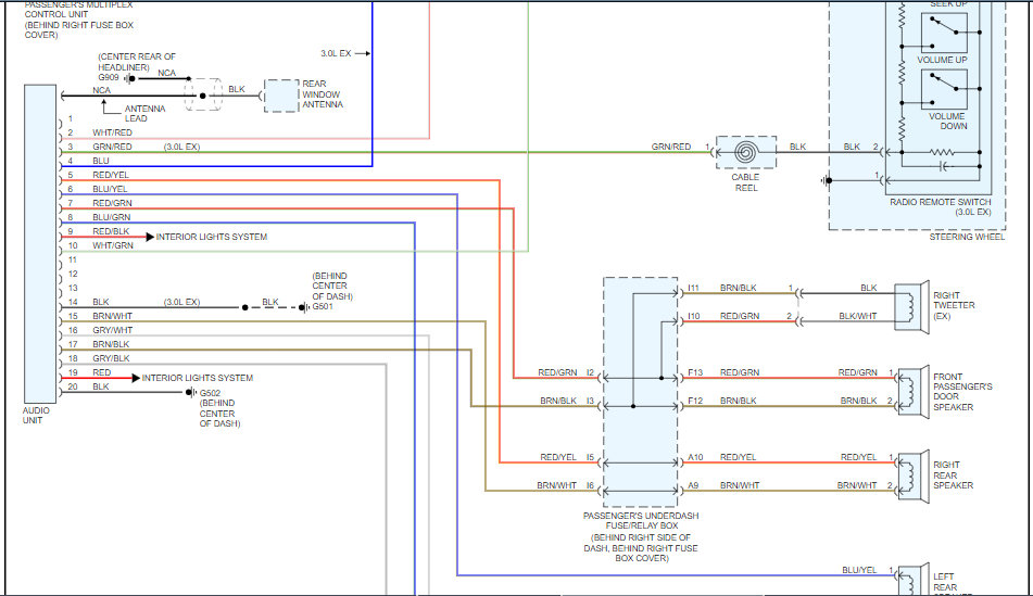
It's possible when the aftermarket radio was installed they could have spliced incorrect wires or hook things up incorrectly. Upon re-installation of the factory radio it possible that the wiring still remains incorrectly installed. I would suggest removing the factory radio to inspect the radio wiring circuit to inspect and see what is installed correctly or if further repairs to the wiring is needed. Here is a tutorial showing how to test electrical wiring:

https://www.2carpros.com/articles/how-to-check-wiring

I've attached the wiring diagram below of the radio electrical circuits for your Honda. I've cut the picture into 3 pieces so you can view larger. Hope this helps and thanks for using 2CarPros.
Aug 29, 2021 at 9:13 PM