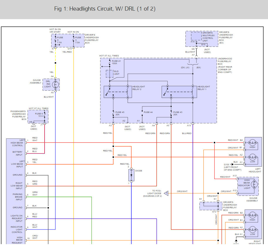
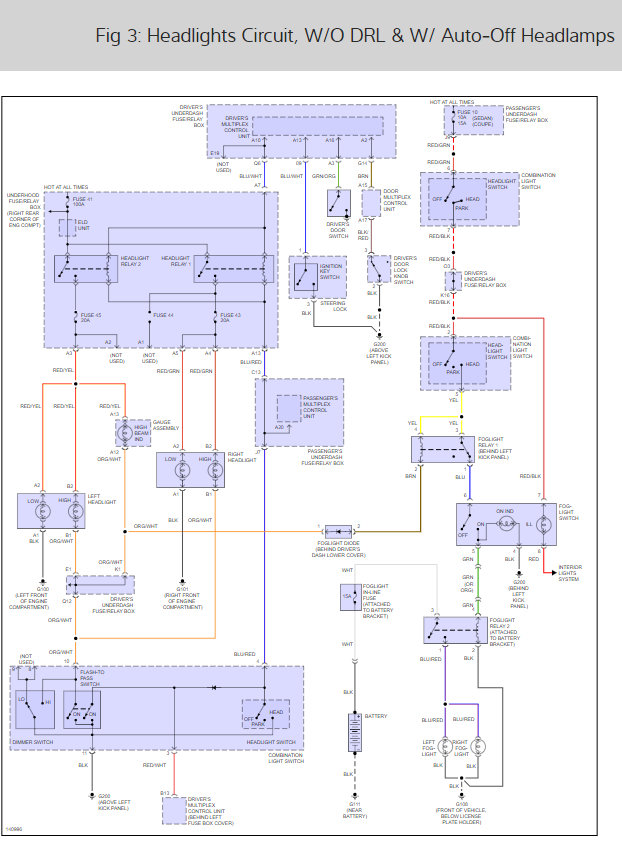
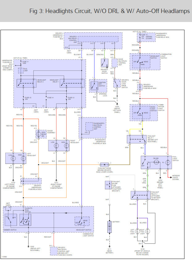
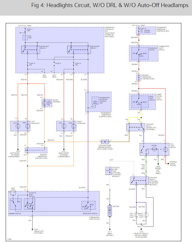
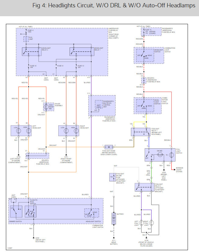
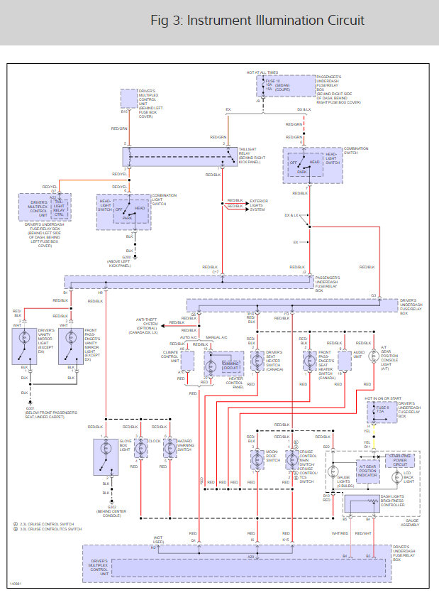
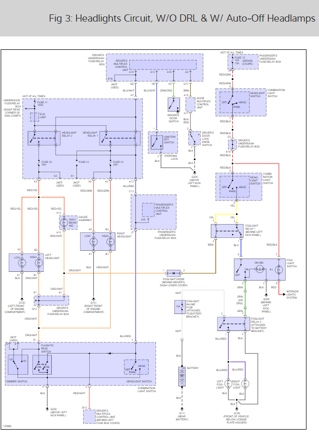
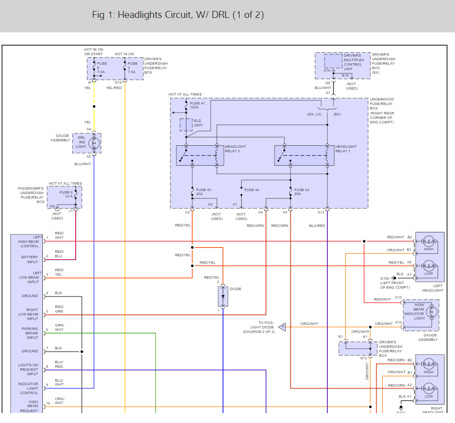
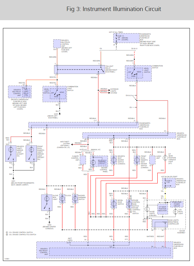
Honda Accord, 2001: Taillights and Dash lights do not work. I understand from some internet search that the problem night be the Multiplex Control Unit (MCU). Do you have any insight on the cause, and is there a way to check the MCU
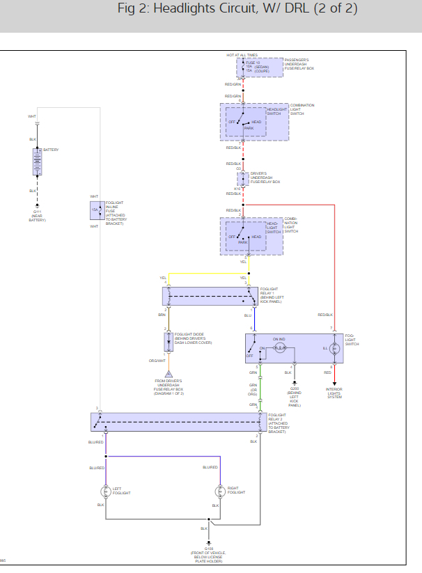
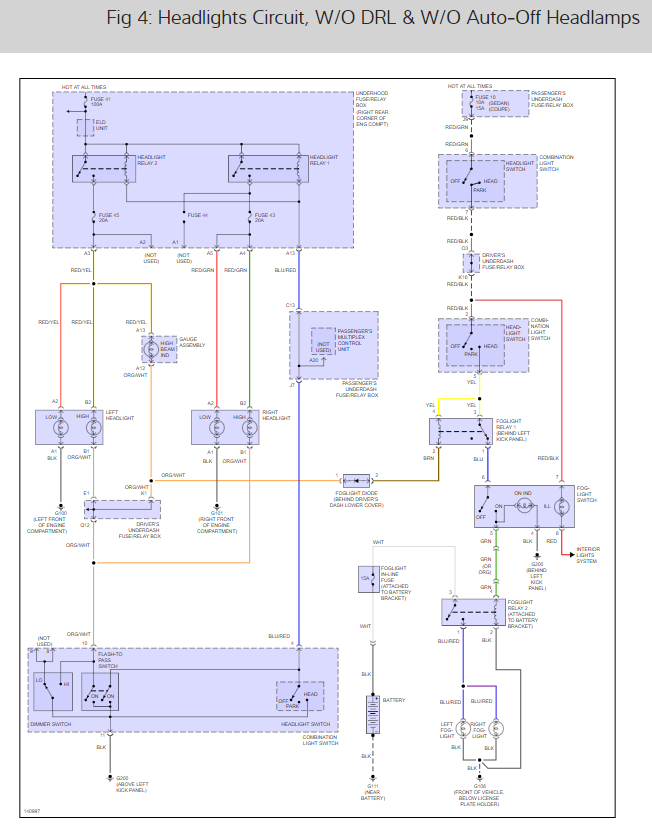
Headlights work
Turn signals work
Hazard lights work
Break lights work
Fuses all good
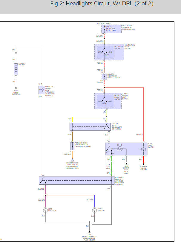
Headlights work
Turn signals work
Hazard lights work
Break lights work
Fuses all good
May 15, 2013 at 6:03 AM












