my tail lights will not work and my blinker and hazard fuses keep blowing

2001 HONDA ACCORD
160,000 MILES • 4 CYL • 2WD • AUTOMATIC
Avatar
JMEEKS777
  • MEMBER
  • 2 POSTS
I had a blow out on my left front tire the other day and now my tail lights will not work and my blinker and hazard fuses keep blowing. I need to know how to rewire my tail lights and find the short that keeps blowing my fuses?
Sep 1, 2008 at 10:21 AM
Advertisement
Avatar
KHLOW2008
  • CERTIFIED EXPERT
  • 41,814 POSTS
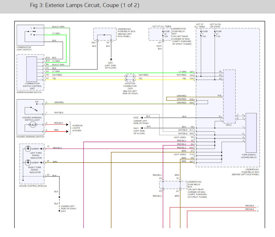
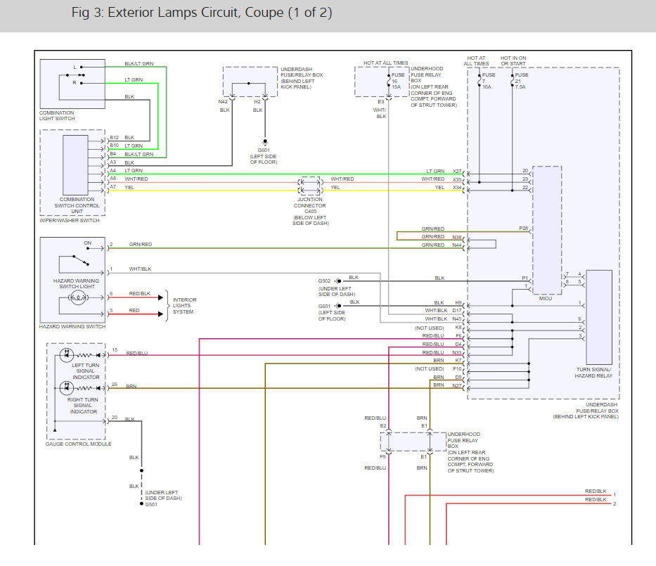
Check the front left area for damage to wirings caused by the blowout. Here is a guide to help check the wiring with the tail light wiring diagrams below:

https://www.2carpros.com/articles/how-to-check-wiring

Check out the diagrams (below). Please let us know what you find.
May 17, 2021 at 12:19 PM
Avatar
JMEEKS777
  • MEMBER
  • 2 POSTS
There is damage to wirings in the left front area, it knocked my left turn signal completely out and the wires from that are loose. Could that be causing my tail lights to not come on? I have hazard lights, brake lights, and reverse lights. just no tail lights. Is there a manual on how to rewire my tail lights somewhere?
May 17, 2021 at 12:19 PM
Advertisement
Avatar
KHLOW2008
  • CERTIFIED EXPERT
  • 41,814 POSTS
Yes, the wiring shorting at front will cause the fuse to blow resulting in no taillight.
May 17, 2021 at 12:19 PM