How do I disassemble, replace the bulb and then reassemble the center console of my 2001 Honda Accord?
Nov 10, 2008 at 11:53 AM
Advertisement
KASEKENNY
CERTIFIED EXPERT
18,907 POSTS
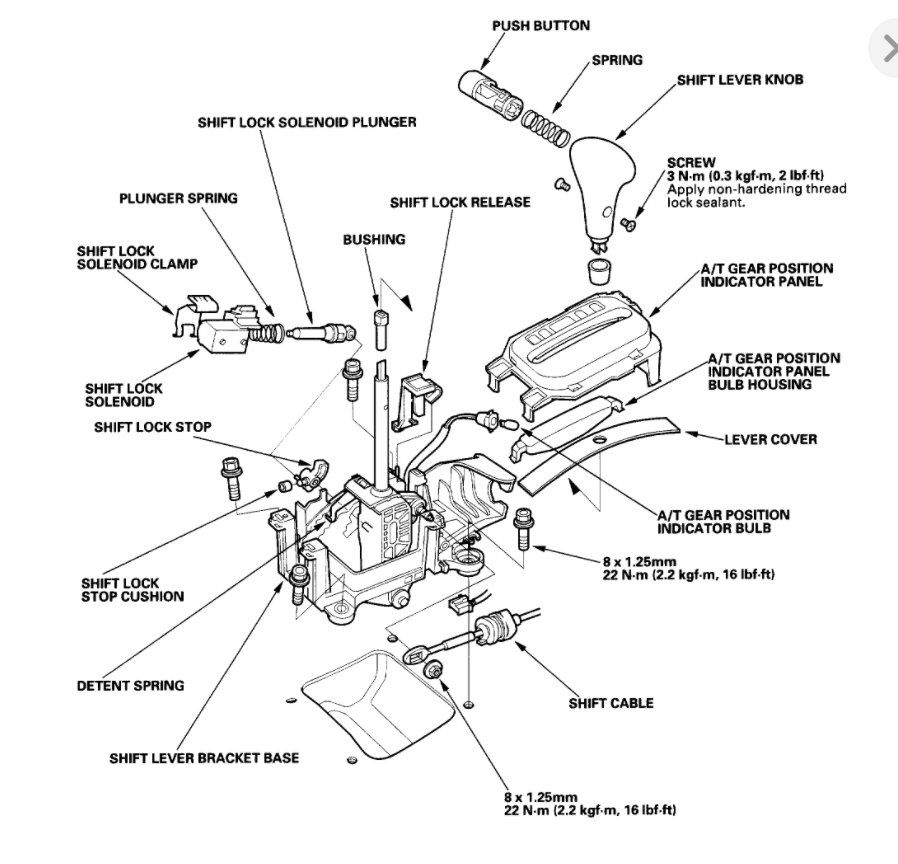
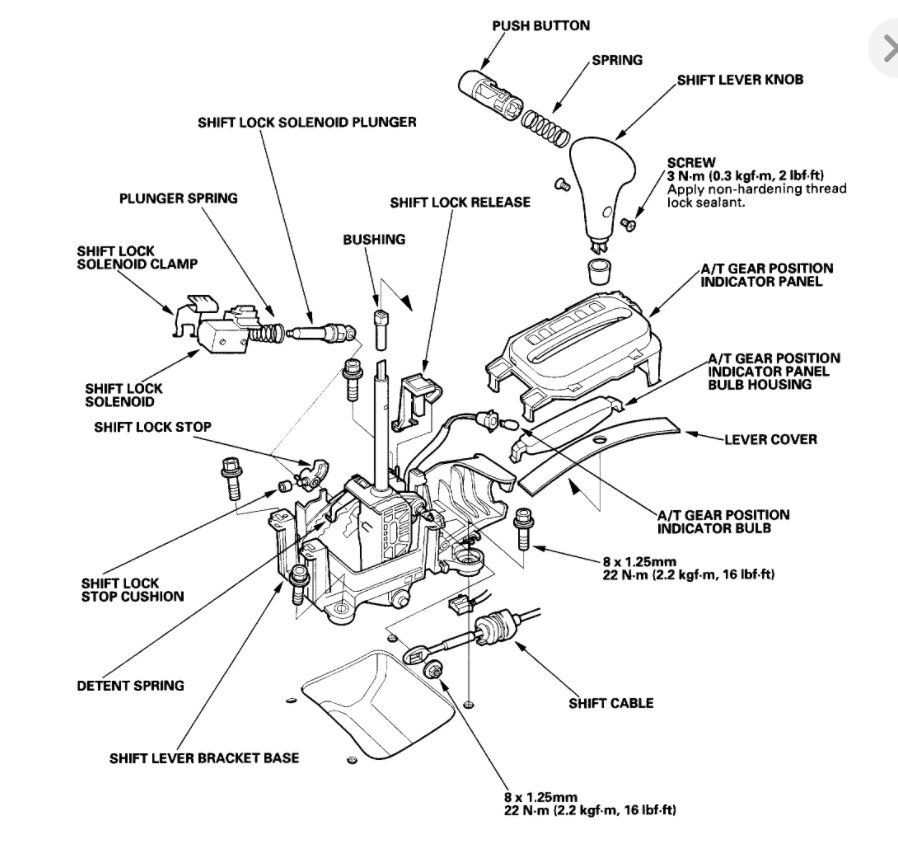
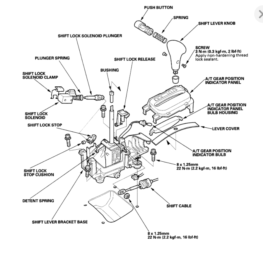
This just requires removing the center console and you should be able to access the bulb from there. However, if needed you will need to take the shifter loose.
I am attaching the info below on how to do this.
Please run through this material and let us know what other questions you have.