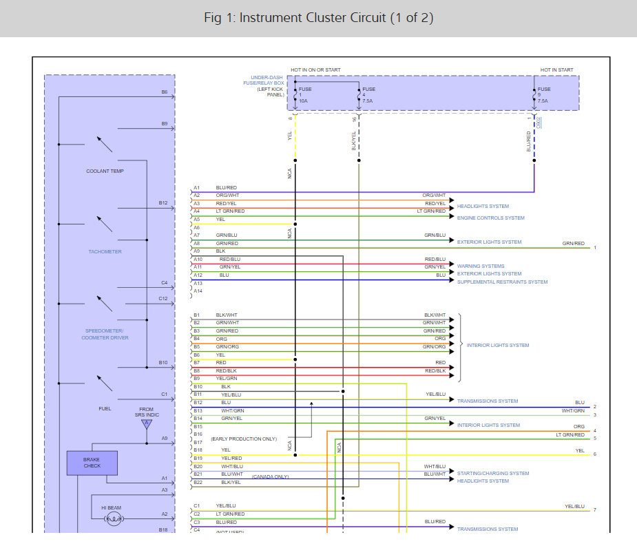
The fuel gauge is not working.
The car did not pass the California smog test. I found the problem to be the check engine light was bad and the EGR passage plugs were plugged.
The fuel gauge was working before I removed the instrument cluster so I could replace the check engine bulb.
At this time the needle is showing a full tank and will not move to indicate less than full.
I have checked the three screws that bring power to the gauge. I have physically moved the gauge to empty and watched the slow rise to full.
Unplugged and re-plugged the instrument cluster wires (to insure I had good connections).
The Haynes book does not seem to have a check out procedure for this. Any help would be appreciated.
Thanks
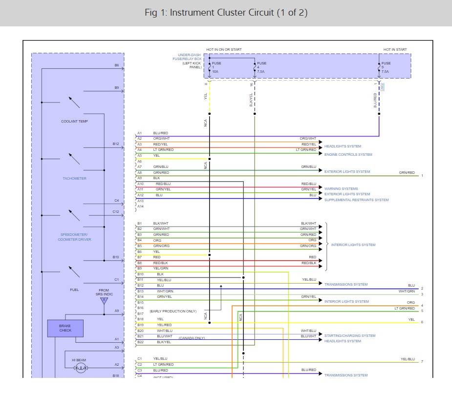
The car did not pass the California smog test. I found the problem to be the check engine light was bad and the EGR passage plugs were plugged.
The fuel gauge was working before I removed the instrument cluster so I could replace the check engine bulb.
At this time the needle is showing a full tank and will not move to indicate less than full.
I have checked the three screws that bring power to the gauge. I have physically moved the gauge to empty and watched the slow rise to full.
Unplugged and re-plugged the instrument cluster wires (to insure I had good connections).
The Haynes book does not seem to have a check out procedure for this. Any help would be appreciated.
Thanks
May 12, 2010 at 10:08 PM



