power window not working?

1995 HONDA ACCORD
Avatar
TOOMBSMUSIC
  • MEMBER
  • 1 POST
I have a 95 honda accord lx. My driver window won't go back up. I took it to a shop and they took the door panel off and then unplugged the the plug that goes directly to the window motor. They hooked it directly to a separate battery, and the window went right up. So I know the motor works. My question is, is there anyway to test whether or not its the switch, or the other black box in the door that the power runs into after the switch(I heard people calling it a module)? Any help would be cool.
Feb 5, 2009 at 1:27 AM
Advertisement
Avatar
HONDAMAN6200
  • MEMBER
  • 18 POSTS
Toombs,
The electrical contacts inside the power window master switch for the operaton of the drivers window are not making a good connection when you push forward on the rocker button. If you are good with electrical "figitting" you may be able to fix it. Remove the master switch from the door. Remove the switching part with the electrical plug in part on it from the first piece removed. There is a rubber cover over all the switches. Peel back the rubber to gain access to the drivers rocker switch. Remove the "pin" the holds the rocker switch together. It just slides out one side. Under the rocker switch is a small metal rocker contact piece. Remover this piece and clean the "contacts" with emery cloth or something similar. Now clean the contact points inside the switch that they touch as well. Put it back together and "presto",
the window goes up and down. A new switch from Honda is about $175.00 ?. The other black box you mentioned is the power door lock control unit. Good luck. Buying a used one is always a option too but they come in different colors. This guide can help you test for power with the window wiring diagrams below to show you how the system works.

https://www.2carpros.com/articles/how-to-use-a-test-light-circuit-tester

Check out the diagrams (Below). Please run this test and get back to us.
May 2, 2019 at 5:05 PM
Avatar
BROHAMJEFF
  • MEMBER
  • 1 POST
Electrical problem
1995 Honda Accord 4 cyl Automatic 130000 miles
----------------------------------------------------------------
I have a 1995 honda Accord with 130000 miles. My power windows do not work at all. On the driver side there is a master control that can control all the 4 windows in the car, but the switch for the front passenger side is missing. Could the missing switch be the reason none of my windows work? If I get another switch will my windows work again?
Oct 16, 2020 at 10:57 AM (Merged)
Advertisement
Avatar
KHLOW2008
  • CERTIFIED EXPERT
  • 41,814 POSTS
Hi,

The missing swith would only afffect that particular window, but if the main switch is defective, then it can affect all other windows.

Have you checked the fuses under the bonnet? Each window has its own fuse.
Oct 16, 2020 at 10:57 AM (Merged)
Avatar
KCMDBT
  • MEMBER
  • 1 POST
I have installed a new window regulator, but the window will not go up or down. It's getting power to it when I have the panel off, cable that goes in and out of regulator acts like it caught, it only moves about 1/4 inch and won't go any farther.
Oct 16, 2020 at 10:58 AM (Merged)
Avatar
KHLOW2008
  • CERTIFIED EXPERT
  • 41,814 POSTS
Hi KCMDBT,

Check if the glass is sitting in channel properly.

If use hand to pull glass to assist, does it move up when operating the switch?
Oct 16, 2020 at 10:58 AM (Merged)
Avatar
LSAE
  • MEMBER
  • 2 POSTS
Other Category problem
1994 Honda Accord 4 cyl Wheel Drive Type unknown Automatic 186500 miles
----------------------------------------------------------------
my two front windows don't roll down no more. only the two windows on the back work properly.
the driver side window can be only rolled down by swinging/opening the drivers door all the way out to the point where it won't go any further. From there i can roll down the drivers side AND the passenger side windows. that tells me the motor is still good, but i can't figure out the rest. does the door comes with a sensor? i had been driving with this problem for 2 yrs. with just the passenger side window. but 6 months ago the driver side window just stopped working. so i decided to look it up. any help will be great thanks. i'm still thinking about taking the door panel out to check the motor first.
Oct 16, 2020 at 10:58 AM (Merged)
Avatar
BRUCE HUNT
  • CERTIFIED EXPERT
  • 3,754 POSTS
What it sounds like to me is a short in the harness. The wires go through a rubber conduit and it may have been damaged or a wire is broken.
Oct 16, 2020 at 10:58 AM (Merged)
Avatar
EMMAYO
  • MEMBER
  • 34 POSTS
Only the passenger side window is working. All other windows do not work. How does one go about repairing the other three windowsoes one go about repairing the other three windows
Oct 16, 2020 at 10:58 AM (Merged)
Avatar
PROMECHANIC
  • CERTIFIED EXPERT
  • 536 POSTS
You need to figure out if the others are getting power to the window motor or not. If they are getting power to the motors then you know the motors are probably bad. If they aren't then it is probably a problem with the switch.
It is easy to tell if you have a voltmeter. You just need to see if there is battery voltage to the motors when you press the switch. If there isn't then you need to see if the switch is getting power. If it is then it is probably a switch problem.
Oct 16, 2020 at 10:58 AM (Merged)
Avatar
EMMAYO
  • MEMBER
  • 34 POSTS
Thanks
Oct 16, 2020 at 10:58 AM (Merged)
Avatar
PROMECHANIC
  • CERTIFIED EXPERT
  • 536 POSTS
You're welcome. Let me know if you need anything else.
Oct 16, 2020 at 10:58 AM (Merged)
Avatar
EMMAYO
  • MEMBER
  • 34 POSTS
@promechanic. Same car diff problem. The two rear doors can only be opened from the outside. How does one go abt fixing this
Oct 16, 2020 at 10:58 AM (Merged)
Avatar
PROMECHANIC
  • CERTIFIED EXPERT
  • 536 POSTS
The most likely problem is that some of the parts inside the door have worn out. You have to remove the inside door panel and check all the rids and linkage to see why they aren't opening.
Oct 16, 2020 at 10:58 AM (Merged)
Avatar
EMMAYO
  • MEMBER
  • 34 POSTS
Ok. Thanks
Oct 16, 2020 at 10:58 AM (Merged)
Avatar
PROMECHANIC
  • CERTIFIED EXPERT
  • 536 POSTS
No problem
Oct 16, 2020 at 10:58 AM (Merged)
Avatar
MRSRINI671
  • MEMBER
  • 2 POSTS
Hi,

I have 93 Honda Accord LX, and have power windows (all the four doors).

Today when I opened all the doors, it opened, when reached my work place, I was trying to close all the windows, all the windows are closed except the Driver back seat window.

I tried several times to clsoe that window using the button from the driver side as well as passenger side but I could not.

Can any one help me or advise what needs to done.

Regards
Srini
Oct 16, 2020 at 10:58 AM (Merged)
Avatar
BRUCE HUNT
  • CERTIFIED EXPERT
  • 3,754 POSTS
You might need to take the cover off the door. Remove the inside panel. What you need to look for is whether the window electrical is the problem or the motor or the mechanism that raises and lowers the window. There is one relay under the hood but if it were bad, none of the windows would operate.

There are a couple of options. Once you know the problem, determine what it is you want to do. For instance, take it in and have it repaired, repair it yourself, or what I have done on a civic with the same problem is to just screw the window up in place. The cost for the mechanism from Honda was over $300.
Oct 16, 2020 at 10:58 AM (Merged)
Avatar
MRSRINI671
  • MEMBER
  • 2 POSTS
Thank you for the answers, Just I went to the car repair center. The problem is because of the some foreign particles gone into it, I think its chuwing gum.
Thats why the door is coming up for one inch. He said it has to open it and remove the particles.

Just I would like to know can I repair it my self using simple screw driver or similar kind of tools.

Regards
Srini
Oct 16, 2020 at 10:58 AM (Merged)
Avatar
BRUCE HUNT
  • CERTIFIED EXPERT
  • 3,754 POSTS
The door panel is snapped on at the bottom. Use a flat blade to get them loose. Then there is a screw in the door pull and the door handle as well. Slide the door handle to the right and it should move away from the panel. Disconnect the wire connection and carefully uncouple the connector to the push rod. Lift the panel straight up and unplug the wires. Reverse to put back on. When cleaning the door out use some ArmorAll on the window guides to make them softer again and it helps allow the window to slide up more easily and probably faster. You should apply on the other doors but you don't have to take them apart to do it.
Oct 16, 2020 at 10:58 AM (Merged)
Avatar
STEVEPTI
  • MEMBER
  • 1 POST
Rear electric window is stuck down. Trying to remove the door panel. I removed the screw in the door pull handle and the inside door opening handle but cannot get the handle out of the door. How do I remove the inside door handle?
Also, the window makes no noise when I push the button for down. When I push for up it just makes a grinding noise for a second or two then stops. Any suggestion on what I may find when I get the door panel off?
Thank.
Oct 16, 2020 at 10:59 AM (Merged)
Avatar
KHLOW2008
  • CERTIFIED EXPERT
  • 41,814 POSTS
Hi stevepti,

Expect to see a broken regulator top end roller for the cable.

The inner handle is slotted in before being tightened with the screw. Push the opener forward before lifting it out slightly to enable you to detach the lever behind it.
Oct 16, 2020 at 10:59 AM (Merged)
Avatar
PEREZ Y
  • MEMBER
  • 2 POSTS
I have a 92 honda accord and all 4 windows stop working
Oct 16, 2020 at 10:59 AM (Merged)
Avatar
KHLOW2008
  • CERTIFIED EXPERT
  • 41,814 POSTS
Have you checked the fuses underhood?
Oct 16, 2020 at 10:59 AM (Merged)
Avatar
PEREZ Y
  • MEMBER
  • 2 POSTS
yes the fuse and relay underhood
Oct 16, 2020 at 10:59 AM (Merged)
Avatar
KHLOW2008
  • CERTIFIED EXPERT
  • 41,814 POSTS
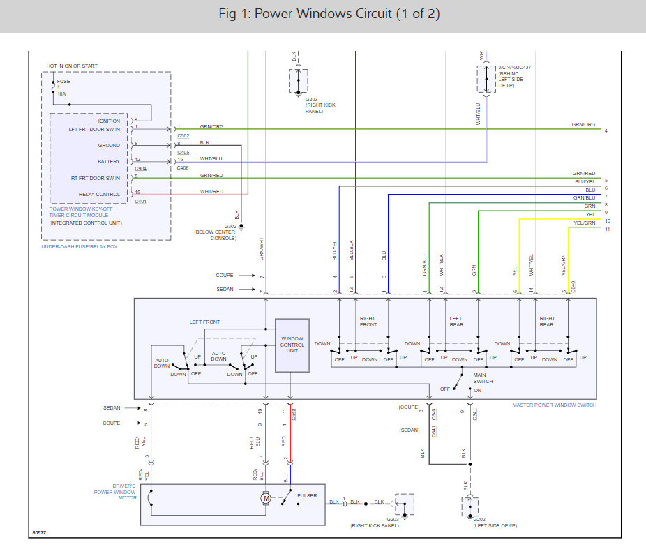
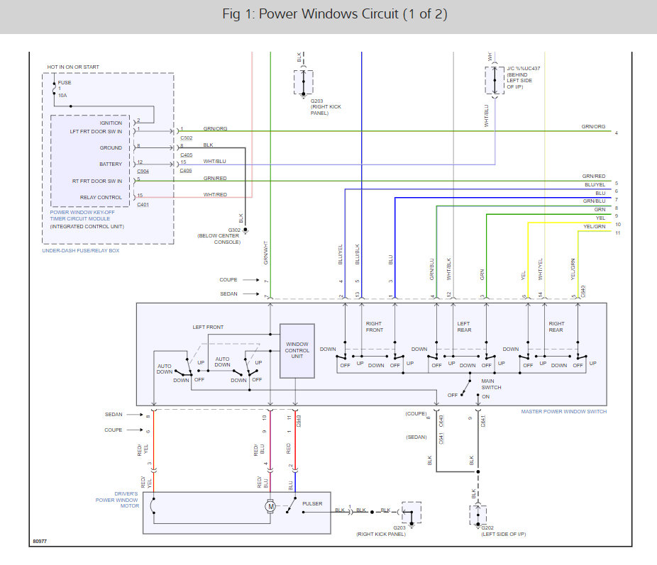
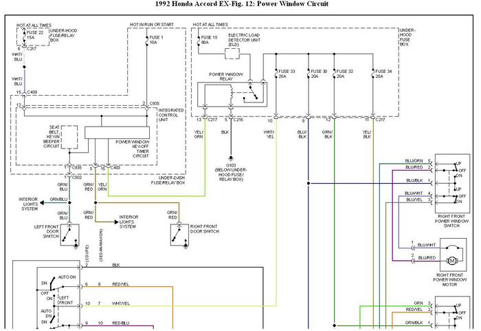
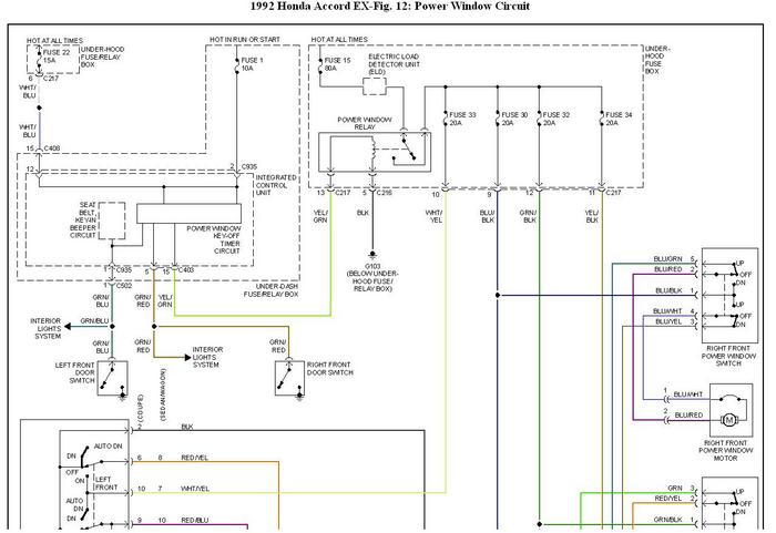
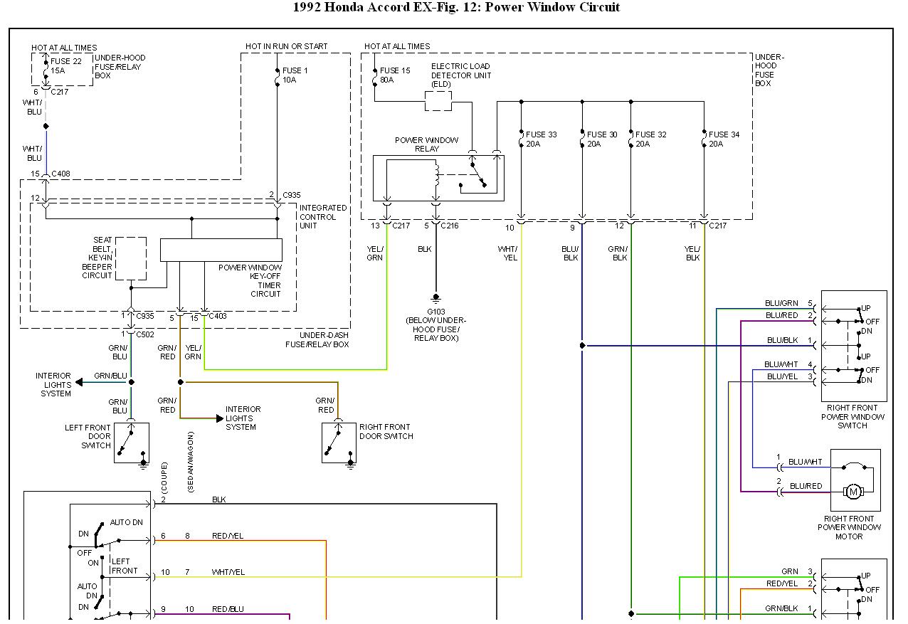
Here are the schematic of the system.

Check the power window relay. Use a test lamp to test the power window fuses for battery voltage.

Oct 16, 2020 at 10:59 AM (Merged)
Avatar
LA.VERO
  • MEMBER
  • 40 POSTS
It only make a rough sound when I try to roll them up. Help please
Oct 16, 2020 at 10:59 AM (Merged)
Avatar
JACOBANDNICKOLAS
  • CERTIFIED EXPERT
  • 110,175 POSTS
Hi and thanks for using 2CarPros.

It sounds like the gears on the regulator have stripped. Take a look at picture 1. You will see a set of gears. You need to remove the door panel and inspect those to see if that is what has been damaged. Also, one the panel is removed, if you crank the window up and assist the glass upward with the other hand, at least you can close it until you repair it.

The directions I have for removing the door panel are for either manual windows or electric. If there are electrical components in the directions that you do not have, ignore them.

__________________________
Starting with picture 2, the remaining pics correlate with these directions.

Disassembly
Sedan/Wagon Front/Coupe:


1. If applicable, remove the regulator handle by pulling the clip out with a wire hook.

2. Remove the mounting screw, then pull the inside door handle out half-way and disconnect the latch rod and power door lock connector.

NOTE: Remove the panel with a little bending as possible to avoid creasing or breaking it.

3. Remove the power door mirror switch and disconnect the connector.

4. Remove the screws and clips (see trim pad remover) attaching the door panel. Remove the door panel by pulling it upward and disconnect the power window and courtesy light harnesses.

________________________

I based this diagnosis on the windows being manual and not power because you said when you roll them up. Let me know if this helps, if you have other questions, or need additional information.

Take care,
Joe
Oct 16, 2020 at 10:59 AM (Merged)
Avatar
ANJANKRB
  • MEMBER
  • 1 POST
The automatic rear window glass on the driver side is not going up since yesterday. It made a funny noise first and then stopped half way. I got it to go down with the driver said panel button. But it did not come up again...no matter how many times I tried.
Please let me know how to repair this problem.

Thanks a lot,

Anjan
Oct 16, 2020 at 10:59 AM (Merged)
Avatar
KHLOW2008
  • CERTIFIED EXPERT
  • 41,814 POSTS
Hi Anjan,

If operating the switch causes noises to be emitted from the window as if the motor is working, you have a bad door glass regulator and you would have to remove the door panel and door glass to replace the window regulator.
Oct 16, 2020 at 10:59 AM (Merged)
Avatar
PFRCOATES
  • MEMBER
  • 1 POST
Other Category problem
1991 Honda Accord 4 cyl Wheel Drive Type unknown Automatic 223000 miles
----------------------------------------------------------------
The power window on just the driver side door wont go up. I can hear the motor running when I push the button but the window wont move even when we try to pull on it when we push the button. We have tapped the side of the door pannel where the motor is in hopes that it would help but nothing is working. All the other windows are moving up and down fine. We thought it might have been the motor at first but we arent so sure now since we can hear it going. PLEASE if you can give us a suggestion it would be great as it is winter and it gets very cold in the car as I need it for work!
Oct 16, 2020 at 10:59 AM (Merged)
Avatar
EMMANUEL1993
  • MEMBER
  • 3 POSTS
same problem i have.. i put my window down.. and it started to rain really bad and when i tryed to put it up.. it didnt go up.. its the motor.. since i waited to late.. now my passenger and back passenger window does the same thing.. GET MOTOR REPLACED ASAP
Oct 16, 2020 at 10:59 AM (Merged)
Avatar
JENK
  • MEMBER
  • 5 POSTS
I also recently had this problem. Sounds like if it is making noise it is the motor. However, my window was slow to go up for quite a while but went down fine, and when it stopped going up it would make no noise and they had to replace the switch that you push, not the motor. Now it goes up and down even faster than it did before.
Oct 16, 2020 at 10:59 AM (Merged)
Avatar
CHRIS615
  • MEMBER
  • 2 POSTS
DAMN ME TOO MAN I HAD TO SWITCH THE MASTER WINDOW SWITCH. BUT I DONT HAVE MONEY TO GET ONE SO I GOT ON FROM A JUNKYARD AND IT WORKED ON MINE. BUT AFTER LIKE 2 MINS MESSING AROUND WITH THE SWITCHES THE LR WINDOW DIDNT WANT TO WORK ANYMORE AND I WAS OPEN A LIL BIT AND IT RAINED AND THE INSIDE OF MY CAR GOT WET... AND NOW IT WORKED AGAIN SUM HOW BUT NOW ITS DOESNT AND I HAD TO TAKE OFF MY DOOR PANEL AND GET TO THE WINDOW AND DO IT MAUALLY BUT I DONT KNOW HOW TO MOVE UP THE WINDOW BRACKET SO I JUST TOOK OFF THE WINDOW AND TAPED IT UP LOL.
Oct 16, 2020 at 10:59 AM (Merged)
Avatar
TATIOUSMAMI
  • MEMBER
  • 2 POSTS
For some strange reason after washing my car this morning All of my windows in my 88 Honda Accord LXI will not work. I checked all 4 fuses under the hood as well as the relay. I also swapped the power window relay and the cooling fan relay and still no luck. Then I checked the fuses under my dash to find out that the fuse that goes to my winshield wipers was blown. I remember this happening once before but it somehow fixed itself because one morning I put a fuse in and it did not pop, but lucky me the problem has came back and this time I would love to fix it myself and for good. I am figuring obviously the fuse to my wipers also control my windows (I HOPE)... What can I do to figure out what is causing the fuse to continuously pop? Oh also my check engine light keeps coming on and my spedometer quit working the other day. My spedometer would go crazy when driving over 65mph on freeway, it would like float between 65mph and 100mph and now its dead to. Please help me I know its got a lot of miles on it but what can I say, "I Love My Honda"!
Oct 16, 2020 at 10:59 AM (Merged)
Avatar
KHLOW2008
  • CERTIFIED EXPERT
  • 41,814 POSTS
Hi Tatiousmami,

1988 model should be cable driven so you should check if the cable is broken. If it is sensor driven, then the speed sensor is faulty. Get it replaced.

Each window has a separate fuse but the wiper fuse also controls the power window relay so not surprising if they don't work, the relay is not being activated.

Shorting should not be from the power window so you should check the wiper.

Intermittent failures are difficult to detect. Put in new fuse and try component by component till it pops, then you go about checking that circuit.
Oct 16, 2020 at 10:59 AM (Merged)
Avatar
TATIOUSMAMI
  • MEMBER
  • 2 POSTS
I have checked all fuses and like I said the wiper fuse keeps popping every time I try to insert a new one so how can I go about finding out what is causing the problem...
Oct 16, 2020 at 10:59 AM (Merged)
Avatar
KHLOW2008
  • CERTIFIED EXPERT
  • 41,814 POSTS
Hi Tatiousmami,

Disconnect the wiper motor wire connector and see if the shorting still occurs. If it does not, then the wiper is faulty.
Oct 16, 2020 at 10:59 AM (Merged)
Avatar
BBRENDA88
  • MEMBER
  • 1 POST
the power window on the passenger side is not working. You can hear a clicking noise coming from the door when driving and not touching anything. The driver side is also having some problems but has not stopped working completely. I need to know what the problem is so I can have a friend look at it and repair it.
Oct 16, 2020 at 10:59 AM (Merged)
Avatar
BRUCE HUNT
  • CERTIFIED EXPERT
  • 3,754 POSTS
I would put off the inside door panel and watch the mechanism to see if a component has broken. Pretty pricey but necessary.
Oct 16, 2020 at 10:59 AM (Merged)