1994 Honda Accord WINDSHIELD WIPER MOTOR RELAY

1994 HONDA ACCORD
175,000 MILES • 4 CYL • FWD • AUTOMATIC
Avatar
RJEFFERSON422
  • MEMBER
  • 3 POSTS
Where is the windshield wiper motor relay switch located on a 1994 Honda Accord??
Apr 3, 2010 at 3:17 PM
Advertisement
Avatar
RJEFFERSON422
  • MEMBER
  • 3 POSTS
Thank you for the info kng1818.
Apr 4, 2010 at 7:11 PM
Avatar
STRAILER
  • CERTIFIED EXPERT
  • 53,855 POSTS
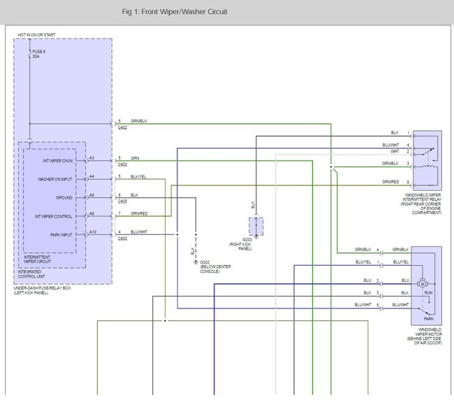
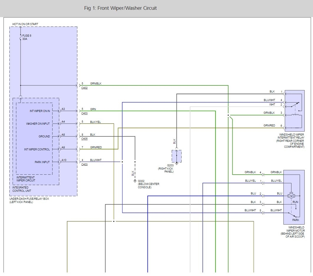
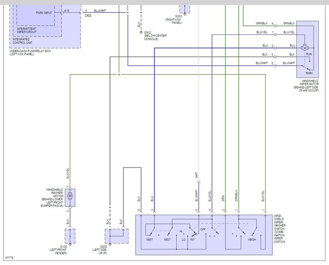
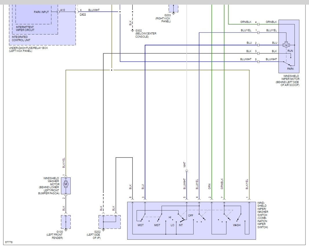
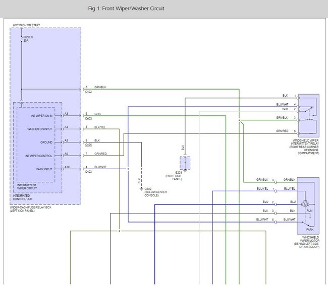
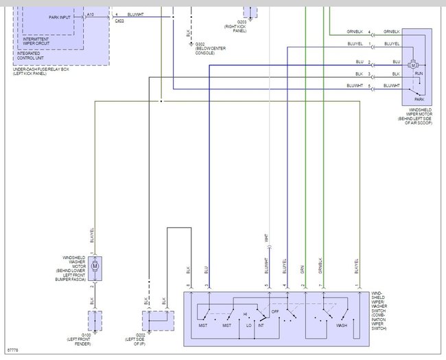
The windshield wiper relay is located under the hood fuse box between the fuse box and the cruise control actuator.

Here is a wiring diagram and the location so you can get the problem fixed.

Please let me know if you need anything else.

Best, Ken
Jan 10, 2017 at 12:50 PM
Advertisement
Avatar
PMONEY3D
  • MEMBER
  • 1 POST
1994 Honda Accord

Is there a built in "Check Home Status" within the motor that tells the system when the wipers are back in the home position? If there is, can it be located by a certain voltage level from one of the pins on the motor's terminal plug in?
Jan 10, 2017 at 12:51 PM (Merged)
Avatar
BMRFIXIT
  • CERTIFIED EXPERT
  • 19,053 POSTS
park switch and its part of the motor
Jan 10, 2017 at 12:51 PM (Merged)