☰
Login
Join
×
Home
Answered Questions
Repair Topics
Repair & Service Guides
Popular Questions
Warning Lights
Trouble Codes
How It Works
Testing / Diagnostics
Symptoms
Videos
Login
Become a Member
Home
Honda
Accord
Electrical
Alternator
Replace/Remove
CHARGING SYSTEM
1992 HONDA ACCORD
226,673 MILES • 4 CYL • FWD • AUTOMATIC
CHARLES PIERSON
MEMBER
1 POST
FOLLOW
i replaced the alternator but my charge light and abs light are still on. it is charging 13.9 but it is affecting the computer. please help.
Jun 24, 2008 at 11:44 AM
Advertisement
KHLOW2008
CERTIFIED EXPERT
41,814 POSTS
Hi CHARLES PIERSON,
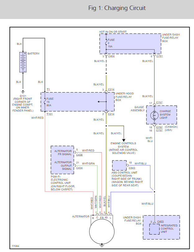
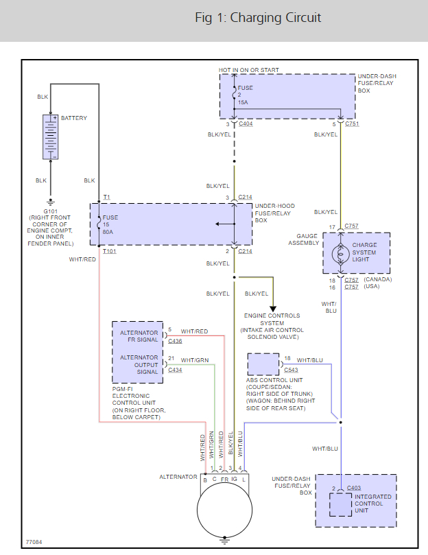
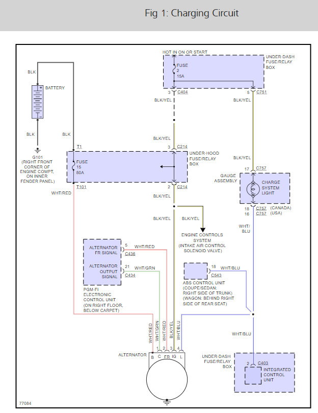
There is a fuse #2 15 amp i would check in the fuse panel, if that's okay here is a wiring diagram and a guide to help you check the wiring.
https://www.2carpros.com/articles/how-to-check-wiring
If the wiring checks out I would replace the PCM with a used one.
Check out the diagrams (Below). Please let us know what happens.
Cheers
Images (Click to enlarge)
Aug 24, 2020 at 2:40 PM