☰
Login
Join
×
Home
Answered Questions
Repair Topics
Repair & Service Guides
Popular Questions
Warning Lights
Trouble Codes
How It Works
Testing / Diagnostics
Symptoms
Videos
Login
Become a Member
Home
Honda
Accord
Drivetrain
Bearing Hub
Replace/Remove
1992 Honda Accord
1992 HONDA ACCORD
190 MILES • 4 CYL • FWD • AUTOMATIC
LEO MULERO
MEMBER
1 POST
FOLLOW
What are the signs that I need a front hub bearing replacement? What do I need to look or hear for?
Aug 30, 2008 at 2:45 PM
Advertisement
KHLOW2008
CERTIFIED EXPERT
41,814 POSTS
Hi Leo Mulero,
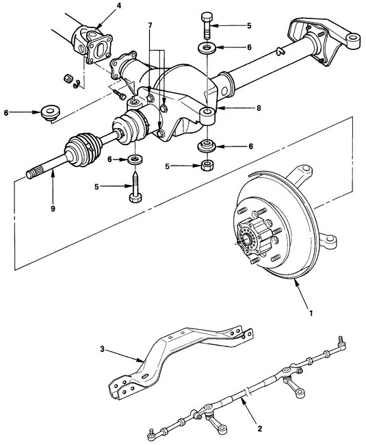
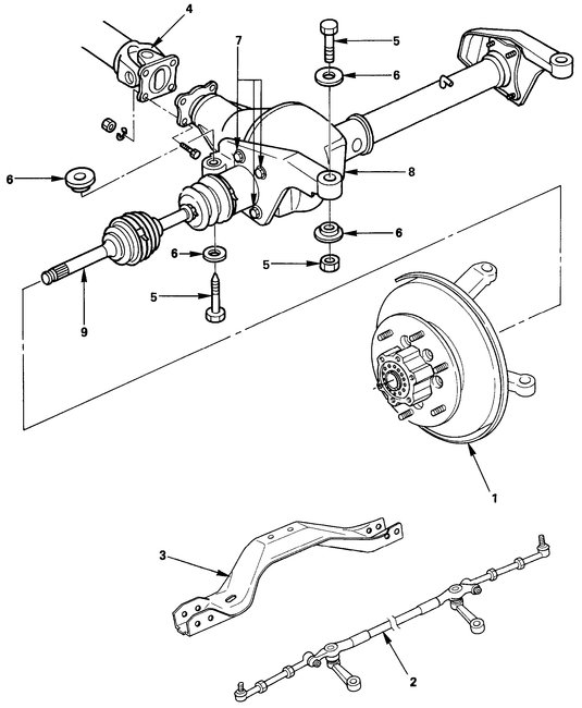
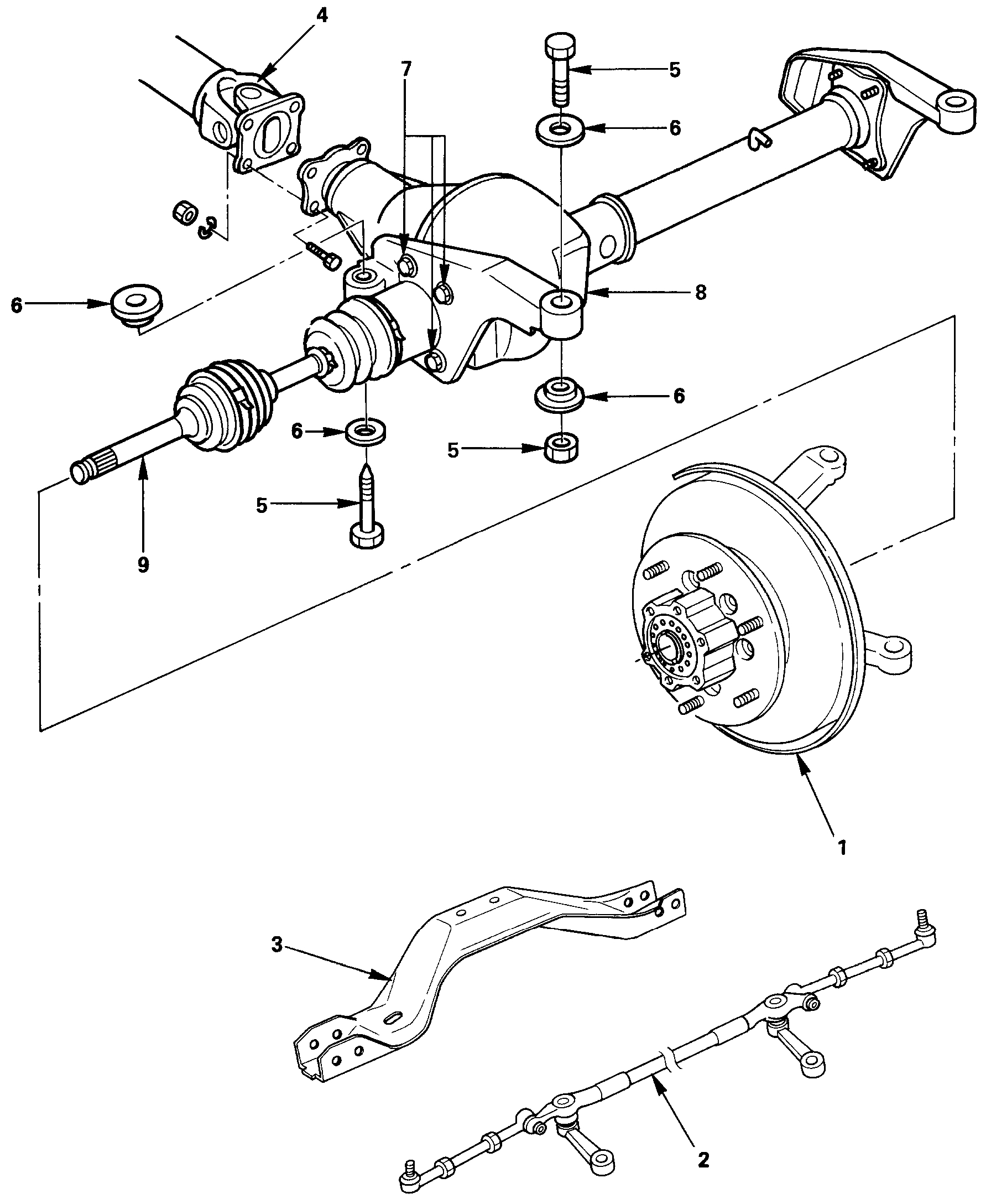
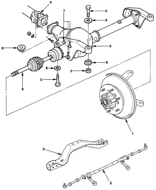
Humming noise from front with increase in noise volume/pitch when making gentle turns.
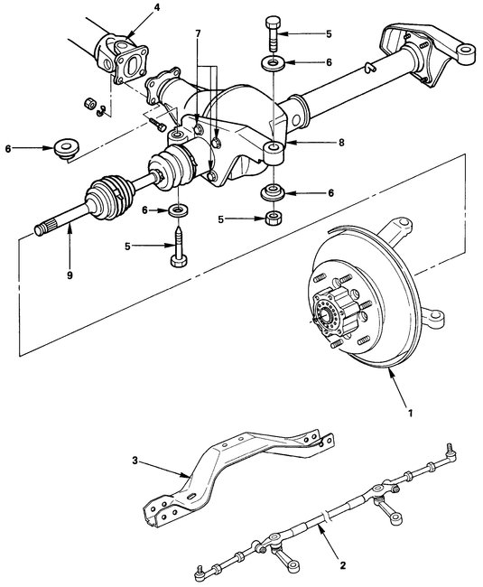
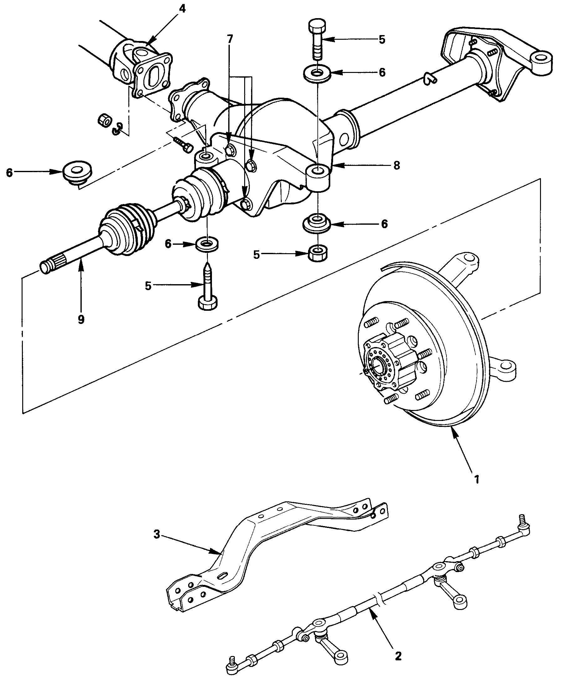
Images (Click to enlarge)
Aug 31, 2008 at 2:25 AM