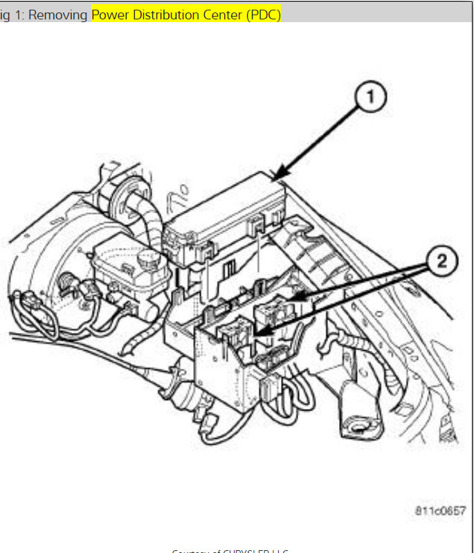
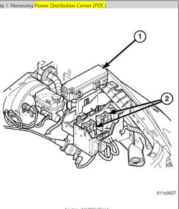
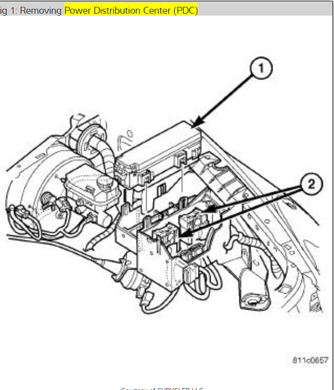
My truck seems to have a hissing noise inside or near the gas tank, the noise keeps going even when the truck is off, it also drains the battery. So we disconnect the battery to stop the gas tank from making the noise. We have checked the relays which could have been the cause of it but it is not, the battery is brand new too. So what could it be?
Oct 5, 2018 at 10:54 AM






