Headlights not working

2004 VOLVO XC90
160,000 MILES • 2.5L • 6 CYL • TURBO • 4WD • AUTOMATIC
Avatar
BELI HERNANDEZ
  • MEMBER
  • 2 POSTS
I have been check the fuses and none of them have lights.
Dec 25, 2020 at 3:02 PM
Advertisement
Avatar
JACOBANDNICKOLAS
  • CERTIFIED EXPERT
  • 110,175 POSTS
Hi,

The fuses related to the headlamps are located in two places. They are both under the hood and under the dash in the vehicle.

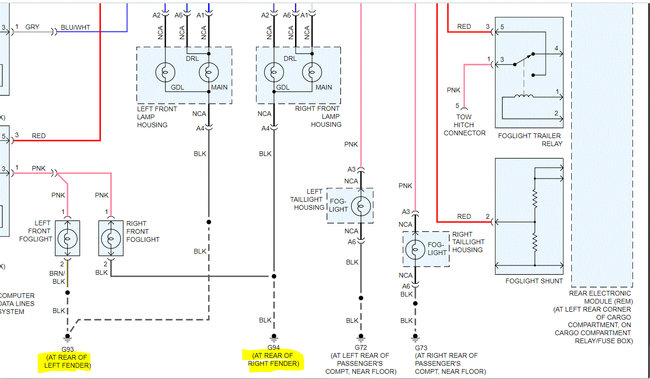
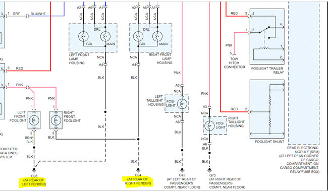
If you look at pic 1, I attached a portion of the wiring schematic. The fuses highlighted need to be checked.

In addition to simply checking the fuses, confirm there is power to and from them. Here is a link you may find helpful:

https://www.2carpros.com/articles/how-to-check-a-car-fuse

Let me know what you find. Also, let me know if any of the lights are working.

Take care,
Joe

Dec 25, 2020 at 5:18 PM
Avatar
BELI HERNANDEZ
  • MEMBER
  • 2 POSTS
Thanks so much for your help. Actually, I checked the fuses and they are okay, but the headlight is still not working.
Dec 25, 2020 at 7:53 PM
Advertisement
Avatar
JACOBANDNICKOLAS
  • CERTIFIED EXPERT
  • 110,175 POSTS
Hi,

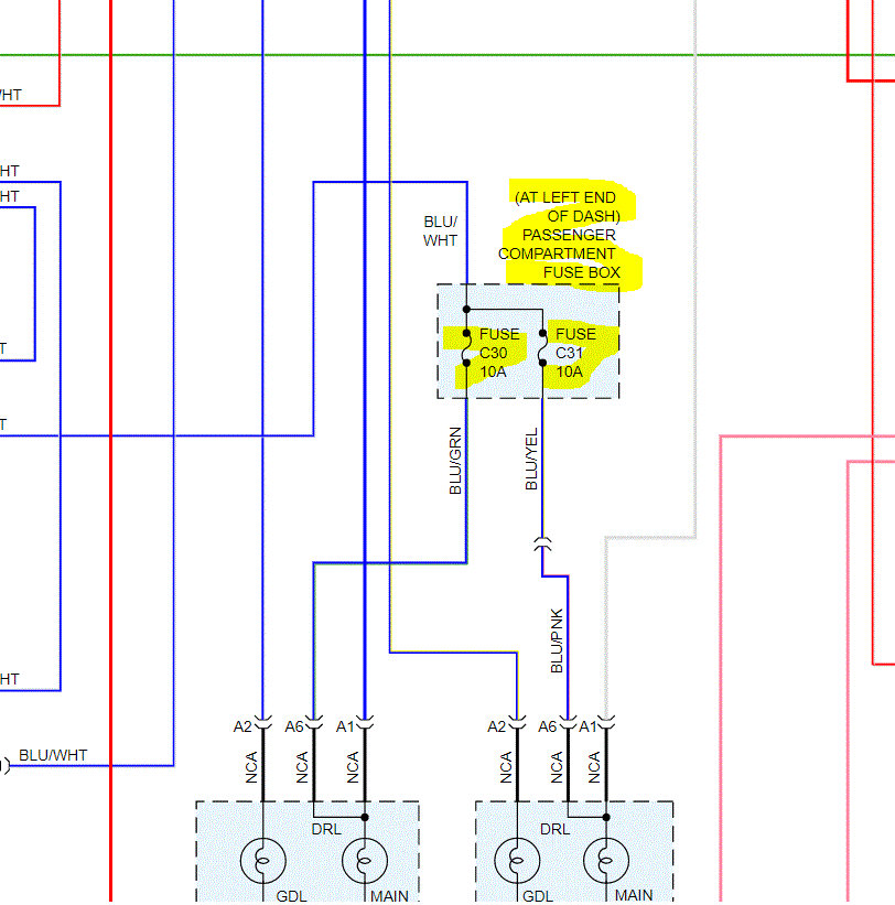
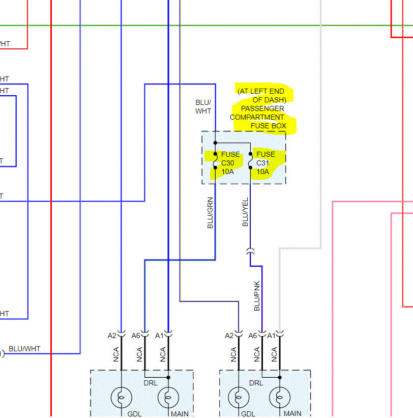
If you confirmed there is power to them and they are good, there are two others we need to check and confirm are good. See pic 1.

Do the same with them. Make sure there is power to them and out from them.

If there is power, then go to the light sockets and check for power. If there is power and the lights don't work, then we have either a bad socket or bad ground.

There are two grounds, one for each side. I highlighted them in pic 2. The easiest thing to do is to check the black wires at the sockets for continuity to ground. Basically, you are checking to see if there is a break in the wire or no connection. Here is a link you may find helpful. If you find there is no continuity, then you will need to locate the wire at the grounding locations indicated and determine if it is broken or corroded.

https://www.2carpros.com/articles/how-to-check-wiring

Pic 3 shows the other two fuses' locations.

Again, in addition to the fuse condition, make sure there is power to it.

Let me know what you find.

This will become progressively more involved. If you have questions, please let me know.

Take care,
Joe


Dec 25, 2020 at 9:54 PM