Highbeam headlights not working?

2016 RAM 1500
90,000 MILES • 5.7L • V8 • 4WD • AUTOMATIC
Avatar
DODGEMAZDA
  • MEMBER
  • 2 POSTS
Highbeam headlights do not work. The multifunction switch performs all other functions, turn signals, windshield wiper functions, and flash to pass bright lights all work fine only the bright light function does not work. Using a bidirectional scan tool the bright lights can be commanded on and off, and they function properly. Would like to see a wiring diagram to determine where the control wire from the switch routes to the BCM.
Jul 29, 2025 at 1:09 PM
Advertisement
Avatar
STRAILER
  • CERTIFIED EXPERT
  • 53,854 POSTS
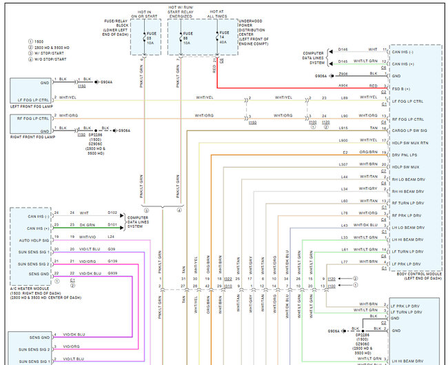
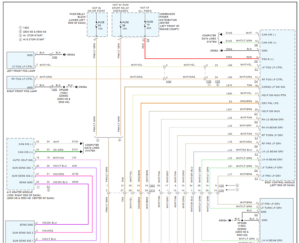
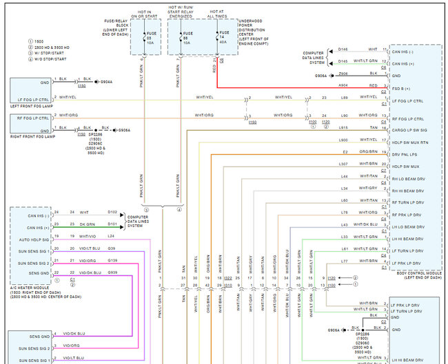
Turn all lights on and check the fuses first #14 and #88 in the under-hood fuse panel and fuse #03 on the lower left side of the dash fuse panel. The BCM does control the high beams so it might be out but here are the switch the BCM heal light wiring diagrams so you can see how the system works and which wires to test. Chances are the switch is bad. Check out the images (below). Please upload pictures or videos in your response.

Jul 29, 2025 at 2:09 PM
Avatar
DODGEMAZDA
  • MEMBER
  • 2 POSTS
Replaced multifunction switch, same problem still exists, all functions work correctly except high beams. Will check out all suggestions and reply back with results. Thank you for the information and suggestions.
Jul 29, 2025 at 4:48 PM
Advertisement
Avatar
STRAILER
  • CERTIFIED EXPERT
  • 53,854 POSTS
hmm, yep that would have been my guess, so the BCM might be bad, if we do a CAN scan it might have codes for it to help confirm the failure. If you checked the wiring and fuses the BCM is the only thing left. Please check out this video:

https://youtu.be/u-4syLc-ifQ

Please go over this guide and get back to us.
Jul 30, 2025 at 9:21 AM