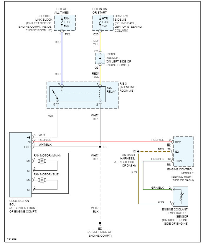
Vehicle has new water pump, thermostat housing, thermostat, aluminum radiator and cap. When idling, temperature rises well over operational (above 3/4 mark). Radiator fans do not hold high speed when temperature gets to operational (1/2 mark). Radiator fans engage on high speed briefly and suddenly disengage to normal speed although temperature keeps raising. Engine compression test passed. Vehicle lowers temperature when accelerated. Fan relay terminals 1 and 2 do not have continuity when pulled out of the box but do when installed and battery connected. I guess it is an “Normally Open Relay”? Might be the relay or the Coolant Temperature Sensor? Any help or suggestions will be greatly appreciated. Thanks in advance.
Jul 13, 2023 at 8:01 AM


